java中(0.1+0.2)+o.3和0.1+(0.2+0.3)的结果为什么不相等呢(0.1+0.2)+o.3这个的0.3你写成字母o.3了 另外给你找个了相似的问题的答案,希望能帮助到你 为什么“0.1+0.2=0.3000
PLC程序梯形图
plc梯形图由哪四大部分构成
PLC的梯形图程序有母线(左母线、右母线)、触点指令、线圈指令(输出指令)、功能指令组成。 望采纳。。。。。。PLC梯形图到底怎么看?
1、进行I/O分配:

在这里我们要分清楚什么是输入元件与输出元件,并且把它们的地址分好,输入元件是指PLC的信号输入部分,主要有按钮,行程开关,继电器触点,光电开关等,输出元件是指用来控制接触器,电池阀,电磁铁,指示灯,数字显示装置和报警装置等输出设备。
在这里如果把输入与输出元件弄错了后期编写梯形图的时候就会出现不能转译的问题,或者是出现电路达不到我们预期的效果,所以这一步很关键。
2、编写梯形图:

在完成了对控制任务,I/O分配后,就进入了最重要的梯形图编写,在编写的时候我们一定要有一有二的,一步步的写,我们可以先写串联的电路再写并联的电路。
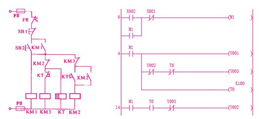
例如上图:我们先从FR(X3)开始写,再到SB1(X0),再到SB2(X1),再到KM2(Y1常闭),再输出KM1(Y1),然后写并联电路,并上KM1(Y0)的常开触点,以此类推。一条条的写过去。
扩展资料
PLC 扫描方法
当扫描我们用户的程序时, PLC 会利用一个标准的扫描方法对用户程序进行扫描。
扫描过程:
扫描输入状态:读出外部信号状态并将其状态存储于内部储存器内。
运算用户程序: 用储存内部储存器内部的数据对用户程序进行运算,程序从上至下,从左至右进行扫描,扫描到END指令时表示一次扫描结束。
刷新输出:把运算的数据写至外部输出。
plc梯形图中的各符号,都有什么意思
1、若存储单元如果为“1”状态,则表示梯形图中对应软继电器的线圈“通电”,其常开触点接通,常闭触点断开,称这种状态是该软继电器的“1”或“ON”状态。
2、如果该存储单元为“0”状态,对应软继电器的线圈和触点的状态与上述的相反,称该软继电器为“0”或“OFF”状态。使用中也常将这些“软继电器”称为编程元件。
3、在分析梯形图的逻辑关系时,为了借用继电器电路图的分析方法,可以想象左右两侧母线(左母线和右母线)之间有一个左正右负的直流电源电压,母线之间有“能流”从左向右流动。右母线可以不画出。
4、M表示位存储器和T表示定时器。
梯形图是PLC使用得最多的图形编程语言,被称为PLC的第一编程语言。PLC梯形图中的某些编程元件沿用了继电器这一名称,如输入继电器、输出继电器、内部辅助继电器等,但是它们不是真实的物理继电器,而是一些存储单元(软继电器),每一软继电器与PLC存储器中映像寄存器的一个存储单元相对应。

扩展资料
梯形图语言沿袭了继电器控制电路的形式,梯形图是在常用的继电器与接触器逻辑控制基础上简化了符号演变而来的,具有形象、直观、实用等特点,电气技术人员容易接受,是目前运用上最多的一种PLC的编程语言。
在PLC程序图中,左、右母线类似于继电器与接触器控制电源线,输出线圈类似于负载,输入触点类似于按钮。梯形图由若干阶级构成,自上而下排列,每个阶级起于左母线,经过触点与线圈,止于右母线。
参考资料来源:百度百科-收藏 358 24 梯形图
三菱plc编程时梯形图怎么编写
三菱PLC编程使用软件为“GX Works2”,可以使用来编写梯形图程序。
具体操作如下:
1、打开三菱编写软件“GX Works2”。

2、点击左上角的工程。

3、选择“新建工程”。

4、选择“程序语言”。

5、更改为“梯形图”。

6、点击“确定”。

7、在上方可以找到常用的梯形图符号。

8、如插入一个常开触点,点击图中符号。

9、点击“确定”即可。

PLC 编程语言中梯形图是指
PLC 编程语言中梯形图是指用类似于继电控制线路的方法进行编程,是属于图形编程,比较直观。相关文章
- 详细阅读
-
同花顺软件编程最后一句总是缺少详细阅读
求大神解答,通达信公式转同花顺不能用,提示:最后一行缺少 数字、变量、常量或函数名同花顺不支持数据引用,该公式无法在同花顺使用。
要改的话,需要将里面的引用数据,全部的代码做 -
有七星虫编程软件吗详细阅读
伏魔记怎么用程序改成自己喜欢的形式?1。你用这个攻略打应该不费劲,武器,金钱,都很好得,就像里面说的弯月刀投掷,灵芝草转卖,富贵珠都很好 2。不然就下一个RPG开发软件,简单加密的游
-
plc程序编辑实验详细阅读
用三菱plc怎么编写程序三菱PLC设计程序过程中,常见有哪些步骤? 三菱PLC设计程序过程中,常见有哪些步骤。这五个步骤,你记住哪几个呢?特别是三菱PLC程序设计前需要准备什么,设计程
-
现在少儿学编程,选哪个机构好啊?详细阅读
儿童编程哪家培训机构好儿童编程童程童美比较好。
童程童美成立于2015年,达内教育集团(股票代码:TEDU)旗下,专注于中国3-18岁青少儿编程教育,研发出针对中国儿童的编程教育体系,涵 - 详细阅读
-
编程实现Vector类元素的添加、插入详细阅读
C++中怎么删除vector中的一个元素C++ vector中实际删除元素使用的是容器vecrot中std::vector::erase()方法。C++ 中std::remove()并不删除元素,因为容器的size()没有变化,只是
-
codeorg编程网站从哪里下载详细阅读
在电脑上怎么下载codeblocks?怎么把它弄到桌面上?一、下载教程1.在浏览器上搜索CodeBlocks官网或者直接输入网址http://www.codeblocks.org/ 进入CodeBlocks官网。2.进入下载
- 详细阅读
-
利用VB6编程语言画曲线图详细阅读
想在VB中根据数据库的数据画曲线变化图,如何画?用什么方法VB提供的绘制图形的方法:(可以在窗体上或PicTureBox控件上使用) 与你主题相关的有: 1,绘制直线 object.Line (x1,y1) - (x
