手机照相,图片有个黑影怎么回事,是硬件的问若手机照相时有阴影,建议您: 1.使用自带照相机拍照尝试。 2.更换光线较好的位置拍照试一下。 3.清除照相机数据:设定-(一般/更多)-应用
九齐NY7P345A替代芯片有哪款?
苹果7p与8p的区别有哪些?应该选择哪个?
苹果7p与8p的区别有以下几个方面:
一、发布的时间不同
iPhone 7 Plus是苹果7升级版手机,北京时间2016年9月8日2016苹果秋季新品发布会上发布。
iPhone 8 Plus是Apple(苹果公司)第11代手机,北京时间2017年9月13日凌晨1点,在Apple Park新总部的史蒂夫·乔布斯剧院举行苹果新品发布会上发布。

二、搭配的处理器不同
iPhone 7 Plus搭配的处理器为苹果A10+M10协处理器;iPhone 8 Plus搭配的处理器为苹果最新的A11处理器。
三、电池容量不同
iPhone 7 Plus的电池容量为2900mAh;iPhone 8 Plus的电池容量为2675mAh。
四、充电方式不同
iPhone 8 Plus的支持无线充电;iPhone 7 Plus不支持无线充电。
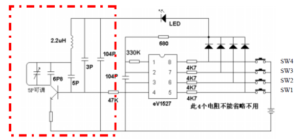
有没有哪款编码器能替代pt2262,体积越小,口越少约好。
1、如果要采用可自行编码芯片类型,有SC2260-R4、PT2260-R4(SOP-16封装),这两个芯片都可以采用常见的解码芯片PT2272进行解码。有8位可以自行编码的3态引脚产生总16位的地址6561组不重复的编码。优点:可以自行调整编码,可以统一编码。缺点:与EV1527相比,IC体积大,编码组数易重复。
2、如果可以采用不需自行编码(厂家在生产时已烧录好编码)的芯片,常用的EV1527、HS1527(都是SOP-8封装)。内码共有20位地址码编码达到1048576 组不重复。优点:芯片体积小,编码重复机率低。缺点:无法自行调整编码,如在同样的编码,芯片需订制。
3、EV1527解码芯片常见的有TDH6300(SOP-14封装)、RFE272(SOP-8封装)。但这两个也可以解码PT2262、SC2260、PT2260的编码,而且还能自动匹配振荡电阻。
以下EV1527芯片应用电路和RFE272解码电路。


TL494的替代芯片有哪些?能仿真的!急!!!会追加高分的!
TL494,可用SG3524替代; 另外,还有韩国的KA7500B,KA7500C。芯茂微的LP8776B型号的电源芯片真的可以替代市面上的哪款反激控制器?
我们公司新采购了一批芯茂微LP8776B型号的电源芯片,是DCM/CCM隔离型恒压 PWM 控制器,从功能上看,可以替代市面上任何一款反激控制器的,这也是为什么我们现在采购了一批LP8776B型号的芯片⌄可以替代市面上的OB2365EMP,还多了输出电流补偿、peakload功能,关键是产品方案性价比更高。开关电源芯片ws2293b sot23-6封装用哪种型号可替代?
找到芯片的FB,sw,VCC,如果是外部振荡器,还需要找到振荡的RC,然后用其他芯片替代即可。相关文章
- 详细阅读
-
MTK6739芯片的板子能下载开机正常,详细阅读
设置了自动开关机却不开机屏上出现E|怎么解决?mtk系统的通病!!!! 100%是虚焊或损坏了,卸下重植或更换100%解决。与电池和充电器无关,你的手机是mtk芯片的手机,对于此手机,99%是cpu
-
有没有可能是显示器电源线的问题详细阅读
电脑显示器不通电了!是显示器那里出了毛病?电脑显示器是电脑组成的重要组成部分,当电脑显示器出现问题的时候,要么不能使用,要么影响使用,下面我将介绍显示器液晶颜色异常显示的时
-
根据硬件电路,给程序加注释。详细阅读
如何给一大段 VB 程序一次性加上注释符号1、首先是在excle软件中找到“开发工具”-》Visual Basic。2、进入代码区。3、选中要注释的一段代码。4、然后在顶部找到工具栏。5
-
电脑有些年限了,现在玩游戏很卡了,也详细阅读
电脑玩游戏卡顿需要更换什么硬件电脑玩游戏卡顿需要更换内存、显卡、硬盘。大多数笔记本电脑是封装的,升级、扩展配置的自由度没有台式组装电脑那么高,当电脑出现卡顿时,能够直
-
亚德诺芯片pl41是什么年份详细阅读
intel 芯片后面的PL,PE,GL,都是什么意思啊?芯片组的版本号PL是简版,PE是公版而GL是集成显卡的简版。谁知道主板芯片后的字母是什么意思呀像P PL PE PLD G GV GL谢谢了呀P专业~ 91
-
不同计算机的指令系统是不同的,主要详细阅读
不同的计算机,其指令系统也不同,这主要取决于(不懂别进!!)主要是取决于所用的CPU
指令系统的意思是计算机硬件的语言系统,也称为机器语言。是软件和硬件的主要界面,从系统结构的角度 -
问问我这个硬件配置能升级win7 32详细阅读
升级Win7需要换什么硬件?你这个可以装WIN7 32位的,看电影新闻玩个小游戏没有问题。如果玩大游戏,建议加个内存,会卡的。详情和办法送你: WIN7系统: 官方推荐最低配置要求: 处理器: 1
-
电源模块是什么?电源模块噪音过大的详细阅读
电源模块出现噪音过大的原因是什么?如何解决?电源模块已经应用于我们生活的方方面面,现代化的电子产品基本上都有用到电源模块,那么既然又实用肯定也会出现一些问题,下面我们介绍
-
这个是什么品版什么型号的U盘主控详细阅读
怎么下载和自己的U盘芯片相应型号的量产工具?百度里面搜索“chipgenius芯片精灵 ”,利用这个工具可以查看到u盘的芯片,再用百度搜索你看到的芯片型号的联产工具即可。我的U盘芯
