怎么查 西门子PLC step7 中的符号表中的符号在程序的什么地方使用。1、在西门子PLC step7中,直接按照选项→参考数据→显示的顺序进行点击。2、下一步会弹出相关的窗口,选择交
ERP电子发票档案管理系统软件都有哪些功能
ERP系统应该具备哪些功能?
一个好的ERP电商订单管理系统定制开发应具备哪些功能? 现在人们越来越喜欢线上购物,电商卖家自然也与日俱增。电商卖家在运营店铺的过程中,订单管理尤为重要。尤其是大中型电商卖家,运营过程中会遇到很多问题,比如商店多、账号多、产品上载量大、内容和优化堆积如山;产品利润计算、价格定位等工作也同样费时费力。所以,一般电商老板会根据自己公司的需求定制开发适合自己公司的erp电商订单管理系统。一款好的erp系统可以解决很多问题,整体业务调整进行高效率管理。 那么,一个好的ERP电商订单管理系统定制开发应具备哪些功能呢? 1、多渠道客户订单管理 一般电商的订单来源渠道比较多,比如淘宝商城、官方网站、分销平台erp系统都有哪些功能?
1、客户订单管理: 客户订单管理系统是用来维护客户的订单数据,包括对订单的审核、修改、统计查询,并且对订单的执行情况进行跟踪。2、生产计划管理:生产计划管理系统是企业针对某时间段的客户订单,或结合历史产品销售数据和库存量作出的生产粗计划。良好的生产的计划可以减少库存资金积压,降低库存风险,同时可以充分满足市场需求。
3、生产排程管理:(PMC)生产排程管理系统是企业用来对生产计划和客户订单交货期作出的期间明细生产按排。本系统针对目前大多企业面临订单交货延时问题提供了科学的解决方案。
erp系统推荐选择管易云。管易云是金蝶集团旗下专注提供企业电商管理云服务的子品牌,服务超过110000家品牌企业客户。目前拥有:苍穹电商云、B2C电商云、电商ERP、订单管理系统、仓储管理系统、前端商城建站等SaaS软件产品及服务。

一般erp系统中有哪些功能模块
选择erp 时,需要根据企业自身业务和管理需求,我们在选择是偏向考虑的功能有:
微信报修系统
用微信扫描用户设备上贴的二维码,就可以立即显示设备的基本信息,并且填写故障信息,进行售后服务报修。报修信息自动生成售后服务维修工单。
工单派工系统
实现对售后服务任务的全流程管理,包括:新增工单、派工、签收、现场签到、进程反馈、完工、客户评价。售后服务任务主要包括:设备安装、设备维修、设备升级、设备保养、设备检测、使用培训、问题投诉等。
定位签到系统
结合最新的移动互联网技术,通过手机精确定位人员位置,签到时自动在地图上标记,并实施获取中文地址,精确记录签到时间,有效解决人员外出考勤问题。
预警管理系统
该系统实现对售后服务过程中一些重要时间点的预警和提醒,例如设备保修期限的提醒、设备保养周期的提醒、设备巡检日期的预警等。
配件管理系统
该系统实现对备品备件的管理,包括:备件的分类、备件档案、备件的申请、备件的领用、备件库存、备件的统计,能够通过手机实时查询到备件的库存数量等。
费用结算系统
对售后费用时间系统的结算管理,在工单的完工环节记录每个工单的收费项目,例如配件费、服务费、其他收费等,在工单的核算环节,记录工单的各项成本,包括配件成本、人工费、交通差旅费、其他成本费用等等。能够对每一笔工单进行单据级的利润核算,自动计算出工单的毛利润。

erp是什么?主要是功能有哪些
erp是企业资源计划或称企业资源规划Enterprise Resource Planning的简称,是指建立在资讯技术基础上,以系统化的管理思想,为企业决策层及员工提供决策运行手段的管理平台。企业资源计划也是实施企业流程再造的重要工具之一,是个属于大型制造业所使用的公司资源管理系统。

主要功能有以下几点:
一、财务管理
1、会计核算:会计核算主要是记录、核算、反映和分析资金在企业经济活动中的变动过程及其结果。它由总账、应收账、应付帐、现金、固定资产、多币制等部分构成。
2、财务管理:财务管理的功能主要是基于会计核算的数据,再加以分析,从而进行相应的预测,管理和控制活动。它侧重于财务计划、控制、分析和预测。
二、生产控制管理
1、主生产计划:它是根据生产计划、预测和客户订单的输入来安排将来的各周期中提供的产品种类和数量,它将生产计划转为产品计划,在平衡了物料和能力的需要后,精确到时间、数量的详细的进度计划。是企业在一段时期内的总活动的安排,是一个稳定的计划,是以生产计划、实际订单和对历史销售分析得来的预测产生的。
2、物料需求计划:在主生产计划决定生产多少最终产品后,再根据物料清单,把整个企业要生产的产品的数量转变为所需生产的零部件的数量,并对照现有的库存量,可得到还需加工多少,采购多少的最终数量。这才是整个部门真正依照的计划。
3、能力需求计划
4、车间控制
5、制造标准

三、物流管理
1、分销管理:销售的管理是从产品的销售计划开始,对其销售产品、销售地区、销售客户各种信息的管理和统计,并可对销售数量、金额、利润、绩效、客户服务做出全面的分析。
2、库存控制:用来控制存储物料的数量,以保证稳定的物流支持正常的生产,但又最小限度的占用资本。它是一种相关的、动态的、及真实的库存控制系统。它能够结合、满足相关部门的需求,随时间变化动态地调整库存,精确的反映库存现状。
3、采购管理:确定合理的定货量、优秀的供应商和保持最佳的安全储备。能够随时提供定购、验收的信息,跟踪和催促对外购或委外加工的物料,保证货物及时到达。建立供应商的档案,用最新的成本信息来调整库存的成本。
四、人力资源管理
1、人力资源规划的辅助决策
1)、对于企业人员、组织结构编制的多种方案,进行模拟比较和运行分析,并辅之以图形的直观评估,辅助管理者做出最终决策。
2)、制定职务模型,包括职位要求、升迁路径和培训计划,根据担任该职位员工的资格和条件,系统会提出针对本员工的一系列培训建议,一旦机构改组或职位变动,系统会提出一系列的职位变动或升迁建议。
3)、进行人员成本分析,可以对过去、现在、将来的人员成本作出分析及预测,并通过ERP集成环境,为企业成本分析提供依据。
2、招聘管理
3、工资核算
4、工时管理
5、差旅核算
ERP系统主要有哪一些功能模块?各自有什么作用?
(一)标准版ERP系统软件—销售管理销售管理帮助企业对销售业务的全流程进行管理,包含客户关系管理、订单管理等等,提供报价、订货、发货、开票的完整销售流程,支持以订单为核心的业务模式,并可对销售价格和信用进行实时监控。企业可以根据实际情况进行销售流程的定制,构建自己的销售业务管理平台。功能特点:完整记录客户历史信息,随时可以进行调用、查询、指派和收回;客户基本信息权限控制,防止客户信息外泄。销售合同支持多级审批、支持查看当前审批环节及审批状态可通过销售订单统计报表实时查询统计业务员的业务成绩,客户的业务往来情况以及产品的销量等信息。可通过销售订单执行情况表,查询订单的执行情况,包括已发货数量,已相关文章
- 详细阅读
-
如何使用台达DOPSoft软件做出动画详细阅读
如何使台达人机界面显示动态图台达人机有“图形显示”,就有动态图形元件,动态图需要使用宏指令来编写,就能实现动态图。具体请参看台达触摸屏手册或台达DOPSOFT手册。有谁使用
-
求问这是什么软件,一直显示等待安装详细阅读
这是怎么回事vivo手机,一直显示正在安装删也删不掉?应用安装失败排查步骤 步骤1、确认软件信息 非应用商店下载:请您前往应用商店下载安装软件,或者更换其他网址下载安装软件,观
-
请问一下,发票信息输完后点打印就跳详细阅读
我在开专用发票的时候,在发票查询里打印发票,出现了打印机错误字样发票购买时是连续的,但在打印时应该撕开,单份打印。因为连续走纸,定位不是很准确,很容易将发票打印出格。 看一
- 详细阅读
-
骗子开发禁止玩得游戏,能阻止别人操详细阅读
制作完一款单机游戏软件,软件从此就单独存在,不用受开发人控制了吗?就是别人能玩而不受开发人控制了吗传统意义上的单机游戏是这样的。在断网,与外界没有通讯或者数据交换的情况
-
系统cpu占用过高怎么办详细阅读
cpu占用过高怎么办点击Ctrl+Alt+del键,打开启动任务管理器,接着点击进程项,查看进程,如出现占用率高的项就将其结束掉。CPU使用率过高也有可能是电脑中病毒了,使用杀毒软件给系统
-
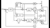
简述V-M可逆调速系统中实现无环流详细阅读
逻辑无环流可逆调速系统对逻辑控制有何要求1、在控制系统中,当一组可控制硅工作时,用逻辑电路封锁另一组的触发脉冲,使该组可控硅完全处于阻断状态,从根本上切断环流的通路。2、
-
全球共德移动实名制管理系统会有人详细阅读
全球共德移动实名制管理系统会有人数限制吗?能支持多少个人同时打卡啊?这个应该没有吧,根据我们 工 地使用【全球共德】移动实名制管理系统 一年有 多的经验 来看 , 还没
- 详细阅读
