单片机编程题?振荡频率为6MHz,计时脉冲周期是2us,产生方波频率为2KHz, 周期500US,半个周期是250us,计数脉冲个数是125个,定时器方式2是8位定时器,最大计数值256,因此初值是256-125
从入行到cnc编程工程师需要经历什么过程?
学CNC编程该从哪下手学起?
初学编程的话软件要选好,选那边使用最多的编程软件,现在UG 用的势头比较好点。软件,先要熟练的使用,然后就是按部就班的跟着别人学吧。如果能够看懂图纸的话,那就直接学数控基础知识,包括机床的坐标系、G语言等,如果不能的话就比较麻烦了,还要学机械制图。
所谓主动编程即步骤式样劳动的大局部或全部有谋划机完成,可以有效办理纷乱零件的加工标题,也是CNC编程将来的成长趋势。同时,也要看得手工编程是主动编程的根本,主动编程中许多核心阅历都来历于手工编程,二者相辅相成。

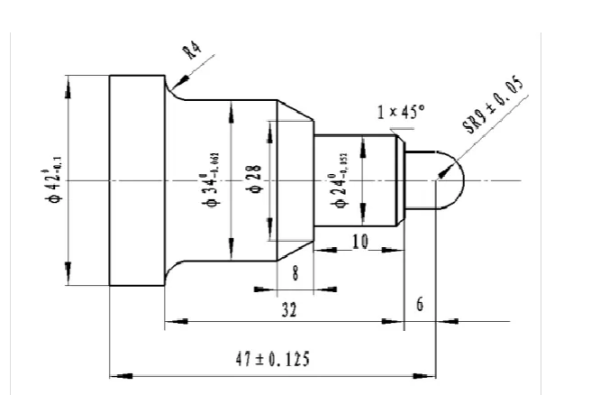
实例分析
cnc车床主要是加工反转展转体零件,典范的加工外貌不外乎外圆柱、外圆锥、螺纹、圆弧面、切槽等。比方,要加工外形如概述图所示的零件,采取手工编程要领比较得当。由于差别的cnc体系其编程指令代码有所差别,因此应根据配置类别举行编程。以西门子802Scnc体系为例,应举行如下支配。
以上内容参考:百度百科-cnc编程
新手学cnc编程要学多久?
如果师傅愿意教你,需要半年的时间就能学会,剩下的编程中的切削三要素要得自己摸索。无论做什么学徒都一样,都是要从最基本的开始后再慢慢接触到编程的。数控机床集钻,铣,镗,铰,攻丝工序于一体。对工艺人员的技术素养要求很高。数控程序是用计算机语言来体现加工工艺的过程。

cnc操作工主要做什么
负责加工中心机床的操作,维护与日常保养,熟悉加工中心组机床的性能与基本构造。服从生产安排进行产品试制及批量生产,按图纸要求对产品进行处理确保产品质量。能看懂图纸及相关工艺技术文件,协助分析,处理和解决质量问题,并提出改进方案。与技术部门协调处理技术难题,积极提供有关方案,及时处理现场问题。
怎样从零基础开始沉淀成为cnc工程师?
第一,程序员可以学习的更快。 第二,每个人都可以通过努力改变自己的人生轨迹。 是的。我很早就思考这个问题,每个人都应该有证明自己的机会,可是很多人想要得到这个机会,就必须要在简历上弄虚作假。 而经常会有Java工程师,工作了3到5年,还纯真的像一个刚毕业的孩子,什么都不懂。 如果从零基础成为一个可以上手独立做项目的工程师,倒底是需要多久? 如果一个人在学校里泡妞打架熬夜玩游戏,是否有可能会在一个短的时间之内醒悟,改变自己的命运? 他又能做到什么程度? 是的,没错。修真院线下200多个师兄,确切的来讲,都是我的实验品。 幸运的是,几乎是百分百的实验成功。 这篇文章,就是仔细认真的讲一讲,我对IT学CNC编程难吗?大概要学多久
CNC编程难度较大,通常学员需要学习1到2年左右的系统学习才能掌握。CNC编程的学习特点是采用简单、习惯的语言对加工对象的几何形状、加工工艺、切削参数及辅助信息等内容按规则进行描述,再由计算机自动地进行数值计算、刀具中心运动轨迹计算、后置处理,产生出零件加工程序单,并且对加工过程进行模拟。
CNC编程学习需要掌握对于形状复杂,具有非圆曲线轮廓、三维曲面等零件编写加工程序,采用自动编程方法效率高,可靠性好。在编程过程中,程序编制人可及时检查程序是否正确,需要时可及时修改。
由于使用计算机代替编程人员完成了繁琐的数值计算工作,并省去了书写程序单等工作量,因而可提高编程效率几十倍乃至上百倍,解决了手工编程无法解决的许多复杂零件的编程难题。

扩展资料:
学CNC编程的相关注意:
1、白钢刀转速不可太快。
2、铜工开粗少用白钢刀,多用飞刀或合金刀。
3、工件太高时,应分层用不同长度的刀开粗。
4、用大刀开粗后,应用小刀再清除余料,保证余量一致才光刀。
5、平面应用平底刀加工,少用球刀加工,以减少加工时间。
6、铜工清角时,先检查角上R大小,再确定用多大的球刀。
7、校表平面四边角要锣平。
8、凡斜度是整数的,应用斜度刀加工,比如管位。
9、做每一道工序前,想清楚前一道工序加工后所剩的余量,以避免空刀或加工过多而刀。
10、尽量走简单的刀路,如外形、挖槽,单面,少走环绕等高。
汽车专业毕业生,想转行学数控编程,该怎么做?
我来说说我对数控的个人了解吧,想要做数控行业必须要能吃苦耐劳,因为数控行业是实践大于理论的,我也是做数控的,做了也有两年了,以下是我的真实工作经历。 学数控第一件事就是要学会操作机器,最少也得操机半年,具体的我就按照我学数控的时候一一列举出来吧。 第一阶段个学习数控机床的面板操作也就是最基础的操机, 第二阶段学习架模具,打表,分中,对刀。 第三阶段学习如何调机调参数,认识一些操作代码,也就是g代码和m代码。 上面三个阶段差不多需要一年时间,也就是说你可以自己独立操机调机了,后面就可以开始学编程了。 第四阶段就是开始学编程了,学编程第一部就是要学会看图和cad的一些基本操作,比如说转格式输出文件相关文章
- 详细阅读
-
如何把编程猫定制课的作品下载到电详细阅读
编程猫如何把编好的视频提取出来1、首先将编辑好的视频,按右键需要导出的角色,选择导出角色选项。
2、其次会生成一个编程猫的bcmp文件END1,在源码编辑器打开需要导入角色的作 -
数控编程求代码详细阅读
数控车床编程代码是什么?数控车床编程代码是G00快速定位指令,G01直线插补指令等。G00快速定位指令格式为G00XUZW,XZ为绝对编程时的目标点,UW为相对编程时的目标点,两轴同时以机床
-
智能语音打字多键可编程的鼠标吗?详细阅读
有没有可以语音打字的智能鼠标?可以,有一款狐狼的智能鼠标已经实现了语音的功能。什么鼠标可以语音输入文字?狐狼 智能鼠标就可以,狐狼智能鼠标运用的是 科大讯飞 的 语音识别 ,
-
avr课程基于Sam d21的编程详细阅读
AVR单片机课程设计(ATmega16芯片):如何用ICCAVR设计 IIR数字低通滤波器AVR单片机C语言开发入门指导(强烈推荐),内容涉及各种avr的编译器,一本书就可以学会ICC,CVA,IAR,GCC,等avr的
-
编程好好学的话,要学多久才能工作?详细阅读
从开始学编程到可以找工作大概要多久?从开始学编程到可以找工作大概要多久?学编程需要多长时间, 也要看个人的理解能力, 理解快的很容易上手。 其次,就是你的学软件开发的方式,是
- 详细阅读
-
以后想往量子通讯量子信息技术方面详细阅读
研究量子通讯大学选什么专业?研究芯片呢?做研究一般来说需要研究生毕业。 涉及通信和芯片的专业有很多。 通信的话,需要学电子学,电磁波,高数,编程,英语,这些基础课。 量子的话,需要
-
求助 vba 代码编程 有高手吗?详细阅读
求教vba高手!!分太少了,不可能每个题都给你写,写几个Sub第1题()
Dimn%,x%
n=Application.InputBox("请输入N值:",,,,,,,1)
Ifn=FalseThenExitSub
Forx=1Ton
IfxMod2=1Then
sum=s - 详细阅读
