求教vba高手!!分太少了,不可能每个题都给你写,写几个Sub第1题()
Dimn%,x%
n=Application.InputBox("请输入N值:",,,,,,,1)
Ifn=FalseThenExitSub
Forx=1Ton
IfxMod2=1Then
sum=s
若要设计一个24进制计数器,需要多少个计数器
用触发器实现一个24进制的计数器,需用几个触发器
5个怎么用10进制和3进制计数器设计24进制计数器?
用两片十进制计数器74LS160就可以,不必用3进制计数器。组成24进制计数器,利用反馈清0法,计数到24时,产生一个复位信号,使两个计数同时回0,实现改制,最大数是23。虽然利用24产生复位信号,但是并看不到24。逻辑图即仿真图如下所示,这是计数到最大数23时的截图。数码管,你可以不用画,那是为了显示仿真效果的。

用74160设计一个24进制计数器
可以利用反馈清0法。
74160与74LS160的功能完全相同,都是十进制计数器。组成24进制计数器,利用反馈清0法,计数到24时,产生一个复位信号,使两个计数同时回0,实现改制,最大数是23。虽然利用24产生复位信号,但是并看不到24,具体设计如下:

具体的作用:
74LS160芯片同步十进制计数器(直接清零)作用:
1、用于快速计数的内部超前进位;
2、用于n位级联的进位输出;
3、同步可编程序;
4、有置数控制线;
5、二极管箝位输入;
6、直接清零;
7、同步计数;
74ls160中的ls代表为低功耗肖特基型芯片,74160为标准型芯片,结构功能一样。
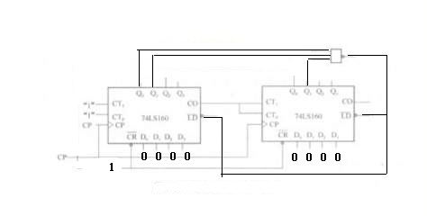
用74LS160设计一个24进制计数器,怎么做?
用74LS160设计一个24进制计数器,需要片74LS160,当计数到23时,十位为0010,个位为0011,取十位和个位中的3个为1状态的输出端,接到3输入与非门74LS10上,产生置数信号,加到两片74LS160的置数端LD上,两片的初值输入端全接地就可以了。
你的原图太小了,用来修改,不太清楚。

下图是仿真图,参考这个仿真图画也行,但是要省掉数码管,那是为了显示仿真效果的。

试用两片74LS161采用三种不同的方法设计一个24进制计数器
要设计一个24进制计数器,要用两片74LS161,分别 计十位和个位数。
但是,因为74LS161是四位二进制计数器,首先要把个位的改成十进制计数器,并产生一个进位信号送到十位计数器。这要用反馈置数法。而两位合起来组成24进制计数器,就利用计数24的值产生复位信号,使两片计数器回0,这只能用反馈清0法。一个计数器要改制,只有这两种方法,而这种方法都要用到一个电路上。因此,也只有一种方法来设计。做不出来三种不同的方法。这是什么要求。
仿真图如下,即是逻辑图。那两个数码管你不用画,是用来显示仿真效果的。

相关文章
-
求助 vba 代码编程 有高手吗?详细阅读
- 详细阅读
-
可编程序控制器的主要维护项目有哪详细阅读
可编程序控制器的常见故障怎样检修?可编程序控制器的常见故障这样检修:CPU故障:CPU出现故障,可编程序控制器将不能正常工作。主要故障点是CPU没有插好或松动,系统监控或支持程序
-
计算机的启动项是无序启动,vbs脚本详细阅读
设置开机启动项顺序开机时,电脑是按BIOS设置的设备启动顺序来加载的,如果要修改BOOT里的启动顺序,在电脑开机后,就不断按DEL键(也有按F1的\F2的,请查询您电脑对应的按键),不同
-
诺计算机发生蓝屏故障,则应该如何进详细阅读
蓝屏如何解决?如果您使用的是华为手机,手机在使用过程中出现蓝屏现象,请您按照以下方法排查:
1.强制重启设备
建议您强制重启设备。如果不能重启或重启后仍然出现蓝屏,可能是设备 -
编程题谁会!!!!详细阅读
这道java编程题谁会写?importjava.util.Scanner;
publicclassMain{publicstaticvoidmain(String[]args){//从键盘上输出一个字符串,假定字符串的长度小于80,将该串中出现的所 -
MATLAB抽样编程详细阅读
matlab 音频采样怎么实现 高手进在进行通讯和DSP等试验过程中,信号源是不可缺少的一个工具,很多设备是使用信号源来模拟检测实际目标,来验证设备的功能及可靠性。通常,对于研制
- 详细阅读
-
北京哪家公司有LED红外控制计算机详细阅读
北京博华科技有限公司怎么样北京博华科技有限公司是很不错的 北京博华信智科技股份有限公司(简称博华科技),成立于2006年,主要从事工业互联网、工业AI装备状态监测、健康管理,服
-
怎样用VAB编程,实现按键保存功能详细阅读
excel如何制作一个vba按钮,点一下之后让sheet1里面的部份数据,自动保存到sheet2里面?如果菜单栏没有“开发工具”选项卡,右击上方菜单栏空白处——自定义功能区,选中“开发工具”
