mcgs与西门子s7-1200 如何通讯,求大神指点1200和mcgs要用网口通讯,设置同一网断的IP地址即可,比如触摸屏设192.168.0.2,PLC设192.168.0.1.mcgs怎么与plc通讯一、需要一条松下PLC
PC机与通讯设备通讯为什么都采用RS232通讯?
RS232和RS485有什么区别?是什么意思?
RS-232与RS-485的区别在于:
1、传输方式不同
RS-232采取不平衡传输方式,即所谓单端通讯. 而RS485则采用平衡传输,即差分传输方式。RS-232采取不平衡传输方式,即所谓单端通讯.收、发端的数据信号是相对于信号地,如从DTE设备发出的数据在使用DB25连接器时是2脚相对7脚(信号地)的电平。
2、传输距离不同
RS-232适合本地设备之间的通信,传输距离一般不超过20m。而RS-485的传输距离为几十米到上千米。
3、传输单位不同
RS-232 只允许一对一通信,而RS-485 接口在总线上是允许连接多达128个收发器。典型的RS-232信号在正负电平之间摆动,在发送数据时,发送端驱动器输出正电平在+5~+15V,负电平在-5~-15V电平。

扩展资料
(1)接口的信号内容 实际上RS-232-C的25条引线中有许多是很少使用的,在计算机与终端通讯中一般只使用3-9条引线。
(2)接口的电气特性在RS-232-C中任何一条信号线的电压均为负逻辑关系。即:逻 辑“1”,-5— -15V;逻辑“0” +5— +15V 。噪声容限为2V。即要求接收器能识别低至+3V的信号作为逻辑“0”,高到-3V的信号作为逻辑“1”。
(3) 接口的物理结构 RS-232-C接口连接器一般使用型号为DB-25的25芯插头座,通常插头在DCE端,插座在DTE端. 一些设备与PC机连接的RS-232-C接口,因为不使用对方的传送控制信号,只需三条接口线,即“发送数据”、“接收数据”和“信号地”。
所以采用DB-9的9芯插头座,传输线采用屏蔽双绞线。
(4)传输电缆长度 由RS-232C标准规定在码元畸变小于4%的情况下,传输电缆长度应为50英尺,其实这个4%的码元畸变是很保守的,在实际应用中,约有99%的用户是按码元畸变10-20%的范围工作的,
所以实际使用中最大距离会远超过50英尺,美国DEC公司曾规定允许码元畸变为10%而得出的实验结果。
其中1号电缆为屏蔽电缆,型号为DECP.N.9107723 内有三对双绞线,每对由22# AWG组成,其外覆以屏蔽网。2号电缆为不带屏蔽的电缆。型号为9105856-04是22#AWG的四芯电缆。
参考资料来源:百度百科-通信接口
RS232与RS485口、RS422口有什么区别
这三种通讯端口都是串口,在以下几个方面有区别:
1、通讯距离
RS232口最大通讯距离是15米,而RS422/485最大通讯距离是1200米。
2、所连接设备个数
RS232只能连接一个设备,而RS485可以连接多个设备。
3、这三种端口的定义
RS232是标准接口,为D形9针头,所连接设备的接口的信号定义是一样的。
而RS422/RS485为非标准接口,一般为15针串行接口(也有使用9针接口的),每个设备的引脚定义也不一样。另外还需要说明的是,RS422和RS485也有区别:RS422为4线制,全双工模式;RS485为两线制,半双工模式。
RS-232、RS-422与RS-485都是串行数据接口标准,RS-232是PC机与通信中应用最广泛的一种串行接口。RS-232被定义为一种在低速率串行通讯中增加通讯距离的单端标准。RS-232采取不平衡传输方式,即所谓单端通讯,而RJ45接口通常用于数据传输,最常见的应用为网卡接口。

扩展资料:
RS-232是为点对点(即只用一对收、发设备)通讯而设计的,其驱动器负载为3~7kΩ。所以RS-232适合本地设备之间的通信。
RS422与RS-485串行接口标准,RS-422、RS-485与RS-232不一样,数据信号采用差分传输方式,也称作平衡传输,它使用一对双绞线,在早期PC通信中比较常见,RS-422的最大传输距离为4000英尺,最大传输速率为10Mb/s。
RS-485与RS-422一样,其最大传输距离约为1219米,最大传输速率为10Mb/s。平衡双绞线的长度与传输速率成反比,在100kb/s速率以下,才可能使用规定最长的电缆长度。只有在很短的距离下才能获得最高速率传输。一般100米长双绞线最大传输速率仅为1Mb/s。
232串口和485串口的区别
1、rs-485接口的最大传输距离标准值为4000英尺,实际上可达3000米,另外rs-232接口在总线上只允许连接1个收发器,即单站能力。
2、rs-485接口在总线上是允许连接多达128个收发器,具有多站能力,这样用户可以利用单一的rs-485接口方便地建立起设备网络。
3、rs232接口信号电平值较高,易损坏接口电路的芯片,又因为与ttl 电平不兼容故需使用电平转换电路方能与ttl电路连接。
4、传输速率较低,在异步传输时,波特率为20kbps;因此在南方的老树51cpld开发板中,综合程序波特率只能采用19200,也是这个原因。
扩展资料:
以往,PC与智能设备通讯多借助RS232、RS485、以太网等方式,主要取决于设备的接口规范。但RS232、RS485只能代表通讯的物理介质层和链路层,如果要实现数据的双向访问,就必须自己编写通讯应用程序,但这种程序多数都不能符合ISO/OSI的规范,只能实现较单一的功能,适用于单一设备类型,程序不具备通用性。
在RS232或RS485设备联成的设备网中,如果设备数量超过2台,就必须使用RS485做通讯介质,RS485网的设备间要想互通信息只有通过“主(Master)”设备中转才能实现,这个主设备通常是PC,而这种设备网中只允许存在一个主设备,其余全部是从(Slave)设备。
rs232、rs422和rs485通讯接口的区别?
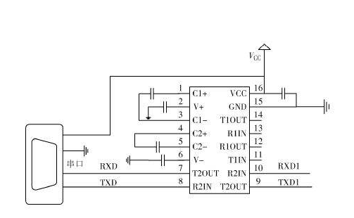
RS232与RS485是两个难搞清的东西,尽管它们非常不同。 \x0d\x0a1.什么是RS-232-C接口?采用RS-232-C接口有何特点?传输电缆长度如何考虑? \x0d\x0a答:计算机与计算机或计算机与终端之间的数据传送可以采用串行通讯和并行通讯二种方式。由于串行通讯方式具有使用线路少、成本低,特别是在远程传输时,避免了多条线路特性的不一致而被广泛采用。 在串行通讯时,要求通讯双方都采用一个标准接口,使不同 的设备可以方便地连接起来进行通讯。 RS- 232-C接口(又称 EIA RS-232-C)是目前最常用的一种串行通讯接口。它是在1970年由美国电子工业协会(EIA)联合贝尔系统、 调制解调器厂家及计算机终端生产厂家共同制定的用于串行通讯的标 准。它的全名是“数据终端设备(DTE)和数据通讯设备(DCE)之间 串行二进制数据交换接口技术标准”该标准规定采用一个25个脚的 DB25连接器,对连接器的每个引脚的信号内容加以规定,还对各种信 号的电平加以规定。 \x0d\x0a(1)接口的信号内容 实际上RS-232-C的25条引线中有许多是很少使用的,在计算机与终端通讯中一般只使用3-9条引线。RS-232-C最常用的9条引线的信号内容见附表1所示 \x0d\x0a(2)接口的电气特性 在RS-232-C中任何一条信号线的电压均为负逻辑关系。即:逻 辑“1”,-5— -15V;逻辑“0” +5— +15V 。噪声容限为2V。即 要求接收器能识别低至+3V的信号作为逻辑“0”,高到-3V的信号 作为逻辑“1” \x0d\x0a\x0d\x0a(3) 接口的物理结构 RS-232-C接口连接器一般使用型号为DB-25的25芯插头座,通常插头在DCE端,插座在DTE端. 一些设备与PC机连接的RS-232-C接口,因为不使用对方的传送控制信号,只需三条接口线,即“发送数据”、“接收数据”和“信号地”。所以采用DB-9的9芯插头座,传输线采用屏蔽双绞线。 \x0d\x0a(4) 传输电缆长度 由RS-232C标准规定在码元畸变小于4%的情况下,传输电缆长度应为50英尺,其实这个4%的码元畸变是很保守的,在实际应用中,约有99%的用户是按码元畸变10-20%的范围工作的,所以实际使用中最大距离会远超过50英尺,美国DEC公司曾规定允许码元畸变为 10%而得出附表2 的实验结果。其中1号电缆为屏蔽电缆,型号为DECP.NO.9107723 内有三对双绞线,每对由22# AWG 组成,其外覆以屏蔽网。2号电缆为不带屏蔽的电缆。型号为DECP.NO.9105856-04是22#AWG的四芯电缆。 附表2 DEC 公司的实验结果。 \x0d\x0a\x0d\x0a2. 什么是RS-485接口?它比RS-232-C接口相比有何特点? \x0d\x0a\x0d\x0a答: 由于RS-232-C接口标准出现较早,难免有不足之处,主要有以下四点: \x0d\x0a(1) 接口的信号电平值较高,易损坏接口电路的芯片,又因为与TTL 电平不兼容故需使用电平转换电路方能与TTL电路连接。 \x0d\x0a(2) 传输速率较低,在异步传输时,波特率为20Kbps。 \x0d\x0a(3) 接口使用一根信号线和一根信号返回线而构成共地的传输形式, 这种共地传输容易产生共模干扰,所以抗噪声干扰性弱。 \x0d\x0a(4) 传输距离有限,最大传输距离标准值为50英尺,实际上也只能 用在50米左右。 \x0d\x0a针对RS-232-C的不足,于是就不断出现了一些新的接口标准,RS-485就是其中之一,它具有以下特点: \x0d\x0a⊙ RS-485的电气特性:逻辑“1”以两线间的电压差为+(2—6) V表示;逻辑“0”以两线间的电压差为-(2—6)V表示。接口信号电平比RS-232-C降低了,就不易损坏接口电路的芯片, 且该电平与TTL电平兼容,可方便与TTL 电路连接。 \x0d\x0a⊙ RS-485的数据最高传输速率为10Mbps \x0d\x0a⊙ RS-485接口是采用平衡驱动器和差分接收器的组合,抗共模干能力增强,即抗噪声干扰性好。 \x0d\x0a⊙ RS-485接口的最大传输距离标准值为4000英尺,实际上可达 3000米,另外RS-232-C接口在总线上只允许连接1个收发器, 即单站能力。而RS-485接口在总线上是允许连接多达128个收发器。即具有多站能力,这样用户可以利用单一的RS-485接口方便地建立起设备网络。 \x0d\x0a因RS-485接口具有良好的抗噪声干扰性,长的传输距离和多站能力等上述优点就使其成为首选的串行接口。 因为RS485接口组成的半双工网络,一般只需二根连线,所以RS485接口均采用屏蔽双绞线传输。 RS485接口连接器采用DB-9的9芯插头座,与智能终端RS485接口采用DB- 9(孔),与键盘连接的键盘接口RS485采用DB-9(针)。 \x0d\x0a3. 采用RS485接口时,传输电缆的长度如何考虑? \x0d\x0a答:在使用RS485接口时,对于特定的传输线经,从发生器到负载其数据信号传输所允许的最大电缆长度是数据信号速率的函数,这个 长度数据主要是受信号失真及噪声等影响所限制。下图所示的最大电缆长度与信号速率的关系曲线是使用24AWG铜芯双绞电话电缆(线 径为0.51mm),线间旁路电容为52.5PF/M,终端负载电阻为100欧 时所得出。(曲线引自GB11014-89附录A)。由图中可知,当数据信 号速率降低到90Kbit/S 以下时,假定最大允许的信号损失为6dBV时, 则电缆长度被限制在1200M。实际上,图中的曲线是很保守的,在实 用时是完全可以取得比它大的电缆长度。 当使用不同线径的电缆。则取得的最大电缆长度是不相同的。例 如:当数据信号速率为600Kbit/S时,采用24AWG电缆,由图可知最 大电缆长度是200m,若采用19AWG电缆(线径为0.91mm)则电缆长 度将可以大于200m; 若采用28AWG 电缆(线径为0。32mm)则电缆 长度只能小于200m。\x0d\x0a\x0d\x0aRS-422标准全称是“平衡电压数字接口电路的电气特性”,它定义了接口电路的特性。实际上还有一根信号地线,共5根线。由于接收器采用高输入阻抗和发送驱动器比RS232更强的驱动能力,故允许在相同传输线上连接多个接收节点,最多可接10个节点。即一个主设备(Master),其余为从设备(Salve),从设备之间不能通信,所以RS-422支持点对多的双向通信。接收器输入阻抗为4k,故发端最大负载能力是10×4k+100Ω(终接电阻)。RS-422四线接口由于采用单独的发送和接收通道,因此不必控制数据方向,各装置之间任何必须的信号交换均可以按软件方式(XON/XOFF握手)或硬件方式(一对单独的双绞线)。 \x0d\x0a\x0d\x0aRS-422的最大传输距离为4000英尺(约1219米),最大传输速率为10Mb/s。其平衡双绞线的长度与传输速率成反比,在 100kb/s速率以下,才可能达到最大传输距离。只有在很短的距离下才能获得最高速率传输。一般100米长的双绞线上所能获得的最大传输速率仅为 1Mb/s。 \x0d\x0a\x0d\x0aRS-422需要一终接电阻,要求其阻值约等于传输电缆的特性阻抗。在矩距离传输时可不需终接电阻,即一般在300米以下不需终接电阻。终接电阻接在传输电缆的最远端。
电脑的USB出来的电压不是5V吗,为什么还要用RS232才能与单片机通信
首先usb和rs232是两个不同的标准。rs232和usb接口不能直接对接的。 首先,内部实现不一样,具体实现看协议 其次,usb电压是0~5v,rs232电压是-15v~+15v,直接对接后果可想而知 最后,usb和rs232的物理接口也是不一样的,具体自己查协议吧。 usb转rs232线的作用是把usb协议转换成rs232协议,并且输出的电平范围是-15v~+15v max232是把rs232的电平-15v~+15v转换到ttl逻辑电平0~5v。相关文章
- 详细阅读
-
安装一个计算机教室需要多少钱?详细阅读
50平多媒体教室建设需要多少钱正常的话3万左右就可以的。投影机 2700LM 2300元,100寸玻珠电260元,一体中控 300元,电磁白板 1650元,1.2米钢制多媒体讲桌 950元,推拉黑板 1150元,多
-
触摸屏与plc怎么通信?详细阅读
plc与触摸屏怎么通信当扫描用户程序结束后,PLC控制器就进入输出刷新阶段。在此期间,CPU按照I/O映象区内对应的状态和数据刷新所有的输出锁存电路,再经输出电路驱动相应的外设。
-
二手机买来发现有问题 拿去手机店详细阅读
新买的手机在保修期内出了质量问题店家不想退换应该怎么办法律分析:新买的手机在保修期内出现了故障问题,质量问题,店家不想给退换,应该怎么办?这应该找消协消协当面给你处理这个
-
WiFi 6无线技术通信模块有哪些特点详细阅读
说是电信全屋wifi用的是wifi6技术,这个wifi6有什么特点呢?Wi-Fi 6(原称:IEEE 802.11.ax)即第六代无线网络技术,是Wi-Fi标准的名称。是Wi-Fi联盟创建于IEEE 802.11标准的无线局域网
-
通信和电信有什么不同详细阅读
电信与通信有什么区别中国电信:南方固定电话,小灵通,上网等业务 中国网通:北方固定电话,小灵通,上网等业务 从整体实力来看,中国电信占据上风。 尽管中国电信经过了屡次拆分,但实力
-
电脑版海通通信设置中的网络设置怎详细阅读
电脑网络设置电脑网络设置在控制面板中,我们可以按如下方法打开:首先打开控制面板,进入【网络和Internet】选项;然后进入【网络和共享中心】选项;最后点击【管理无线网络】选项即
-
计算机 中央处理器 速龙II X4 加 g详细阅读
七彩虹gt1030的显卡AMDx4 860k的CPU 为什么玩英雄联盟帧率低卡求大神解答CPU弱 显卡也不太好,fps不高正常 团战卡 主要因素就是CPU单核性能差,这种速龙CPU就这个性能。单
-
通信GB箱的具体功能详细阅读
GPS 有什么作用基本功能和作用:1 、定时定位:定位车辆的位置(5-10M)、车辆行驶状态如:速度、方向、经纬度2 、历史轨迹回放:在地图上回放车辆过去某一时段内行驶的整个行驶路线。3
-
计算机的启动项是无序启动,vbs脚本详细阅读
设置开机启动项顺序开机时,电脑是按BIOS设置的设备启动顺序来加载的,如果要修改BOOT里的启动顺序,在电脑开机后,就不断按DEL键(也有按F1的\F2的,请查询您电脑对应的按键),不同
