聚好看教育上能看新东方的教育视频吗?能,不仅可以看新东方的很多视频课程,帮助孩子更好的学习,聚好看还和学而思、步步高、读书郎、德智、全品等一线顶尖品牌合作,这些品牌的视频
青鸟5142模块控制什么设备
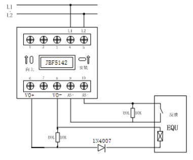
青鸟消防5142模块280度,防火阀怎么接线?

青鸟消防5142模块280度,防火阀怎么接线?【提问】
【回答】
信号线、电源线接到输入输出模块上,然后从输入输出模块出来两根启动线接到防火阀的启动端上,再从模块上出来两根回答线接到防火阀的回答端上。
排烟防火阀适用于通风、空调或排烟系统的管道上,选用阀门时应注意阀门的功能,如常开还是常闭、自动关闭开启、手动关闭开启、手动复位、讯号输出、远距离控制等要求。阀门的外壳厚度不得小于2mm。易融部件应符合消防部门的认可标准。【回答】
这是280防火阀的方法【回答】
青鸟5142模块接电梯怎么接
L1(端子4)、L2(端子5):接回路总线,无极性。
输入功能:
AS+(端子9)、AS-(端子10):接应答(无源触点)。
连接在AS+和AS-上的监视设备的动合端必须并联10KΩ终端电阻。
输出功能:
VO+(端子6)、VO-(端子8):接被控设备(脉动触点)。模块启动后VO+(端子6)和VO-(端子8)可以输出。【摘要】
青鸟5142模块接电梯怎么接【提问】
脉冲输出模块,只提供24V/100ms脉冲,不提供持续【回答】
【回答】
L1(端子4)、L2(端子5):接回路总线,无极性。
输入功能:
AS+(端子9)、AS-(端子10):接应答(无源触点)。
连接在AS+和AS-上的监视设备的动合端必须并联10KΩ终端电阻。
输出功能:
VO+(端子6)、VO-(端子8):接被控设备(脉动触点)。模块启动后VO+(端子6)和VO-(端子8)可以输出。【回答】
青鸟5142能持续输出电流吗
可以,原地址下加编二次命令208。电流输出130毫安,适合继电器使用青鸟消防5142模块切电怎么接?
脉冲输出模块,只提供24V/100ms脉冲,不提供持续

L1(端子4)、L2(端子5):接回路总线,无极性。
输入功能:
AS+(端子9)、AS-(端子10):接应答(无源触点)。
连接在AS+和AS-上的监视设备的动合端必须并联10KΩ终端电阻。
输出功能:
VO+(端子6)、VO-(端子8):接被控设备(脉动触点)。模块启动后VO+(端子6)和VO-(端子8)可以输出。
北大青鸟消防模块JBF5131都能接什么设备?
青鸟5131是输入模块,这个可以连接流量开关,低压压力开关和水流指示器以及信号阀一类的只需要输入的设备。相关文章
- 详细阅读
-
为什么教育部的文件落实不了详细阅读
教育部规定:不得要求家长检查批改作业,为何总是很难落实?虽然教育部已经提出相关规定,不得要求家长检查,批改作业,但是由于孩子的自控能力差,家长完全不陪同和检查作业确实是很难落
-
教育局投诉电话是多少详细阅读
中国教育局的举报电话多少?教育部设知立统一监督举报电话和邮箱接受社会监督。 监督举报电话:010-66092315/3315(7天×24小时服务,全年无休) 监督举报邮箱:12391@moe.edu.cn教育局
-
众享教育电脑上的网页版怎么进直播详细阅读
求助!!!我的电脑登陆后一直显示请稍后,就是进不去应该是客服说的兼容性问题,安装软件前先百度下那个软件跟挖64位win8兼容不,不兼容就不能安装,要用兼容的版本安装才行为什么我不能
-
海湾消防主机JB-QT-GST5000,总线的详细阅读
海湾消防主机JB-QT-GST5000火灾报警控制器(联动型)的常见故障及排除方法故障与异常处理: 当发生故障时,首先应按“消音”键中止警报声。然后应根据控制器的故障信息检查发生故
-
安博教育自主研发的新一批人工智能详细阅读
安博教育的IT教育培训怎么样?安博教育集团(NYSE:AMBO,以下简称安博)是提供高品质教育服务与学习服务的专业化机构,致力于为学生和机构的未来发展赋能。安博是“中国最具价值品牌
- 详细阅读
-
微信扫码登录不了江苏教师教育网站详细阅读
手机微信里江苏教师教育说登录信息丢失,怎么重新登录?显示信息丢失主要原因有:1、虽然密码帐户正确无误,但是输入密码时不区分大小写,这表明无法登录;2、该区域的网络状态也可能
-
为什么广东省继续教育系统在手机上详细阅读
为什么用手机登陆密码没错,用电脑就一直提示用户名或密码错误??您好,是对方的问题吧,等等看。 这种情况可能是用户名错误,但大概率还是密码错了,比如大小写之类的是否输错,只要密码
- 详细阅读
