设计流域缺乏实测流量资料时,可通过哪些途径间接推求设计洪水?至少举出三种方法的缺乏实测年径流量资料时年际变化的计算,关键是通过其他间接资料确定统计参数Cv、Cs、和多年
抢答器的控制设计
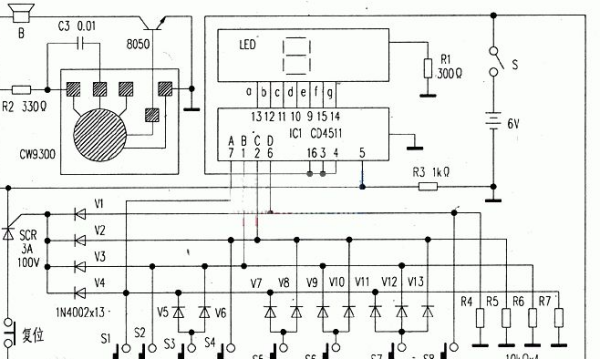
抢答器的的设计原理 及图
电路原理如附图,它由IC1和一个编码开关以及控制器等组成。编码开关是由IC1中的输入端A、B、C、D与二极管和按键组成。

验证编码开关是否正确,只要按住任意一个按键。使它有一个正电平输入,数码管就会显示相应的数字来。A、B、C、D这四条编码线。
分别是1、2、4、8。3则是由1+2同时输入一个正电平获得,5则由1+4获得,6则由2+4获得,7则由1+2+4获得,二极管是起反向截止作用的。
扩展资料:
抢答器,原理:如果为四路,当其中任一路控下后,其他几路即失效,结果为第一次按下的,可以用数码管或是LED灯来显示,当然这里只是讲原理与编程,具体可以根据抢答器路数及显示方式更改程序即可。
源程序如下:
/*用的是AT89S52开发板,独立按键接口如下,就用这四路。先按下的用LED灯来显示,对应第一个到第四个LED灯,其他再按无效,如果想再次实现,可手动复位单片机*/#include
sbit key1=P3^0; //定义按键,根据需要连接线路,如独立按键(4路)
sbit key2=P3^1;
sbit key3=P3^2;
sbit key4=P3^3。
参考资料来源:百度百科-抢答器
四人抢答器如果设计?
一设计任务
数字式竞赛抢答器
二设计条件
本设计基于学校实验室Multisim8.0仿真软件和计算机.
三设计要求
1、设计制作一个可容纳4组的数字式抢答器,每组设置一个抢答按钮供抢答者使用。
2、根据数字式抢答器的功能和使用步骤,设计抢答者的输入抢答锁定电路、抢答者序号编码、译码和显示电路。
3、设计定时电路,声、光报警或音乐片驱动电路。
4、设计控制逻辑电路,启动、复位电路。
我的设计内容
1.设计思想
根据设计的要求分块设计抢答、锁存、计时、显示、和报警功能。
(1)抢答和锁存电路要求能够对信号进行存储和所定,可用触发器组成。
(2)对于显示部分就直接用编码器、七段数码管驱动译码器和七段数码管组成。
(3)计时电路是按秒进行倒计时,所以计时电路可以减法计数器、秒脉冲生成电路、和显示电路。由于电路对秒脉冲信号的占空比要求的不高所以可以用555定时器构成多谐振荡电路来实现.
(4)报警电路,按题目要求可采用声、光报警,光报警用发光二极管电路实现声报警用蜂鸣器来实现。
各个模块设计好后要把各个模块组合起来进行调试,主要是解决题目中要求的多个锁定问题:
(1)抢答后抢答电路的锁定功能。
(2)抢答后计时器的锁定功能。
(3)计时结束后无人抢答时抢答电路的锁定功能。
(4)计时结束后无人抢答时计时器的锁定功能
抢答器是通过设计电路,以实现如字面上意思的能准确判断出抢答者的电器。在知识竞赛、文体娱乐活动(抢答赛活动)中,能准确、公正、直观地判断出抢答者的座位号。更好的促进各个团体的竞争意识,让选手门体验到战场般的压力感。
传统抢答器只是大概判断出抢答成功或犯规选手台号,无法显示出每个选手的抢答时间。而今抢答器可以通过数据来说明裁决结果的准确性、公平性。使比赛大大增加了娱乐性的同时,也更加公平、公正。新增无线抢答器更是抢答器史上的一大改革。
搭配全新升级版软件,采用嵌入式PPT设计,可支持三种格式题库导入(文本文档、WORD、Excel),15O道题导入只需20秒,导入的题目直接以PPT方式展现,可直接在展现页面进行题目再修改。此款软件还提供多种背景模板,供客户选择使用,点击任何一款即可自动导入到题目中。非常简单便捷。
抢答器PLC控制系统设计
(1) 抢答器同时供8名选手或8个代表队比赛,分别用8个按钮S0 ~ S7表示。 (2) 设置一个系统清除和抢答控制开关S,该开关由主持人控制。 (3) 抢答器具有锁存与显示功能。即选手按动按钮,锁存相应的编号,扬声器发出声响提示,并在DPY_7-SEG七段数码管上显示选手号码。选手抢答实行优先锁存,优先抢答选手的编号一直保持到主持人将系统清除为止。 2.扩展功能: (1) 抢答器具有定时抢答功能,且一次抢答的时间由主持人设定(如30秒)。当主持人启动"开始"键后,定时器进行减计时。 (2) 参赛选手在设定的时间内进行抢答,抢答有效,定时器停止工作,显示器上显示选手的编号和抢答的时间,并保持到设计一个三路抢答器PLC控制
三路抢答器为A、B、C
X1为A路抢答按钮,Y1为A台指示灯,X2为B路抢答按钮,Y2为B台指示灯,X3为C路抢答按钮,Y3为C台指示灯,X4为复位按键,X5为抢答按钮,Y5为答题指示灯,X6为正确按钮,M4为播放音乐,M5为小奖品。(因为问题4,你给的条件太少我只能用辅助继电器M4、M5来表示)T0为两秒计时,T1为14秒计时(梯形图如下)

用西门子s7-200plc设计一个八位抢答器控制系统
2010数字电路课程设计论文 数字抢答器设计 系 部: 电气系 班 级:093341 学 号:01 学生姓名: 廖 继 武 指导教师: 龙 治 红 专 业: 电子信息工程 2010 年12月12日 目录 摘要 I 第1章 绪论 1 第2章 抢答器的系统概述 2 2.1设计任务及要求 2 2.2 设计方案论证 3 2.3 抢答器的工作原理 4 2.4优先判断与编号锁存电路 错误!未定义书签。 第3章 抢答器的单元电路设计 6 3.1抢答器设计中的优先编码电路 7 3.2抢答器设计中的定时电路 9 3.3抢答器设计中的报警电路 10 3.4抢答器设计中的时序控制电路 9 3.5七段显示译码器与数相关文章
- 详细阅读
-
PLC传送带八段速度设计还有MCGS编详细阅读
MCGS嵌入版和西门子pLC相连,其控制的梯形图在哪个软件编程?PLC的程序用STEP7或者博图。PLC的编程软件都是固定的,互不通用的。MCGS嵌入版软件只能编辑MCGS触摸屏的组态,编辑不了
-
计算机毕业设计毕业论文哪里下载的详细阅读
计算机毕业设计下载哪儿靠谱去“58毕业论文网”找找看,里面有很多论文和毕业设计。可以免费下载。毕业设计的范文都能在那些比较好的网站下载或参考毕业论文的话,你可以从学校
- 详细阅读
-
C++语言设计02290详细阅读
什么是C语言程序设计?什么是C语言?C语言的简介。
C语言是一种计算机程序设计语言,它既具有高级语言的特点,又具有汇编语言的特点。
它可以作为工作系统设计语言,编写系统应用程序 -
有设计大神知道要做这样的图片需要详细阅读
制作平面设计图使用什么软件?做平面设计常需的软件有:1、Photoshop2、CorelDRAW3、Illustrator;4、InDesign,推荐翼狐网学习推荐翼狐网,性价比高,低成本学习,价格比线下培训要低非
-
CAXA实体设计中布尔加如何取消?详细阅读
我刚刚学习caxa实体设计1、点击主菜单上的 新建零件就可以建新的设计模版。 2、如果有出现关掉当前零件设计模版就行。 3、点击工具栏中的常用,查看窗口,看看是否有多的窗口,点
-
适合设计找素材,找灵感的软件有没有详细阅读
设计师们,推荐几个好用的设计类APP?一、 DribbbleDribbble 是一个面向创作家、艺术工作者、设计师等创意类作品的人群,提供作品在线服务,供网友在线查看已经完成的作品或者正在
-
汽车电子硬件设计详细阅读
谁能提供汽车ECU 软件和硬件的开发流程,不胜感激!V型开发过程 汽车电子里面V型开发过程是非常流行的:机构,硬件,软件,系统,测试五个部分都有各自不同的V型,在这里根据一些开放的资料
- 详细阅读
