89C51与六位一体的共阴数码管动态驱动程序可以采用动态扫描,不止驱动一个七段数码管,4个都没有问题 公共端需要IO口通过三极管驱动,不然负载太大IO口承受不住,其他端口可以直接I
声控芯片6脚
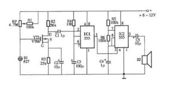
声控报警器原理
原理图

电路简单分析
压电陶瓷声传感器被声波激发后输出脉冲电信号,经过场效应管VT1(场效应管具有很高的电压增益)放大后由漏极D输出,通过耦合电容C1触发单稳态触发器,单稳态触发器受低电平或脉冲下降沿的触发而翻转,IC1的3脚输出低电平,而此时,单稳态触发器将输出为高电平,振荡器开始工作,发出报警声,电路进入暂稳定状态。而在多谐振荡器中,电源通过R4向C3充电,约2ms后,C3充电电压升高到6脚的阈值电压,触发器自动翻转,3脚恢复低电平,电路进入稳态。而报警声的频率可由R5、R6以及C4的数值决定。
电源管理芯片Mlp6S10引脚功能及参数?
电源管理芯片引脚定义1、VCC电源管理芯片供电2、VDD门驱动器供电电压输入或初级控制信号供电源3、VID-4CPU与CPU供电管理芯片VID信号连接引脚,主要指示芯片的输出信号,使两个场管输出正确的工作电压。4、RUNSDSHDNEN不同芯片的开始工作引脚。5、PGOODPGcpu内核供电电路正常工作信号输出。6、VTTGOODcpu外核供电正常信号输出。7、UGATE高端场管的控制信号。8、LGATE低端场管的控制信号。9、PHASE相电压引脚连接过压保护端。10、VSEN电压检测引脚。11、FB电流反馈输入即检测电流输出的大小。12、COMP电流补偿控制引脚。13、DRIVEcpu外核场声控流水灯电阻如何区分?
摘要:完成一款声控流水灯的课程设计,通过CD4017的10个译码输出端控制十个发光二极管的发光,利用音频信号作为CD4017的脉冲输入,使十个发光二极管像流水一样闪动。 关键字:CD4017;发光二极管 一、设计任务 利用音频输入作为脉冲控制发光二极管的发光情况,电路能够调节声音的灵敏度和发光的亮度。 十进制计数器/脉冲分配器,CD4017是5 位Johnson 计数器,具有10 个译码输出端,CP, RESET,INH三个输入端。时钟输入端的斯密特触发器具有脉冲整形功能,对输入时钟脉冲上升和下降时间无限制。INH为低电平时,计数器在时钟上升沿计数;反之,计数功能无效。CR为高电平时,计数器清楼道声控开关怎么接线才对?
以楼道感应延时开关86型节能灯二线声光控开关为例,接线方法如下图:

1.将零线接灯上不用过开关,火线剪断,一端接在灯上,另外一端接在开关上。
2.别的开关在接线方式上与上图86型开关接线方式基本相同。
3.灯一直亮但是不能暗下来的原因是,你把开关并联进电路里了,开关相当于被灯短路了。(解决: 同(1)把火线剪开,然后将开关串联到电路里面就可以了。)
扩展资料
1.声控延时开关电路图:
该电路如下图所示,它由电源电路、声控电路、光控电路和延时电路四部分组成。
2.电路原理如下:

(1)被控制的对象是普通灯泡(适合100W以下的灯泡),220V交流电与灯泡串联后接整流全桥,经整流全桥后得到脉动直流电,提供给晶闸管vs和控制电路使用。
(2)由于脉动直流电压在200V左右则通过R1(150k)降压后提供给控制电路使用,VD1在此具有双重作用,利用它的正向特性稳压,同时利用工作时发光作电源指示灯。
(3)C1为滤波电容与VD1配合,为控制电路提供稳定的直流电(约1.5—2V之间)。控制电路由R2、MC驻极体话筒、C2、R3、R4、VT1(9014三极管)组成。
(4)白天或周围环境光线较强时,光敏电阻的阻值约1kΩ左右,由电路可知,光敏电阻与VT1的c、e两极并联。因此VT1的集电极电压始终处于低电位,此时即便有声响,电路也无反应,正好符合了白天不工作的要求。
(5)到了夜晚,光敏电阻的阻值上升到1MΩ左右,对VT1解除了钳位作用,此时VT1处于放大状态,如果无声响,VT1的集电极仍为低电位,晶闸管因无触发电压而关断。当拍手时声音信号被MC接受,驻极体话筒两端电压变小,通过C2影响VT1基极电位下降,使集电极电位上升,触发晶闸管导通(灯亮)。
(6)因为VT1基极电位的下降,导致C2通过R3缓慢的充电,使VT1的基极电位回到原来使VT1正常放大的状态,晶闸管关断,电灯熄灭。
(7)对元器件的要求:整流全桥采用1A600V(或4只1N4007);VS单向晶闸管1A600V;VT1(9013或9014均可);VD1发光二极管(型号不限);RG光敏电阻:亮阻1kΩ左右、暗阻1MΩ左右。
注意事项:
当电路第一次接通电源时,会自动点亮,属正常现象,这是电源接通瞬间产生脉冲电压造成的误触发。另外需要说明的是R4的阻值越小灵敏度越高,如果灯泡无法延时熄灭,一般是由于R4阻值选取过小所至,经实验取10kΩ可以满足一般环境的要求。
声控灯白天为什么不亮?
声控灯内部电路实际上是由声控和光控两部分组成的。白天光线较强,声控灯内部的光控电路起作用,使声控电路“失效”,故白天声控灯不会点亮。
纯粹的声控灯只有声音控制,不管白天还是晚上,只要有声音就会亮灯,还有纯粹的光控灯,只要光线按到某种程度,灯就会亮,而声光控灯一方面受声音制约,另一方面也受光线制约。

扩展资料:
声光控电路的主回路由全桥整流器和晶闸管组成,通过控制晶闸管导通来点亮灯泡,控制电路主要由光控电路、声控电路和延时电路组成。
1、当白天或者光线较强时,光敏电阻的阻值较低,三极管Q2基极的分压较小,无论是否有声音的激发,Q2一直处于截止状态,PNP三极管Q3的基极为高电平,Q3截止,晶闸管的控制端为低电平,晶闸管截止,灯泡不亮。
2、当晚上或者光线较弱时,光敏电阻的阻值变大,若声控电路有信号激发,光敏电阻的分压足以使Q2导通。
3、当没有声音(或声音较小)时,Q1的基极为高电平,Q1导通,拉低Q2的基极,Q2截止,Q3截止,晶闸管的控制端为低电平,晶闸管截止,灯泡不亮;当声音较大时,声音信号被麦克风接收到。
当音频信号的负半周经过电容C2耦合到Q1的基极时,Q1的基极为低电平,Q1截止,光敏电阻的电压较高,Q2导通,Q3导通,为电容C4快速充电,充满时,晶闸管的控制端为高电平,晶闸管导通,灯泡点亮。
4、当声音消失时,电源给电容C2充电,当C2充满时,Q1恢复导通状态,Q2截止,Q3截止,当电容C4的电量放完时,晶闸管恢复截止状态。当再次有声音时,C4又恢复充电,再次点亮灯泡。
相关文章
- 详细阅读
-
玩妄想山海硬件配置暂不支持该游戏详细阅读
我的手机是安卓6.0版本,为什么打不了妄想山海?手机硬件性能太低,系统版本也不高,“妄想山海”这个游戏玩不了的。 想要玩手机网络游戏,建议买个中高端的手机,起码3000元档的。下
-
华硕 P8B75-M LE(英特尔 B75 Expres详细阅读
求问以“华硕 P8B75-M LX PLUS主板”为基础的升级B75主板的话三代U都可以换,你这个上到i7-3770,性能和i5-7600差不多,性能还是可以的 显卡的话可以上到GTX1050TI 你这个主板带
-
麦克风没有声音,求大神教我是硬件原详细阅读
我的电脑麦克风没声音,怎么回事我认为我也碰到过楼主所说的电脑没声音问题,感染了Dsound.dll病毒的原因,也会造成电脑没声音: 1.想要完美解决“电脑没声音怎么办”这一问题,以及
-
硬件:还记得两年前爆红的抛飞无人机详细阅读
硬件:还记得两年前爆红的抛飞无人机Lily吗已经倒闭了,之前的预定的钱也会退回给用户,还是大疆发展得不错,新品频发,黑科技层出 DJI(大疆创新)是目前消费级无人机做得最好的公司,在全
-
程序是由STEP7 V5.5编程的 可以给6详细阅读
西门子plc编程软件STEP7 V5.5 和 V11有什么区别?v5.5用于s7-300 s7-400是老版本的编程软件,现在西门子最新编程软件v11中文名叫博图,使用所见即所得的组态和联网方法,现在已更新
- 详细阅读
-
帝国时代3 direct3d 未正确安详细阅读
帝国时代3安装好后 进入游戏的时候提示Direct3D初始化失败Direct3D初始化失败 可能的原因是显卡驱动过老或者不正确 硬件加速没有起用 Direct3D没有正常安装 建议更新驱动
-
苹果电脑一体机能升级硬件吗?详细阅读
苹果一体机,能升级一下硬件么请您尽快处理这个问题 答案是否定的,我也非常遗憾,苹果一向小气,这个IMAC根本就不是买回来让你升级的。意见看起来比较残酷,没办法啊,这就是生活。 显
-
单片机用正弦波码产生正弦波信号和详细阅读
利用单片机怎么产生正弦波信号 单片机 外接AD转换芯片 再加运放 通过一定的控制程序就可产生正弦波。 实现方法: 1、通过单片机DA来实现,需要通过查表法; 2、通过P
