java.sql.SQLException: No suitable driver found能不能把你代码贴出来下,这样猜的模糊!你说没错,不一定没错!还要问问题呢,还要注意问法,比如再加上你用何种数据库啊等等!出现这
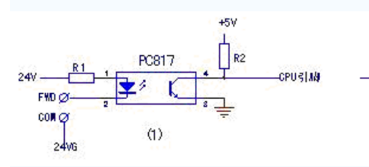
怎样用PC817驱动推挽电路
我用光耦是PC817的,。,,不知道这个接线怎么接。。那些脚怎么看,,,请各位大哥帮忙下。
5K的电阻不要,5V电源接继电器的线圈的一端,线圈的另一端接现在图中输出端的5V,这样就可以驱动了。

用数字表测二极管的方法分别测试两边的两组引脚,其中仅且仅有一次导通的,红表笔接的为阳极,黑表笔接的为阴极(指针表相反)。且这两脚为低压端,也就是反馈信号引入端。
当输入端加电信号时,发光器发出光线,照射在受光器上,受光器接受光线后导通,产生光电流从输出端输出,从而实现了“电-光-电”的转换。
普通光电耦合器只能传输数字信号(开关信号),不适合传输模拟信号。线性光电耦合器是一种新型的光电隔离器件,能够传输连续变化的模拟电压或电流信号,这样随着输入信号的强弱变化会产生相应的光信号,从而使光敏晶体管的导通程度也不同,输出的电压或电流也随之不同。
PC817光电隔离,三极管继电器这个驱动电路不能正常工作,如何改进啊?
图中有二个原则性的错误: 一是P1.0的输出,P1.0的高平输出上拉电流不足mA数量级,所以无法用高电平驱动PC817。解决办法是改用低电平驱动或中间加一级三极管缓冲。 二是图中Q1的输出用了射极输出,射极输出电压VO=VCC-VR-Vbe,VR是R9上的电压降,由于继电器需要的驱动电流较大,R9的值又比较大,所以VR也较大,导致VO减小。解决办法是用集电极输出驱动。用光耦PC817 如何设计12脚加直流5V电源,需要串个多大的电阻,34脚要输出直流5V电压,如何设计电路。
楼上那位你好像在胡说八道啊!!你是老师的话,就是误人子弟啊。PC817的发光二极管是1.1V左右的。如果5V驱动,只串几欧姆的电阻,这个光耦马上烧掉发光管。还说老师呢。。。无言 PC817用5mA驱动,在电源到光耦1脚串入470~1K的电阻都可以。 34脚这边,最大驱动能力50mA.如果够得话,直接集电极接5V,发射极接输出。用在单片机等可以。 如果要带比较重的负载。请加功率管放大,可以加个MOS管,用SI4410就很好,电流达到3A都没问题。。 。PC817输入电压3.3v要接多少的电阻才能驱动而且不烧坏430单片机?
PC817是线性光耦,如果是单纯开关量输出的话,可以用普通光耦,如TLP521
他的额定驱动电流为50MA,大于51单片机每个引脚的灌电流(和430应该差不多吧),
因此是不能直接用单片机驱动的,需要使用三极管或驱动芯片驱动.

应用PC817时,怎样确定PC817输入端(二极管两端)的电压?
用一只指针式万用表即可判别光电耦合器。笔者以四脚型光电耦合器PC817为例,说明其判别方法。 在光电耦合器内部,包含一只发光二极管和一只光敏三极管。 1. 判断发光二极管的管脚。 用MF30万用表R×1kΩ挡,对四只管脚中任意两脚进行正反向测量,如果有一次表针指数为无穷大,但表笔互换后有30kΩ左右的电阻值,此时黑表笔所接的管脚即为发光二极管的正极,红表笔所接的管脚为发光二极管的负极。 2. 判断光敏三极管的集电极与发射极。 光电耦合器中的光敏三极管通常为NPN型,它与普通的NPN型硅三极管有许多相似的地方。用万用表R×10kΩ挡,对PC817剩余的两脚进行测量。如果有一次电阻为无穷大,而交换相关文章
- 详细阅读
-
索尼 MZ-N10驱动详细阅读
MD索尼MZ-N10可以用SonicStage3.4这个驱动吗?(急)理论上能用! 但是 根据本人 多年使用经验! 最好降低 SS 版本! 装个低一点儿的 2.0 ! 版本太高未必是好事儿 (因为你的机子是 N10)
- 详细阅读
-
求求各位大佬救救孩子吧,笔记本相机详细阅读
笔记本相机出现错误,摄像头打不开根据你的描述,可能有三个原因:1、安全防病毒软件阻止调用摄像头;2、相机驱动程序没安装好,或版本不匹配;3、设备管理器中相机(摄像机)被禁止,没启用
-
该如何实现DC-DC变换器电路控制方详细阅读
dc/dc的工作原理与电路图。 dc/dc的工作原理与电路图: 工作原理: 下图是根据实物剖析而来,电源经D2、R1为IC1提供+12V左右的电压,6脚输出脉冲经C4和变压器耦合后驱动Q1
-
用74LS153和必要的门电路设计一个3详细阅读
数电问题!跪求高手!!用数据选择器 74LS153和与非门设计一个三变量奇偶判断电路。根据74153的功能表(见附图)可以发现,153芯片的选通信号输入只有两个,即A0和A1,而输入变量有三个,所以
-
请问以我下面的配置,还有没有比这个详细阅读
请问显卡驱动有必要更新吗??这个是我的配置!!请高手解决疑问一下!你的显卡型号比较新,通常最新的显卡驱动都会主要对较新的显卡进行一些微调和优化,如果你现在使用的驱动不存在问题
-
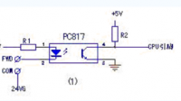
PC817怎样驱动场管详细阅读
光耦是PC817的,这个接线怎么接?5K的电阻不要,5V电源接继电器的线圈的一端,线圈的另一端接现在图中输出端的5V,这样就可以驱动了。用数字表测二极管的方法分别测试两边的两组引脚,
-
皮带传动机构中的被驱动部分怎么称详细阅读
摩托车皮带传动发动机那个位置叫什么日摩托车发动机各部位的名称如下: 顶上部分叫做气缸盖,气缸盖往下是缸头,缸头再往下叫中缸,里面有缸筒、活塞。左边的边盖叫左边盖,里面
-
xr550索尼摄像机内部电源输入端电详细阅读
索尼HDR-Xr500开机没有画面怎么回事很多时候我们会遇到按动计算机开机键后,计算机无法启动,没有任何开机自检或进入操作系统的现象,常常使用户无法处理和影响正常使用。在此我
