摩托车皮带传动发动机那个位置叫什么日摩托车发动机各部位的名称如下: 顶上部分叫做气缸盖,气缸盖往下是缸头,缸头再往下叫中缸,里面有缸筒、活塞。左边的边盖叫左边盖,里面
PC817怎样驱动场管
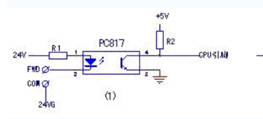
光耦是PC817的,这个接线怎么接?
5K的电阻不要,5V电源接继电器的线圈的一端,线圈的另一端接现在图中输出端的5V,这样就可以驱动了。

用数字表测二极管的方法分别测试两边的两组引脚,其中仅且仅有一次导通的,红表笔接的为阳极,黑表笔接的为阴极(指针表相反)。且这两脚为低压端,也就是反馈信号引入端。
当输入端加电信号时,发光器发出光线,照射在受光器上,受光器接受光线后导通,产生光电流从输出端输出,从而实现了“电-光-电”的转换。
普通光电耦合器只能传输数字信号(开关信号),不适合传输模拟信号。线性光电耦合器是一种新型的光电隔离器件,能够传输连续变化的模拟电压或电流信号,这样随着输入信号的强弱变化会产生相应的光信号,从而使光敏晶体管的导通程度也不同,输出的电压或电流也随之不同。
PC817光电隔离,三极管继电器这个驱动电路不能正常工作,如何改进啊?
图中有二个原则性的错误: 一是P1.0的输出,P1.0的高平输出上拉电流不足mA数量级,所以无法用高电平驱动PC817。解决办法是改用低电平驱动或中间加一级三极管缓冲。 二是图中Q1的输出用了射极输出,射极输出电压VO=VCC-VR-Vbe,VR是R9上的电压降,由于继电器需要的驱动电流较大,R9的值又比较大,所以VR也较大,导致VO减小。解决办法是用集电极输出驱动。PC817输入电压3.3v要接多少的电阻才能驱动而且不烧坏430单片机?
PC817是线性光耦,如果是单纯开关量输出的话,可以用普通光耦,如TLP521
他的额定驱动电流为50MA,大于51单片机每个引脚的灌电流(和430应该差不多吧),
因此是不能直接用单片机驱动的,需要使用三极管或驱动芯片驱动.

单片机版驱动一个mosfet
亲!单片机驱动mosfet一般都需要隔离的,因为工作电压差别比较大,而且单片机一般是5V以下,很多mosfet的驱动电压要求10V以上才能完全导通
简单一点的你可以用个光耦做隔离,单片机PWM连接光耦的输入(要加限流电阻),光耦输出通过一个电阻连接mosfet电源或者S极
你可以参考下图,是我自己做的,调节有刷直流电机转速的基本原理,其它外设没有画。负载是一个普通的直流有刷电机,用的PC817光耦隔离单片机和电机电路。51单片机输出PWM控制PC817的导通关断从而间接控制mosfet的通断,改变PWM占空比可以调节电机转速。R1是PC817的限流电阻,R2是因为V比较高,所以要调节到mosfet允许的驱动电压范围,多数的mosfet都是10V以上可以接近完全导通,此时损耗比较小,但一般小于15V,因为很多MOSFET栅极允许电压都要求不高于20V,留几V做设计余量,可以理解为高铁设计时速400,实际只跑300一样的道理

pc817工作原理是什么
pc817工作原理如下: PC817是一种把红外光发射器件和红外光接受器件以及信号处理电路等封装在同一管座内的器件。当输入电信号加到输入端发光器件LED上,LED发光,光接受器件接受光信号并转换成电信号,然后将电信号直接输出,或者将电信号放大处理成标准数字电平输出,这样就实现了“电-光-电”的转换及传输,光是传输的媒介,因而输入端与输出端在电气上是绝缘的,也称为电隔离。 pc817是光耦合器的一种类型。光耦合器(opticalcoupler,英文缩写为OC)亦称光电隔离器或光电耦合器,简称光耦。它是以光为媒介来传输电信号的器件。相关文章
- 详细阅读
-
为何某些电脑硬件流行RGB灯效详细阅读
DIY电脑主机的RGB什么时候开始兴起的?就描述,很久前就开始带了。10年前就有了。只不过那会DIY的人少,配高性能需求的电脑更少,基本办公机。显卡要是有个GTX650就不得了,可能整个
- 详细阅读
-
windows11硬件识别错误,这是bug?详细阅读
Windows11出现了严重Bug,具体是什么Bug?任务栏有右键闪避的情况,无法选中右键相应的窗口。微软公司在今年6月推出全新的windows11,目前仍然处于测试阶段。虽然微软保密工作做得
-
驱动之家SCX-4521F免费驱动安装详细阅读
三星打印机4521f驱动怎么安装第一步:将打印机连接至主机,打开打印机电源,通过主机的“控制面板”进入到“打印机和传真”文件夹,在空白处单击鼠标右键,选择“添加打印机”命令,打
-
U盘没办法使用,说找不到驱动程序。详细阅读
u盘重装系统找不到任何设备驱动程序方法一:可能是usb口出现问题。这时候可以选择重新插拔usb口尝试。方法二:换个usb口试试可能是单独这个usb口出现问题,可以选择另外的usb口重
-
GA-880G-UD3H (rev. 1.x)芯片组驱详细阅读
技嘉880g-ud3h可以装win10系统吗观看主板是无法判断,不过一般电脑都可以安装win10,因为它运行时所需要的硬件资源是比较低,比win7和win8要求低。技嘉GA-880G-UD3H用哪个版本的
-
为何懂电脑硬件的人,少有使用AMD的详细阅读
为什么懂电脑的人只买intel,不买性价比高的AMD?在桌面级电脑处理器行业,在激烈的竞争之下,目前仅剩下两个公司,那就是intel和AMD。这两家公司的处理器产品各有特色,但是更多人的更
-
哪位大神能讲讲c++怎么卸载某个正详细阅读
如何正确彻底的卸载驱动1、在电脑桌面上找到此电脑,用鼠标右键打开菜单。2、在打开的菜单界面中,找到属性选项,并点击进入。3、在打开的属性面板页面中,点击左侧的设备管理器选
- 详细阅读
