倍压电路为什么能升压上去? "倍压电路为什么能升压上去"的原理如下:
1、倍压整流电路图: 2、工作原理:按上图图示,
负半周时,D1导通,其他二极管皆截止,电容器C1充电到
Q6上电就自己导通了,为什么啊?Q8没导通,去掉Q8还是Q6一上电自己导通了。求助大神
请帮我分晰这个复位电路的工作原理
正常情况下,pa0为3.3,pa2为3.3,q8截止,q6截止,rst为vdd电平都为3.3V 按下pa0开关,q8导通,因pa2为3.3V所以q6不导通,rst同为vdd电压=3.3V 按下pa2开关,由于q8不导通,q6同不导通,rst同为vdd电压=3.3V 按下pa0、pa2,q8导通,pa2为地,q6就导通,rst为低。热水器电子打火原理是什么
下图是一个燃气热水器通用的电子点火电路,工作过程如下:图中K是水压开关,当打开水龙头后K将接通3V的电池组,电路开始工作。由于C2需要一定的充电时间,此时Q6处于截止状态,电源通过两个电阻对C3进行充电,充电电流使得Q7导通,Q8导通。Q8的导通使得供气(煤气)电磁阀BK的启动绕组得电,煤气阀门打开,开始向热水气供气。 由于Q8的导通使Q4也导通,振荡管Q5得到偏置而开始工作,并通过Q9、C1、B2产生脉冲高压,使点火嘴产生放电火花,从而完成点火的过程。 点火后,火焰传感器将产生电动势使Q3、Q2导通,Q2的导通使电路中的A点电位下降,Q4截止,振荡管Q5因失去偏置电压而停止工作,火花放电停止求助图中充电保护电路工作原理,Q8,R113,R116,ZD1是怎么算各自的电压
1,Q6是一个PMOSFET,也就是当栅极为低电位的时候就会导通输出电压,反之Gate(栅极)为高电位的时候截止 2,ZD1是5.1V稳压管,当电压低于5.1V时候,ZD1是没有电流,Q8发射极和基极的电压是一样的,Q8截止不导通 这样Q6的栅极通过R115连接到地,没有电压,当DC-IN超过5.1V的时候,ZD1导通产生电流,Q8的基极比发射极低,产生Ib电流,使Q8导通,将DC-In加入到Q6的栅极,从而使Q6截止。关闭输出三线消防灯原理?
原理如下:
1、电池充电电路:外电源经Q2,Q6,R8,D10对电池进行恒流充电。当有外电源供电时,充电电流经R8,D10向电池充电,且使充电指示灯D12点亮。
2、灯控制电路:由Q3,仍、Q5、Q7和键K,G构成,在无市电时,按一下K(开)键,Q5饱和导通,Q5的集电极电流通过R12使Q7维持导通;D11反向击穿工作在稳压状态,Q5的集电极电压给Q3,Q4提供偏置使其导通,点亮L1、L2。当按一下G(关)键时,Q7截止,撤除了Q5导通条件,灯关闭。当有市电供电时,外电源经D9使D7反向截止,Q5无法导通,键K和G都不能控制灯Ll,L2的开和关。停电后二极管D7负极电位变为零,使其瞬间正向导通,Q5饱和导通,构成点灯电路条件,L1、L2点亮。来一电后D7负极电位变高又反向截止,Q5截止,灯灭(起到自动控制的作用)。点灯控制电路中D7、Q7通过R6工作在临界状态,开关键K,G只起到触发作用。
3、试验电路:当按住试验按键S不放时,Ql截止,D7负极电位变低而正偏导通,使Q5导通满足点灯条件,使L1、L2点亮。松开S键灯随即熄灭。试验电路的作用是测试点灯电路是否芷常。
4、电源电路:220V交流经变压器变压,整流滤波,由Ql集电极输出4.6V的直流电压。主要提供给充电电路给电池充电。并经R9使D14发光指示。
5、k障显示电路由D13,Q8,R17和D11组成故障指示电路,如果外电源电压过高使Q8导通,D13点亮压故障。
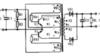
这个升压电路是怎么工作的!
其实你这个局部电路图应该是这样子画:

1、这个电路是怎么工作的?
答:简单点说吧,当MOS管Q7瞬间导通时,MOS管Q7的D极(即图中标的第3脚)相当于对地短路,当瞬间的电压加到电感两端时,电感中就会有电流通过(这里不考虑电流的正弦变化),电感中流过的电流绝大部份会转变成磁场能并暂时保存在电感体内,当MOS管Q7瞬间截止,此时Q7的D极对地相当于开路,Q7截止后,存储在电感中的磁场能无处释放,就会在电感两端产生很高的自感电动势,这个自感电动势经过双二极管整流并经过储能电容之后,将这个自感的电能保存在储能电容中以供负载使用。
2、Q6和Q8是怎么工作的?
答:Q6和Q8组成互补推挽电路,以极低的驱动阻抗 控制Q7的G极,使Q7能最快的导通和截止,减少Q7的开关损耗。当PWM调宽脉冲同时输入到Q6和Q8基极时,高电平N管导通,Q6和Q7组成复合管,瞬间打开Q7;低电平时P管导通,N管截止,Q8以极低的导通阻抗放掉Q7 G极内部储存的电荷,使Q7瞬间截止。
3、为什么要加Q8三极管?
答:使Q7的G极储存的电荷以最快的速度放掉,使Q7最快速截止,降低开关损耗。
4、Q7 MOS管有什么作用?
答:Q7 MOS就是开关管,所有DC/DC电路中都必须要有的,最重要的一个元件之一,快速开关Q7,会使电感上不断在产生较高的自感电动势,经过二极管和储能电容之后,变成平掌滑直流电供负载使用。
5、这个电路的致命缺点,当PWM频率与电感不匹配时,电路的自身损耗相当严重,若PWM脉冲高电平时间太长,会导致Q7开通时间过长,出现严重发热甚至烧毁开关管。
相关文章
-
倍压升压电路怎么样做到可以稳定输详细阅读
-
H桥电路的两个pwm输入口都悬空行不详细阅读
PWM调速,三极管组成的H桥电路一、电机调速模块. 我们的设计思路是先产生占空比可调的方波(方法有多种,一是用555构成多谐振荡器。 二、可以利用单片机产生PWM方波)+4功率器件
- 详细阅读
-
虚拟机里电路原理图无法仿真详细阅读
虚拟机安装博图可以仿真吗虚拟机安装博图可以仿真,因为同一个虚拟机中安装wincc7.5和博图v16,实现wincc和s7-1200仿真通讯,按照教... wincc 7.5 和博图可以同时安装。物理系
-
求一个,8进制同步时序逻辑电路设计详细阅读
同步时序逻辑电路设计用74161制成8进制的计数器用74161做8进制的计数器,即不用清0法,也不用置数法。因为74161就是四位二进制计数器,即16进制计数器,四位输出为0000~1111。那么
-
为了防止主电路某些短路故障应在pl详细阅读
如何提高PLC系统的可靠性PLC由于具有功能强、程序设计简介,维护方便等优点,特别是高可靠性、较强的适应恶劣工业环境的能力,目前广泛应用于机械、冶金、化工、轻工、电力、汽车
- 详细阅读
-
单片机最小系统采用什么电路报警电详细阅读
求解:简述51单片机最小系统的工作原理5V电源:给系统供电。 复位电路:程序跑飞时复位电路可以使程序从新执行,相当于电脑的重启。 晶振:给单片机运行提供时钟。比如电脑的2.2GH
-
利用3线—8线译码器74 ls 138设计详细阅读
使用3线-8线译码器74LS138和门电路设计一个组合逻辑电路,其输出逻辑函数为把每个式子表示成最小项相加,输入端就是这些最小项,输出端就是将这些最小项进行与非运算。用74LS138
-
电磁炉保险丝烧断,换上好的保险丝上详细阅读
电磁炉排查是保险丝烧了。然后把保险丝换了 可是为什么跳闸电磁炉保险管烧坏,一定是里面有零件损坏短路,你没有排除故障就换保险管,肯定会短路而跳闸了。电磁炉坏了,拆开一看是
