excel如何制作一个vba按钮,点一下之后让sheet1里面的部份数据,自动保存到sheet2里面?如果菜单栏没有“开发工具”选项卡,右击上方菜单栏空白处——自定义功能区,选中“开发工具”
利用3线—8线译码器74 ls 138设计一个多输出的组合逻辑电路。
使用3线-8线译码器74LS138和门电路设计一个组合逻辑电路,其输出逻辑函数为
把每个式子表示成最小项相加,输入端就是这些最小项,输出端就是将这些最小项进行与非运算。
用74LS138和74LS20按图13-3接线,74LS20芯片14脚接 +5v,7脚接地。利用开关改变输入Ai、Bi、Ci-1的状态,借助指示灯或万用表观测输出Si、Ci的状态,记入表13-3中,写出输出端的逻辑表达式。
译码器常用于计算机中对存储器单元地址的译码,即将每一个地址代码转换成一个有效信号,从而选中对应的单元。另一种是将一种代码转换成另一种代码,所以也称为代码变换器,以下先介绍二进制唯一地址译码器。

扩展资料:
注意事项:
1、OUT输出的交流电压取决于IN输入的交流电压.出厂是为220V;O/C是常开或常闭的继电器输出.接线后,就常开可以控制输出12V电压的开和关,通断.地址码是二进制,把第N路减一,转换成二进制即可。
2、小于(100米)用RS-232相连;100~1000米以下则要用RS-422方式进行控制,必须用232转485的转接器.总线可负载最多64个解码器.与计算机相连,COM口连接3正,5负的发码线。
3、解码器故障:是否电源没连接好,芯片是否压反或没压紧,地址码是否拨对,COM口是否屏蔽。
4、译码器是控制解码器和智能球等,是连接收码线2正,5负的。
5、当与主机相连接时用解码器3.5针相连接的发码线,当与一体球相连接时用译码器2.5针相连接的收码线。
参考资料来源:百度百科-译码器
参考资料来源:百度百科-组合逻辑电路
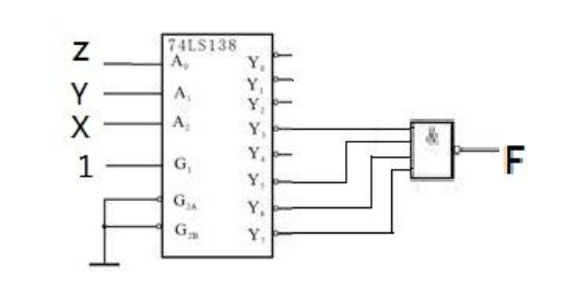
试用3线——8线译码器74LS138和门电路实现下面多输出逻辑函数 Y1=AC Y2=ABC+ABC+BC Y3=ABC+BC
令74LS138的三个选通输入依次是ABC。
Y1=AC的话 列出真值表,当ABC=101或者111的时候 Y1=1。 当ABC=101时,译码器选择Y5(即此时Y5输出0,其余输出1) 将Y5和Y7接到门电路的与非门即可。Y2,Y3的实现同理
Y2好像可以化简 A先跟BC取异或再跟BC取与 。A跟BC两项都取0输出才为0. 最后接法是将Y3到Y7的5个输出接入与非门。
译码是编码的逆过程,在编码时,每一种二进制代码,都赋予了特定的含义,即都表示了一个确定的信号或者对象。
把代码状态的特定含义“翻译”出来的过程叫做译码,实现译码操作的电路称为译码器。或者说,译码器是可以将输入二进制代码的状态翻译成输出信号,以表示其原来含义的电路。

扩展资料:
工作原理:
在数字系统中常见的数码显示器通常有:发光二极管数码管(LED数码管)和液晶显示数码管(LCD数码管)两种。
发光二极管数码管是用发光二极管构成显示数码的笔划来显示数字,由于发二极管会发光,故LED数码管适用于各种场合。
液晶显示数码管是利用液晶材料在交变电压的作用下晶体材料会吸收光线,而没有交变电场作用下有笔划不会听吸光,这样就可以来显示数码。
但由于液晶材料须有光时才能使用,故不能用于无外界光的场合,但液晶显示器有一个最大的优点就是耗电相当节省,所以广泛使用于小型计算器等小型设备的数码显示。
试用3线-8线译码器CT74LS138和门电路设计下列组合逻辑电路,其输出函数为
Y=(AB`+A`B)`C+(AB`+A`B)C` =AB`C+A`BC+AB`C`+A`BC` =∑(5,3,4,2) =∑(5,3,4,2)`` =∏(5`,3`,4`,2`)` 以上是演变过程 电路为: 输入A、B、C。 输出5、4、3、2输出分别接入一个四输入的与非门,该与非门输出就是Y。用3线-8线译码器74HC138和门电路产生如下多输出逻辑函数,画出逻辑电路图
如图所示:
逻辑电路图处理大量的约束项,值为1或0的项却是有限的,提出组合逻辑电路设计的一种新方法。与逻辑表示只有在决定事物结果的全部条件具备时。
结果才发生的因果关系。输出变量为1的某个组合的所有因子的与表示输出变量为1的这个组合出现、所有输出变量为0的组合均不出现,因而可以表示输出变量为1的这个组合。
组合逻辑电路的分析分以下几个步骤:
(1)有给定的逻辑电路图,写出输出端的逻辑表达式;
(2)列出真值表;
(3)通过真值表概括出逻辑功能,看原电路是不是最理想,若不是,则对其进行改进。

扩展资料:
“门”是这样的一种电路:它规定各个输入信号之间满足某种逻辑关系时,才有信号输出,通常有下列三种门电路:与门、或门、非门(反相器)。从逻辑关系看,门电路的输入端或输出端只有两种状态,无信号以“0”表示,有信号以“1”表示。
也可以这样规定:低电平为“0”,高电平为“1”,称为正逻辑。反之,如果规定高电平为“0”,低电平为“1”称为负逻辑,然而,高与低是相对的,所以在实际电路中要先说明采用什么逻辑,才有实际意义。
例如,负与门对“1”来说,具有“与”的关系,但对“0”来说,却有“或”的关系,即负与门也就是正或门;同理,负或门对“1”来说,具有“或”的关系,但对“0”来说具有“与”的关系,即负或门也就是正与门。
参考资料来源:百度百科-逻辑电路
请用3线-8线译码器74138实现原码和反码两种输出的8路数据分配器
两种数据分配器的电路如下图所示:

当把 D 接入到 /STB,这是低电平有效的控制端,所以,
D 输入低电平,即可实现译码及分配。
而 74138 是低电平输出,这就和 D 输入的,相同。
这就是原码输出。
当把 D 接入到 STA,这是高电平有效的控制端。
D 输入高电平,即可实现译码及分配,输出对应的低电平。
这就是反码输出。
相关文章
- 详细阅读
-
编程问题求五边形面积详细阅读
编程根据五边形五个顶点的坐标计算五边形面积,请用C++面向程序设计,并且是函数做的五个顶点依次是1,2,3,4,5 三角形123三边12,23,13为a,b,c则s=(a+b+c)/2,面积S=根号下(s(s-a)(s
-
用c语言编程代码详细阅读
求简单C语言程序代码!输入2个正整数m和n,求其最大公约数和最小公倍数#include#includeint main()int m,n,p,q,s,r;printf("请输入两个正整数;m,n\n");scanf("%d,%d",&m,&n);#in
-
c++编程问题详细阅读
c语言编程问题#include #include
struct student {int num;char name[20];float score[4];};
void input(struct student a[], int);
void aver(struct student a[], int,s -
用C语言编程实现,任意输入年,输出该详细阅读
c语言设计万年历 输入任意年份,输出该年12个月份 输入任意年份月份,输出该年月日历程序直接输入年份和月份,打印对应日历。一年12个月是固定的,我就不写单独输入年份打印月份了
-
A++这个编程语言好不好学?详细阅读
A++这个编程语言好不好学?好学好学,很好学的。我想自学编程,好学吗?编程当然可以自学。自学编程大约需要两三个月,每天抽出两三个星期把基础全部学习一遍,其他都是建立在基础之上
-
三菱3U机用步进SFC块编程红绿灯详细阅读
三菱FX系列PLC怎么编写SFC程序块,自动,急停,手动,如何启动与停止这些块。FX系列里有个方便指令叫 IST 可以编写手动,回原点,单步运行,单周期运行,全自动运行,回原点启动,自动运
-
随机森林模型有没有一个具体公式,不详细阅读
python随机森林分类模型,测试集和训练集的样本数没有准确按照70%和30%分配?进行比例划分的时候 从 int 型 转化为了 float 型, float型总是会有微小的误差的,这个不是大问题。
-
拜师父学编程详细阅读
我想学编程拜师求指教首先是算法+数据结构. 会写程序是基础,学C语言,然后C++, 可以是JAVA. 数据库要懂,ACCESS这种小东西应该没问题,SQL常用要好好学. 数学,逻辑,编译原理,
-
求加密java编程题 字母clvj字符加详细阅读
如何用JAVA实现字符串简单加密解密?java加密字符串可以使用des加密算法,实例如下: package test; import java.io.FileInputStream; import java.io.FileOutputStream; import
