电脑删除了软件,可是360软件管家里面还有,再删除就出现英文因为你把软件的相关文件删除掉了,但是并没有卸载,(注意:删除和卸载是两个不同的概念) 所以你在360那里还是可以看到这个
床车数控编程
数控车床怎么编程?
数控车床编程实例详解
一、数控车编程特点
(1)可以采用绝对值编程(用X、Z表示)、增量值编程(用U、W表示)或者二者混合编程。
(2)直径方向(X方向)系统默认为直径编程,也可以采用半径编程,但必须更改系统设定。
(3)X向的脉冲当量应取Z向的一半。
(4)采用固定循环,简化编程。
(5)编程时,常认为车刀刀尖是一个点,而实际上为圆弧,因此,当编制加工程序时,需要考虑对刀具进行半径补偿。

二、数控车的坐标系统
加工坐标系应与机床坐标系的坐标方向一致,X轴对应径向,Z轴对应轴向,C轴(主轴)的运动方向则以从机床尾架向主轴看,逆时针为+C向,顺时针为-C向,如图2.1.1所示:
加工坐标系的原点选在便于测量或对刀的基准位置,一般在工件的右端面或左端面上。

图2.1.1数控车床坐标系
三、直径编程方式
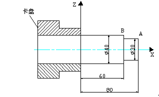
在车削加工的数控程序中,X轴的坐标值取为零件图样上的直径值,如图2.1.2所示:图中A点的坐标值为(30,80),B点的坐标值为(40,60)。采用直径尺寸编程与零件图样中的尺寸标注一致,这样可避免尺寸换算过程中可能造成的错误,给编程带来很大方便。
数控车削加工包括内外圆柱面的车削加工、端面车削加工、钻孔加工、螺纹加工、复杂外形轮廓回转面的车削加工等,在分析了数控车床工艺装备和数控车床编程特点的基础上,下面将结合配置FANUC-0i数控系统的数控车床重点讨论数控车床基本编程方法。
一、坐标系设定
编程格式G50X~Z~
式中X、Z的值是起刀点相对于加工原点的位置。G50使用方法与G92类似。
在数控车床编程时,所有X坐标值均使用直径值,如图2.1.5所示。
例:按图2.1.5设置加工坐标的程序段如下:
G50X121.8Z33.9

图2.1.5G50设定加工坐标系
工件坐标系的选择指令G54~G59
图2.1.7圆弧指令编程
4.暂停指令G04
格式:G04X(P)_;
其中,X(P)为暂停时间。
X后用小数表示,单位为秒;
P后用整数表示,单位为毫秒。
如:
G04X2.0表示暂停2秒;
G04P1000表示暂停1000毫秒。
5.返回参考点指令G28
G28指令可以使刀具从任何位置以快速点定位方式经过中间点返回参考点。
格式:G28X_Z_;
其中,X、Z是中间点的坐标值。
三、有关单位设定
1、尺寸单位选择:
格式:G20英制输入制式英寸输入
G21公制输入制式毫米输入(默认)
2、进给速度单位的设定
每转进给量编程格式G95F~
F后面的数字表示的是主轴每转进给量,单位为mm/r。
例:G95F0.2表示进给量为0.2mm/r。
每分钟进给量编程格式G94F~
F后面的数字表示的是每分钟进给量,单位为mm/min。
例:G94F100表示进给量为100mm/min。

四、进刀和退刀方式
对于车削加工,进刀时采用快速走刀接近工件切削起点附近的某个点,再改用切削进给,以减少空走刀的时间,提高加工效率。切削起点的确定与工件毛坯余量大小有关,应以刀具快速走到该点时刀尖不与工件发生碰撞为原则。如图2.1.3所示。

图2.1.3切削起始点的确定
五、绝对编程与增量编程
X、Z表示绝对编程,U、W表示增量编程,允许同一程序段中二者混合使用。

图2.1.4绝对值编程与增量编程
如图2.1.4所示,直线A→B,可用:
绝对:G01X100.0Z50.0;
相对:G01U60.0W-100.0;
混用:G01X100.0W-100.0;
例如,用G54指令设定如图所示的工件坐标系。
首先设置G54原点偏置寄存器:
G54X0Z85.0;
然后再在程序中调用:
N010G54;
说明:
1、G54~G59是系统预置的六个坐标系,可根据需要选用。
2、G54~G59建立的工件坐标原点是相对于机床原点而言的,在程序运行前已设定好,在程序运行中是无法重置的。
3、G54~G59预置建立的工件坐标原点在机床坐标系中的坐标值可用MDI方式输入,系统自动记忆。
4、使用该组指令前,必须先回参考点。
5、G54~G59为模态指令,可相互注销。
二、基本指令G00、G01、G02、G03、G04、G28
1.快速点位移动G00
格式:G00X(U)_Z(W)_;
其中,X(U)_、Z(W)_为目标点坐标值。
2.直线插补G01
格式:G01X(U)_Z(W)_F_;
其中,X(U)、Z(W)为目标点坐标,F为进给速度。
机床执行G01指令时,如果之前的程序段中无F指令,在该程序段中必须含有F指令。G01和F都是模态指令。
3.圆弧插补G02、G03
顺时针圆弧插补用G02指令,逆时针圆弧插补用G03指令。
1)用圆弧半径R和终点坐标进行圆弧插补
格式:G18G02(G03)X(U)_Z(W)_R_F_;
其中:X(U)和Z(W)为圆弧的终点坐标值,
绝对值编程方式下用X和Z,增量值编程方式下用U和W。规定圆弧对应的圆心角小于等于180°时,用“+R”表示;反之,用“-R”表示。
F为加工圆弧时的进给量。
2)用分矢量和终点坐标进行圆弧插补
格式:G18G02(G03)X(U)_Z(W)_I_K_F_;
其中:X(U)和Z(W)为圆弧的终点坐标值,绝对值编程方式下用X和Z,增量值编程方式下用U和W。
I、K分别为圆弧的方向矢量在X轴和Z轴上的投影(I为半径值)。当分矢量的方向与坐标轴的方向不一致时取负号。如图2.1.7所示,图中所示I和K均为负值。

数控车床编程初学。
数控车床怎么编程
哇..这问题好复杂... 会编程也有很多种,因为每个编程员他的编程思路都不一样的。就是加工工艺、步骤不一样。其次是要根据厂里面的设备多少、种类决定的。 至于怎么样学编程,首先是要学基本指令例如:G指令、G01 G0 M03这些是最基础的。死记硬背也没关系,因为例如:G00 是快速移动,你只要背下来一看机床运行的状态就立刻明白。学习还要是去记忆的。 接下来就循环指令:G71 、G72这些。你可以到图书馆里面借书或者书店里买本书看看也可以。各种书也看一下,编程要很多方面的,例如刀具的知识、机床的性能、刚才说的加工工艺、识图、极限公差等。谢谢回纳,如果还有不懂,可以追问。如果你觉得我回答得好,也可以数控车床怎样编程?
其实不管是什么系统,它们的编程都是差不多的。下面有格式,只要学会他编程就会了。 G代码 组别 解释 ; G00 01 定位 (快速移动) ; G01 直线切削 ; . G02 顺时针切圆弧 (CW,顺时钟) ; G03 逆时针切圆弧 (CCW,逆时钟) ; G04 00 暂停 (Dwell) ; G09 停于精确的位置 ; G20 06 英制输入 ; G21 公制输入 ; G22 04 内部行程限位 有效 ; G23 内部行程限位 无效 ; G27 00 检查参考点返回 ; G28 参考点返回 ; G29 从参考点返回 ; G30 回到第二参考点 ;G32 01 切螺纹 G40 07 取消相关文章
- 详细阅读
-
零基础的小白学那个编程语言,最容易详细阅读
零基础入门学习什么编程语言比较好如果你想学习编程,虽然选择第一门编程语言与你想用它来做什么最终达到什么目的有很大的关系,但是事实上某些编程语言的确比其他语言要好学。
-
C语言编程,详见补充详细阅读
关于C语言编程 具体见补充。首先指出你程序不合理的地方,n只要输入一次即可,while(scanf("%d%*c",&n)!=EOF)这句改为两行:(你的程序提交上去AC了?有点点怀疑...)) scanf("%d
-
迷你世界怎么利用编程解除时间限制详细阅读
迷你世界时间限制怎么解除您好,很高兴为您解答。迷你世界解除时间限制的唯一方法就是实名认证,也就是说满18岁才可以取消时间限制哦。希望对你有帮助!【摘要】 迷你世界时间
-
计算机学校排名详细阅读
计算机专业学校全国排名计算机专业学校全国排名:1、清华大学清华大学(Tsinghua University),简称“清华”,位于北京市,是中华人民共和国教育部直属的全国重点大学,位列国家“双一流
-
怎样0基础自学编程?就是达到一般公详细阅读
怎么才能成为一个合格的程序猿?作为一个合格的程序员,首先需要做到以下几点:1,拥有基础的编程算法能力。2,具有较好的编程格式习惯。3,在编程时有耐心,有毅力。程序员是一个比较理
- 详细阅读
-
编程读入三个整数a,b,c,然后输出表详细阅读
C++简单编程,输入三个整数a、b、c的值, 输出表达式:b2-4ac的值。#include "iostream.h" void main() { int a,b,c;//定义三个变量分别用于存放输入的整数 int y;//存放运算结果
-
半路转学软件编程去湖南众智互联网详细阅读
很多人说互联网前景好,那个湖南众智互联网学院的软件开发以后前景好不?好就业不?很多人是互联网的前景非常好湖南众智互联网学院的软件开发以后的前景是很多人说互联网的前景非
- 详细阅读
