大神们,救救我吧,c语言编程,二维数组!!!!其实挺简单的。。帮你小小的弄了一下。。。这些基础的还是要自己写出来。。#include
#include
intmain()
{
intnum,i,j;
cin>>num;
intn
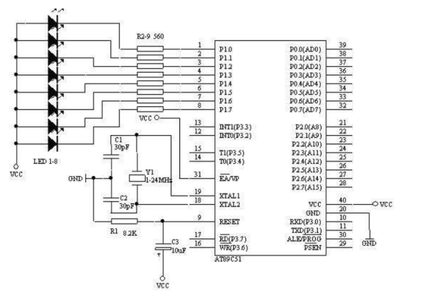
流水灯程序
单片机流水灯程序
程序如下:
#include
sbit led1 = P2^0;
sbit led2 = P2^1;
sbit led3 = P2^2;
sbit led4 = P2^3。
让电子信息技术与单片机技术相融合,有效提高了单片机应用效果。作为计算机技术中的一个分支,单片机技术在电子产品领域的应用,丰富了电子产品的功能,也为智能化电子设备的开发和应用提供了新的出路,实现了智能化电子设备的创新与发展。

从二十世纪九十年代开始,单片机技术就已经发展起来,随着时代的进步与科技的发展,目前该技术的实践应用日渐成熟,单片机被广泛应用于各个领域。现如今,人们越来越重视单片机在智能电子技术方面的开发和应用,单片机的发展进入到新的时期。
无论是自动测量还是智能仪表的实践,都能看到单片机技术的身影。当前工业发展进程中,电子行业属于新兴产业,工业生产中人们将电子信息技术成功运用。
单片机流水灯C语言程序(8个灯,依次点亮每个灯,延时500MS)
单片机流水灯C语言程序的源代码如下:
#include //51系列单片机定义文件
#define uchar unsigned char //定义无符号字符
#define uint unsigned int //定义无符号整数
void delay(uint); //声明延时函数
void main(void)
{
uint i;
uchar temp;
while(1)
{
temp=0x01;
for(i=0;i<8;i++) //8个流水灯逐个闪动
{
P1=~temp;
delay(100); //调用延时函数
temp<<=1;
}
temp=0x80;
for(i=0;i<8;i++) //8个流水灯反向逐个闪动
{
P1=~temp;
delay(100); //调用延时函数
temp>>=1;
}
temp=0xFE;
for(i=0;i<8;i++) //8个流水灯依次全部点亮
{
P1=temp;
delay(100); //调用延时函数
temp<<=1;
}
temp=0x7F;
for(i=0;i<8;i++) //8个流水灯依次反向全部点亮
{
P1=temp;
delay(100); //调用延时函数
temp>>=1;
}
void delay(uint t) //定义延时函数
{
register uint bt;
for(;t;t--)
for(bt=0;bt<255;bt++);
}

扩展资料
51单片机流水灯的源代码如下
#include
#include
voiddelay(inta)
{
inti;
while(a--)for(i=0;i<110;i++);
}
main()
{
inti;
while(1)
{
P0=0xfe;
for(i=0;i<8;i++)
{
P0=_crol_(P0,1);
delay(500);
}
}
}
51单片机流水灯程序
程序如下:
#include
sbit led1 = P2^0;
sbit led2 = P2^1;
sbit led3 = P2^2;
sbit led4 = P2^3;
sbit led5 = P2^4;
sbit led6 = P2^5;
sbit led7 = P2^6;
sbit led8 = P2^7;
void main()
{
int i,j;
//点亮第一个灯
led1 = 1;
led2 = 0;
led3 = 0;
led4 = 0;
led5 = 0;
led6 = 0;
led7 = 0;
led8 = 0;
//延时1秒
for(i = 0;i < 110; ++i)
{
for(j = 0; j < 1000; ++j)
{
;//什么也不做
}
}
//点亮第二个灯
led1 = 0;
led2 = 1;
led3 = 0;
led4 = 0;
led5 = 0;
led6 = 0;
led7 = 0;
led8 = 0;
//点亮剩余的灯
//省略……
while(1);
}

扩展资料:
流水灯几点说明:
void:因为该延时函数不需要返回值,所以写为void
delay1s:该函数的函数名,命名需要符合C语言的标识符命名规则。
(): 不需要传入参数,所以括号中为空
至此我们可以把流水灯程序写为以下形式:
用c语言编写单片机流水灯程序,(8个发光二极管从左至右循环点亮)
#include
voiddelay(void)
{
unsignedinti,j;
for(i=0;i<200;i++)
for(j=0;j<1000;j++)
;
}
voidmain(void)
{
while(1)
{
P3=0xfe;//第一个灯亮
delay();//延时
P3=0xfd;//第二个灯亮
delay();
P3=0xfb;//第三个灯亮
delay();
P3=0xf7;//第四个灯亮
delay();
P3=0xef;//第五个灯亮
delay();
P3=0xdf;//第六个灯亮
delay();
P3=0xbf;//第七个灯亮
delay();
P3=0x7f;//第八个灯亮
delay();
}
}

扩展资料
单片机C语言16种方式流水灯
voidmain()
{
while(1)
{
P1=0xfe;//点亮第一个发光管
Delay(5000);
P1=0xfd;//点亮第二个发光管
Delay(5000);
P1=0xfb;
Delay(5000);
P1=0xf7;
Delay(5000);
P1=0xef;
Delay(5000);
P1=0xdf;
Delay(5000);
P1=0xbf;
Delay(5000);
P1=0x7f;//点亮第八个发光管
}
}
51单片机中如何用汇编语言编写流水灯
流水灯就是51单片机控制led灯依次点亮的控制方式。具体程序如下:
ORG 0000H ;复位启动
AJMP START ;
ORG 001BH ;T1中断
AJMP T1INT ;
;定义变量========================
YSJS EQU 30H;延时计数器
LED EQU 31H;LED控制缓冲器
;主程序==========================
START: MOV LED,#0FEH ;初始化数据
MOV YSJS,#0 ;
MOV TMOD,#10H ;定时器1工作于方式1,16位定时器
MOV TL1,#0B0H ;设置定时初值
MOV TH1,#3CH ;定时时间=50mS
SETB ET1 ;使能定时器1中断
SETB TR1 ;启动定时器1
SETB EA ;开总中断
MOV P1,LED ;初始化流水灯
LOOP: JMP LOOP ;循环等待中断
T1INT: PUSH PSW ;定时器1中断程序
PUSH ACC ;保护现场
MOV TH1,#3CH ;定时时间=50mS
MOV TL1,#0B0H ;
INC YSJS ;
PUSH ACC ;保护ACC
MOV A,YSJI ;
CJNE A,#2,QT1 ;50mS*2=100mS
MOV P1,LED ;
MOV A,LED ;
RL A ;累加器A的值循环左移1位
MOV LED,A ;
MOV YSJS,#0 ;
QT1: POP ACC ;恢复现场
POP PSW ;
RETI ;返回主程序
END ;汇编程序结束
扩展资料:
实现流水灯的三个方法:
第一种,总线方法实现流水灯。这是一种比较笨但又最易理解的方法,采用顺序程序结构,用位指令控制P1口的每一个位输出高低电平,加上延时函数,即可控制每个LED灯的亮灭。
第二种,移位方法实现流水灯采用循环程序结构编程。首先在程序开始给P1.0口送一个低电平,其它位为高。然后延时一段时间再让低电平往高位移动,这样就实现“流水”的效果了。
第三种,库函数实现流水灯。利用左移函数进行。
相关文章
-
救救我,用c语言编写。。。。。详细阅读
-
怎么把下面c语言风格改成c++风格详细阅读
如何把c语言代码转化为c 语言,如下你的问题是“C语言代码转化为c 语言”,比较奇怪。你所附代码里出现了:
using namespace std;因此这应该是C++代码。C和C++两者的比较明显的差 -
51单片机用4个按钮分别控制四个LED详细阅读
51单片机用4个按钮分别控制四个LED的程序简单编了一下程序,,, #include sbit led1=P1^1; //led灯,按实际再改 sbit led2=P1^2; //led灯,按实际再改 sbit led3=P1^3; //led灯,按
-
你好 单片机程序能修改吗详细阅读
单片机 ,一个单片机的程序能改吗.答: 1.要看你的单片机的型号,有一些单片机是OTP型的(OneTimePrograming的缩写,中文意思就是一次性编程),这种单片机只可以编程一次,编程完
-
用c语言编程代码详细阅读
求简单C语言程序代码!输入2个正整数m和n,求其最大公约数和最小公倍数#include#includeint main()int m,n,p,q,s,r;printf("请输入两个正整数;m,n\n");scanf("%d,%d",&m,&n);#in
-
用C语言编程实现,任意输入年,输出该详细阅读
c语言设计万年历 输入任意年份,输出该年12个月份 输入任意年份月份,输出该年月日历程序直接输入年份和月份,打印对应日历。一年12个月是固定的,我就不写单独输入年份打印月份了
-
cad,c++,office,pr,ps,plc,单片机,详细阅读
PS、3D、flash(网页三剑客)、CAD、影视后期(AE和PR)AI,Office分别指的是什么有的地方说的不对... 网页三剑客是DW、FL、FW, 就算把FW换成PS也轮不到3D(=Autodesk 3ds max) DW是制作
-
为什么c语言编译后不输出结果详细阅读
C语言编译好后为什么运行不出结果呢?这段代码有问题:while(1){printf ("Hello/n");}循环语句没有终止条件,循环会一直进行下去,得不到结果。当前阶段,在编程领域中,C语言的运用非
-
单片机输出波形查表法是怎么输出的详细阅读
单片机查表法输出正弦信号,如何连续或阶梯式调整输出信号幅度呢?首先单片机需要接入一个DA来输出模拟电压。你查表得到的只是正弦幅值为1的时候的正弦信号波形,所以调整幅值的
-
使用c语言编写一个可以输出m行n列详细阅读
C语言,求指教!输入整数m,n。输出m行n列的 * 图案。请问应该怎么写程序。谢谢。做个双层循环就好了, #include int main(int argc, char *argv[]) { int m,n,j,k; scanf("%d%d"
