用龙起个微信名字如下:1、龙章凤函:比喻文采炳焕。2、龙章麟角:比喻珍希,不凡。3、龙章秀骨:比喻文章秀逸遒劲。4、龙蛰蠖屈:比喻隐居不仕。5、龙争虎战:形容斗争或竞赛很激烈。同
超声信号动态滤波器电路
准备用CX20106做一个超声波接收电路,找到的资料原理图如图所示,但是我对电容的选择不太清楚。。。
图中uf的是电解 ,有+号的是电解,电解安装时要分正负极的,CI从容量看是电解但没有标+号,6脚那个pf级的是瓷片或者独石都可以。 l脚:超声波信号输入端,该脚的输入阻抗约为40kΩ, 你接个C1做什么,那样会短路信号的。 2脚:该脚与GND之间连接RC串联网络,它们是负反馈串联网络的一个组成部分,改变它们的数值能改变前置放大器的增益和频率特性。增大电阻R或减小C,将使负反馈量增大,放大倍数下降,反之则放大倍数增大。但C的改变会影响到频率特性,一般在实际使用中不必改动,推荐选用参数为R=4.7Ω,C=3.3μF。 你怎么用的4.7kΩ。 3脚:该脚与GND之间连接检波电容,电容量大为平均值检波在做超声波接收电路时,用到中周滤波选频。请问中周的原理是什么?还用到了变压器是做什么的?
中周左边的线圈是一个电感,并联着一个电容,组成并联谐振电路,所选的频率在集电极上阻抗最大,电压放大系数也最大,起到选频的作用。那个变压器应该是个耦合变压器。急急!跪请高手指导1MHz的超声波接收电路,要求能与单片机相连
发射的在空气中传播,遇到障碍物就会返回,超声波接收部分是为了将反射波(回波)顺利接收到超声波接收换能器TCT40-2S进行转换变成电信号,并对此电信号进行放大、滤波、整形等处理后,这里用索尼公司生产的集成芯片CX20106,得到一个负脉冲送给单片机的P3.2(INT0)引脚,以产生一个中断。接收部分的电路,如图3-4所示。图3-4超声接收电路CX20106对接收探头收到的信号进行放大、滤波等处理,其总放大增益为80db。该芯片1脚是超声信号的输入端,在此调试的时候要特别注意,其探头两端如未发现有很大干扰则不要加电容,有可能会把有用的波滤去,使得最后没有输出。2脚与GND直接连接RC串联网络,他们是负反馈串联网络的一个组成部分,增大电阻R2或减小C2会使得负反馈量增大,放大倍数下降,反之则放大倍数增大。但C2会影响到频率特性,一般在实际中不必改动,推荐R2=4.7Ω,C2=1uF。3脚与GND连接检波电容C3容量大为平均值检波,瞬间相应灵敏度低,容量小,则为峰值检波,瞬间相应灵敏度高,但检波输出的脉冲宽度变化大,易造成误动作。推荐参数为C3=3.3Uf。5脚与电源端VCC接入一个电阻R4,用以设置带通滤波器的中心频率f0,阻R4阻值越大,中心频率越低。6脚与GND之间接入一个330pF的电容C4,C4取得太大会使探测距离变短。7脚是遥控命令输出端,它是集电极开路输出方式,因此该引脚必须接一个上拉电阻R4到电源端,推荐R4=20KΩ[1、3]。

滤波器的一般电路组成?
滤波器是指在复合的信号中滤除某些不需要的频率。
比如在整流电路中要的是稳定的直流分量,不需要交流分量,所以要滤掉交流分量。
在电视中要从复合的信号中去掉亮度信号取出色度信号,就用梳状滤波器滤掉亮度信号。要取出倦意信号就用6.5MHz的LS滤波器滤除其他信号取出6.5M的倦意信号。
根据不同的要求,滤波器的构成差别很大。
常见的滤波器一般由RLC组合的滤波器,可以是选频式的单频率谐振滤波电路,也可以是宽频的带通滤波器。
也有的根据材料的特性制作的滤波器,比如压电陶瓷滤波器,石英晶体滤波器等。
也有的是利用变频方式提高选频系统的Q值的电路,一般通过降低频率进行选频,以提高滤波器的频率特性。
现在出现了很多不同的固体滤波器,选频原理也是前面说到的一些方式。或者多种方式的组合滤波器。
LC滤波器是比较基本的滤波器。原理是利用电感和电容上电压与电流的相位关系,互相抵消电压或电流达到谐振。
比如串联LC,由于电感和电容上的电流与电压相差+90°和-90°,串联电路电流处处相等,所以电压就相差180度。当某个频率刚好使感抗和容抗相等时,相同的电流就有大小相等方向相反的电压,外电路看上去就是两端的电压是0,但是还有电流,所以谐振时总电抗就是0。
并联LC则相反,由于并联电路两端电压相同,所以谐振时流过L和C的电流就刚好大小相等方向相反。对外电路来说,两端有电压,但却没有电流,所以电抗为∞。
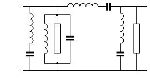
下面是一种RLC带通滤波器电路示意图。

信号滤波器原理
滤波是信号处理中的一个重要概念。滤波分经典滤波和现代滤波。 经典滤波的概念,是根据富立叶分析和变换提出的一个工程概念。根据高等数学理论,任何一个满足一定条件的信号,都可以被看成是由无限个正弦波叠加而成。换句话说,就是工程信号是不同频率的正弦波线性叠加而成的,组成信号的不同频率的正弦波叫做信号的频率成分或叫做谐波成分。只允许一定频率范围内的信号成分正常通过,而阻止另一部分频率成分通过的电路,叫做经典滤波器或滤波电路。 实际上,任何一个电子系统都具有自己的频带宽度(对信号最高频率的限制),频率特性反映出了电子系统的这个基本特点。而滤波器,则是根据电路参数对电路频带宽度的影响而设计出来的工程应用电路相关文章
- 详细阅读
-
个人微信号被人恶意举报怎么撤销详细阅读
我的微信号被人恶意举报了,被封号了请问怎么解封?你好,若您在手机上登录微信时提示“该帐号被其他用户举报,目前无法登录”,这是由于该帐号在微信使用中涉及到违规行为,目前受到暂
- 详细阅读
- 详细阅读
-
有没有懂数字电路的大神帮忙解答一详细阅读
数字电路:求大神帮解答一下一只三输入与非门,三入一出四个引脚,共三个三输入与非门,那就是十二个,再加上电源和地,一块芯片至少十四条引脚。请懂的大神回答一下,下面数字电路中的逻
-
林创手机信号放大器安装之后,需要调详细阅读
装上手机信号放大器后还是信号不稳定要怎么去调试呢?手机信号放大安装注意事项: 1、室外天线的安装位置必须能清晰的打电话,八木的安装必须为水平安装。 2、八木和吸顶天线的距
-
电脑前段时间开机显示器无信号,后拔详细阅读
电脑最近总是开机屏幕无信号,而且玩游戏时候莫名卡顿卡一会流畅一会1.当显示器黑屏没有图像显示时(不过目前市面上的显示器在主机没有信号送来时,屏幕上会显示器"没有信号线连接
-
类似cav424的电容信号转换器有哪些详细阅读
角度传感器 与单片机连接 都有哪些型号 怎样数模转换 测的数据不是角度吧?是加速度还是三个坐标的位移型号多了去了,大致分为几种吧,有的是测倾角的,xyz;还有是码盘,类似量角器;还
-
邹平县位桥镇的微信号好人一生平安详细阅读
她微信把我删了昵称是好人一生平安我能查到她吗您好,微信必须要知道账号才可以查到人,仅凭昵称是不可以的 谢谢请采纳找回我的微信好人一生平安登录不上了1、通过手机微信找回
-
腾讯极光盒子4的信号稳定吗?主要希详细阅读
腾讯极光盒子性能稳定吗?我用了一个多月了,感觉还是挺稳定的,我觉得腾讯极光盒子相对来说性价比真的算是很高了。老公听朋友推荐买了腾讯极光盒子4,大家觉得值得吗?腾讯极光4 Pro
