请教各位大神,如何在同花顺软件中增加成交量均线的数量。比如说增加到8条,如何设置,请指教。选择“均线1”---然后就会出现各个均线指标,然后通过修改均线的参数,单击“确定”,新
SolidWorks怎样画这个门把手柄
solidworks球阀手柄怎么画
这里分享下solidworks球阀手柄怎么画的方法。
设备:联想电脑
系统:xp
软件:solidworks2013
1、打开Solidworks软件,新建一个零件文件,点击“草图绘制”命令按钮,并选择前视基准面作为草绘平面,如图所示。

2、点击“中心线”命令按钮。

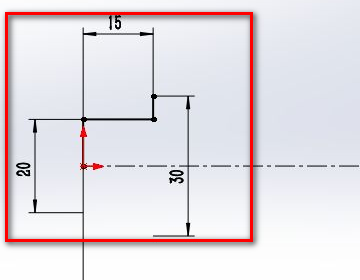
3、绘制如图所示基准中心线。

4、然后点击“直线”命令,绘制如图所示草图。

4、再次使用“直线”命令,绘制如图所示的圆弧。

5、退出草图环境,使用“特征”选项中的“旋转凸台/基体”命令,生成手柄模型,如图所示。

6、设置完成之后,点击确定按钮,生成手柄模型,至此已经完成简单手柄建模。

关于用solidworks画茶杯的这个把手怎么画。
1.可以作个基准面垂直于扫描轨迹,在基准面上画扫描轮廓;2.扫描完之后修剪我刚刚开始学solidworks,请问如何画杯子的手柄,就是将手柄和杯体圆滑地连接?谢谢
利用扫描特征,你先画个圆住,然后通过基准面画个圆,然后再3D草图模式下,画一条过圆心光滑曲线,最好是在你画圆的下方,画完后在扫描就可以了,然后再抽壳就能得到杯子来solidworks usp45握把怎么画
如果有正面图片的话,可以将图片插入草图,然后临摹。具体的细节的话,不好说。楼主自己掌握。至于握把上的那些槽口,可以用拉伸切除实现(用两次实现,也可以用引导线)。此图如何用solidworks制作?
你要做出工程图这种效果吗?如果只要手柄折弯之前,那很容易,就用些旋转功能就行,
如果画手柄折弯之后就用些旋转,扫描功能就行,如果工程图要两张图都体现出来,如你图片中一样的话,就要用到配置,一张设置成中心线类似,

标签:solidworks 未分类 软件 理工学科 手柄
相关文章
- 详细阅读
-
Lr软件内部出现问题,不能用,到底哪里详细阅读
修图软件lr点击无反应,重新安装,电脑重启都不能解决问题。怎么办?这就是关机功能失效或不正常的故障。解决故障详细方法如下: 一、关机过程及故障原因 Windows的关机程序在关机
-
方正保护卡安装提示未找到“方正软详细阅读
方正电脑开机后 硬盘保护卡显示没有找到硬件怎么回事?主板与硬盘数据线接口可能有问题,可以考虑把硬盘装在别的机器上测试下看看能不能被找到。 如果没问题就是 保护卡的设置
-
国内外最受欢迎的社交软件是什么?详细阅读
国外都用什么社交软件?国外使用的聊天软件有:MSN:微软的产品,帐号密码是指定的电子邮箱的帐号密码。为了保护个人隐私,故不具备类似QQ高级搜索的功能,加人必须知道对方的帐号。Sk
-
邮政的物流表格怎么制作,有没有批量详细阅读
如何批量查询多个众邮快递单号的物流信息并导出表格?应该是把多个众邮快递单号导入一个叫“快递批量查询高手”的软件上,单击保存,即可批量查询到物流,还能将信息导出表格又没有
-
有可以看到有声书录制进度的软件吗详细阅读
有可以看到有声书录制进度的软件吗?我知道有一个爱对轨可以看到录制进度,其他的好像不行,以前进度都需要一个一个去核对去问每个人的。爱对轨是一个自动对轨和审听软件。如果cv
-
西瓜皮软件进不去,按一下就返回去了详细阅读
西瓜皮老闪退打不开怎么办闪退,多指在移动设备(如iOS、Android设备)中,在打开应用程序时出现的突然退出中断的情况(类似于Windows的应用程序崩溃)。多表现为:应用程序画面一闪而过,
-
360杀毒软件扫描出来的病毒错添加详细阅读
怎么恢复电脑被杀毒软件删除掉的文件电脑删除文件如何恢复?如今,电脑已经是我们办公、生活和娱乐中必不可少的设备,更是存储着我们很多重要的文件。但是,有的时候一些使用者可能
-
SOLIDWORKS 为什么解压SETP文件会详细阅读
solidworks为什么只能以只读方式打solidworks只能以只读方式打开的原因是:在保存文件时出错了。虽然只是个sldprt的零部件文件,但它属于SolidWorks的软件模块的一部分,SolidWor
-
Windows操作系统和Office软件环境详细阅读
计算机一级windows都考些什么啊全国计算机等级考试一级Windows大纲考点:1.具有计算机的基础知识。2.了解微型计算机系统的基本组成。3.了解操作系统的基本功能,掌握Windows的
