诺基亚6连接不上无线网/无线路由器怎么办解决办法:1.关闭WIFI开关重新打开。有时候路由器会给两个连接的设备分配到同一个IP地址,这就造成了IP地址冲突,重启一下WIFI开关可以解
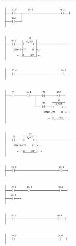
PLC程序梯形图
plc梯形图是什么意思啊?
水塔水位自动控制plc程序图:

梯形图编程语言是一种图形化编程语言,它沿用了传统的继电接触器控制中的触点、线圈、串并联等术语和图形符号,与传统的继电器控制原理电路图非常相似,但又加入了许多功能强而又使用灵活的指令。
它比较直观、形象,对于那些熟悉继电器一接触器控制系统的人来说,易被接受。继电器梯形图多半适用于比较简单的控制功能的编程,绝大多数PLC用户都首选使用梯形图编程。

扩展资料
梯形图编程的一般规则有:
1、梯形图按自上而下、从左到右的顺序排列。每一个逻辑行起始于左母线然后是触点的各种连接,最后是线圈或线圈与右母线相连,整个图形呈阶梯形。梯形图所使用的元件编号地址必须在所使用PLC的有效范围内。
2、梯形图是PLC形象化的编程方式,其左右两侧母线并不接任何电源,因而图中各支路也没有真实的电流流过。
但为了读图方便,常用“有电流”、“得电”等来形象地描述用户程序解算中满足输出线圈的动作条件,它仅仅是概念上虚拟的“电流”,而且认为它只能由左向右单方向流;层次的改变也只能自上而下。
3、梯形图中的继电器实质上是变量存储器中的位触发器,相应某位触发器为“1态”,表示该继电器线圈通电,其动合触点闭合,动断触点打开,反之为“O态”。
梯形图中继电器的线圈又是广义的,除了输出继电器、内部继电器线圈外,还包括定时器、计数器、移位寄存器、状态器等的线圈以及各种比较、运算的结果。
4、梯形图中信息流程从左到右,继电器线圈应与右母线直接相连,线圈的右边不能有触点,而左边必须有触点。
5、继电器线圈在一个程序中不能重复使用:而继电器的触点,编程中可以重复使用,且使用次数不受限制。
参考资料来源:百度百科-水位控制器
参考资料来源:百度百科-PLC编程
PLC梯形图到底怎么看?
首先知道梯形图程序中每个指令的用法,意义。 然后就一点点的解读梯形图程序,把程序中的动作顺序捋顺了,就是看懂了。 在看梯形图程序前最好先了解清楚设备的工艺要求,动作过程。这样会更好的理解梯形图程序。 望采纳。。。。。。PLC梯形图到底怎么看?
1、进行I/O分配:

在这里我们要分清楚什么是输入元件与输出元件,并且把它们的地址分好,输入元件是指PLC的信号输入部分,主要有按钮,行程开关,继电器触点,光电开关等,输出元件是指用来控制接触器,电池阀,电磁铁,指示灯,数字显示装置和报警装置等输出设备。
在这里如果把输入与输出元件弄错了后期编写梯形图的时候就会出现不能转译的问题,或者是出现电路达不到我们预期的效果,所以这一步很关键。
2、编写梯形图:

在完成了对控制任务,I/O分配后,就进入了最重要的梯形图编写,在编写的时候我们一定要有一有二的,一步步的写,我们可以先写串联的电路再写并联的电路。
例如上图:我们先从FR(X3)开始写,再到SB1(X0),再到SB2(X1),再到KM2(Y1常闭),再输出KM1(Y1),然后写并联电路,并上KM1(Y0)的常开触点,以此类推。一条条的写过去。
扩展资料
PLC 扫描方法
当扫描我们用户的程序时, PLC 会利用一个标准的扫描方法对用户程序进行扫描。
扫描过程:
扫描输入状态:读出外部信号状态并将其状态存储于内部储存器内。
运算用户程序: 用储存内部储存器内部的数据对用户程序进行运算,程序从上至下,从左至右进行扫描,扫描到END指令时表示一次扫描结束。
刷新输出:把运算的数据写至外部输出。
PLC正反转梯形图
1、首先在打开的PLC软件选择"楼梯其他"进行打开,打开之后在下方的圆弧梯段,选择圆弧梯段即可,如下方两个红色圈圈所示。

2、接下来需要根据个人需要在弹出的圆弧楼梯中设置需要的相应参数,并在需要3D上点对勾,选择参数的大小可以参照所给定的大小标准进行。

3、接下来就是选择需要绘制的楼梯的位置,一般在图片的中央进行绘制白线,然后在图形中点击左键确定要绘制的楼梯的位置。

4、接下来即可选择三维视图,点击绘图区域右上角的三维视图,选择一个合适的角度,然后点击。进入界面之后,选择东南西北右上方。

5、就可以将楼梯口给显示出来,此时可以看到楼梯了,但是楼梯是以二维线框显示的。

6、三维显示需要进行下一步,点击菜单栏中的视图-视觉样式-- 真实。

7、这样就可以看到实体的旋转楼梯了。

扩展资料:
作图原则
为了提高作图速度,用户最好遵循如下的作图原则:
1、作图步骤:设置图幅→设置单位及精度→建立若乾图层→设置对象样式→开始绘图。
2、绘图始终使用1:1比例。为改变图样的大小,可在打印时于图纸空间内设置不同的打印比例。
3、当处理较小区域的图案时 ,可以减小图案的比例因子值 ;相反地 ,当处理较大区域的图案填充时 ,则可以增加图案的比例因子值 。
4、为不同类型的图元对象设置不同的图层、颜色及线宽,而图元对象的颜色、线型及线应由图层控制(BYLAYER)。
5、需精确绘图时,可使用栅格捕捉功能,并将栅格捕捉间距设为适当的数值。
参考资料来源:百度百科-PLC控制
plc梯形图由哪四大部分构成
PLC的梯形图程序有母线(左母线、右母线)、触点指令、线圈指令(输出指令)、功能指令组成。 望采纳。。。。。。相关文章
- 详细阅读
-
华为SDH网络自愈网的保护可以分为详细阅读
什么是自愈网?自愈网的类型有哪些?所谓自愈网是指通信网络发生故障时,无需人为干预,网络就能在极短的时间内从失效故障中自动恢复所携带的业务,使用户感觉不到网络己出了故障。
-
游戏下载好了更新换了网络也不行详细阅读
为啥换个网络,游戏就无法更新?内存不能为“read”或“written”的解决方案: 有些人运行飚车程序的时候会弹出该内存不能为“read”的错误提示。希望以下文章能对大家有所帮
-
Redmi note8pro链接WiFi显示无法保详细阅读
手机无法保存wifi网络是怎么回事?一、1.重新开关手机及无线设备2.更换静态IP尝试3.是否离无线路由器距离过远,影响接收信号。4.如果条件允许,更换其他路由器或者无线连接尝试是
-
如果我用手机连了别人家的wifi,再用详细阅读
手机连接上了wifi,如何使用usb共享使电脑上网手机如何设置usb共享上网,以华为手机为例,一共有以下几个步骤:第一步:手机连上Wifi后,用usb数据线把手机电脑连接上,点击手机上的“管
-
sklearn可以使用到GA结合的神经网详细阅读
深度学习具体学什么?深度学习具体都会学神经网络、BP反向传播算法、TensorFlow深度学习工具等。 而神经网络需要学习的有: 从生物神经元到人工神经元 激活函数Relu、Tanh、Sig
-
ESP32网络连接报错OSError: Wifi I详细阅读
esp32打印机认不到网络题主是否想询问“esp32打印机为什么认不到网络”?esp32打印机认不到网络的原因有打印机没有连接到网络,WiFi连接设置错误,网络安全设置问题。
1、打印机 -
上士网络的魔域来了H5用什么安卓模详细阅读
魔域手游用哪个模拟器可以玩?雷电等模拟器都可以玩哦。
玩魔域手游通过风林手游下载:
http://www.14294.com/?ct=shouyou&ac=info&gid=5066
。进入游戏后点开左侧专属工具栏,里 -
网络适配器里一堆不知道的设备,不知详细阅读
网络适配器里一堆未知设备且还在不断增加怎么回事,求解脱!!!我的电脑是华硕的S46C尊敬的华硕用户,您好!根据您的描述,建议您参考以下信息: 1,有可能是驱动错误或冲突导致。 2,查
-
安装全屋千兆(FTTR)网络就不卡顿了吗详细阅读
安装全屋千兆后,全屋都可以享受千兆上网了吗?全屋千兆是端到端的解决方案,除了终端外,我们还提供了光纤直连布线的服务,确保用户得以尽享近乎无损耗的网速。例如:千兆宽带接入用户
