怎么把cad图纸缩略图显示出来?1、打开CAD,点击菜单栏“工具”。2、打开选项设置框。3、在”打开和保存“栏里,点击“缩微预览设置”。4、勾选“保存缩微预览图像”。点击确定。
跪求05S804图集CAD版
你好,05s804 图集cad版本能发一份给我吗?非常感谢,急用!
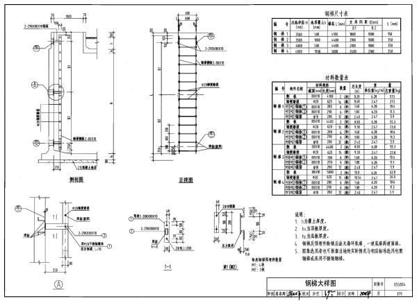
05S804 矩形钢筋混凝土蓄水池
附件已上传
点击链接免费下载
求05S804图集CAD版本的,谢谢。
脑子是不是有病,一本图集,电子版都是扫描的谁会画成CAD,简直是头脑不清醒求05s804图集177-179页,谢谢大神
05s804图集177-179页见下附件,3883×2817像素图片,请点击放大后查看或下载(另存为),希望对您有点帮助。



急求05S804和05S4图集
05S804矩形钢筋混凝土蓄水池、05S4消防工程,留个邮箱号给你发送。相关文章
- 详细阅读
-
CAD2020文字递增命令在哪里详细阅读
CAD的文字/表格如何递增复制?CAD的文字/表格递增复制操作方法现在几乎每个行业都会用到CAD这个设计软件,诸如景观设计、桥梁施工、办公建筑设计、影片动画等。如果你是或者想
-
打开别人发的CAD,显示图片区域是白详细阅读
怎样才能把CAD布局中的白底(不能选定或被改动)改为黑底(可以选定或修改)的图纸?1、首先,打开CAD软件,点击鼠标右键,然后点击“选项”。2、在弹出的对话框内选择“显示”。3、在
-
CAD2016可以显示钢筋符号,但是转PDF详细阅读
cad图纸转换成Pdf后钢筋符号没有显示?这些是特殊的符号PDF文件里面带的字体不支持,所以就没有显示,有的会显示成方格,或者是空白字符。急求CAD转成PDF后怎么里面没有内容了呀出
-
用CAD画的图形导入到激光切割机里详细阅读
用CAD画好的图,导入激光切割机就无图型显示,有的又有,有的又没有,是不是坐标的问题啊,怎样解决啊?导入激光切割机的图线需要连续单根线,不能分叉,不能重叠,不能中间断开。 你把图形放
-
求CAD软件安装包详细阅读
求CAD2014安装包(64位),谢谢!CAD安装包百度网盘资源下载链接: https://pan.baidu.com/s/1utyPdHY3gs7h-T0JlP-JQA 提取码: wmkcCAD是计算机辅助设计(ComputerAidedDesign)的英文
-
中望cad2009产品号85A0-F54C-8DB1详细阅读
问下中望CAD2009标准版的产品号是多少?还有激活号?打开中望CAD2009在帮助里面有个授权与注册,有个硬件锁注册,打开来就可以看到产品号,用注册机输入产品号就可以查到授权码注册
-
数码大方CAXA CAD 2024发布了,有人详细阅读
数 码大方CAXA怎么样?数码大方CAXA是一家咱们国内的厂商,主要致力于工业软件的开发和生产。首先CAXA CAD拥有自主的3D和2D软件,自主的CAD内核和平台,自主的文件格式,跟国产的WPS
-
电脑重装系统后,CAD打开特别的慢,约详细阅读
系统重装后CAD启动好慢,换其他版本也是一样。是怎么回事呢,要怎么解决,大家帮帮忙啊。原因有多种的。首先装的操作系统是否适合运行,当然,都可以运行,只是兼容程度不同。其次是电
-
CAD2020致命错误详细阅读
为什么用cad打开图纸会出现致命错误?解决方案1: 碰巧我也遇到了你的问题 要确认一点,你要复制的图纸是别人给你的还是你自己电脑画的 我这里遇到是 我自己画了一部分图,别人给我
