在out cad点的坐标输入中绝对坐标的基准是什么?UCS设置坐标系,指定原点0.00后就可以标注相对坐标。如果是绝对坐标,需要建立的坐标系和原坐标系重合。CAD界面后左下方显示的X与
c6140车床溜板箱cad图纸
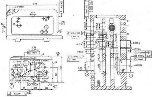
ca6140车床法兰盘CAD零件图
ca6140车床法兰盘CAD零件图:

CA6140是一种,是在原C620基础上加以改进而来,C代表车床A代表改进型号6代表卧式1代表基本型40代表最大旋转直径,是机械设备制造企业的是所需设备之一。
CA6140普通卧式车床的组成及功能
(1)主轴箱。它固定在机床身的左端,装在主轴箱中的主轴(主轴为中空,不仅可以用于更长的棒料的加工及机床线路的铺设还可以增加主轴的刚性),通过夹盘等夹具装夹工件。主轴箱的功用是支撑并传动主轴,使主轴带动工件按照规定的转速旋转。
(2)床鞍和刀架部件。它位于床身的中部,并可沿床身上的刀架轨道做纵向移动。刀架部件位于床鞍上,其功能是装夹车刀,并使车刀做纵向、横向或斜向运动。
(3)尾座。它位于床身的尾座轨道上,并可沿导轨纵向调整位置。尾座的功能是用后顶尖支撑工件。在尾座上还可以安装钻头等加工刀具,以进行孔加工。
(4)进给箱。它固定在床身的左前侧、主轴箱的底部。其功能是改变被加工螺纹的螺距或机动进给的进给量。
(5)溜板箱。它固定在刀架部件的底部,可带动刀架一起做纵向、横向进给、快速移动或螺纹加工。在溜板箱上装有各种操作手柄及按钮,工作时工人可以方便地操作机床。
(6)床身。床身固定在左床腿和右床腿上。床身是机床的基本支撑件。在床身上安装着机床的各个主要部件,工作时床身使它们保持准确的相对位置。
CA6140普通车床图纸(包括零件图)
CA6140普通车床包括: 1.床身,大小床腿部分 2.床头箱部分 3.挂轮箱部分 4.走刀箱部分 5.大拖板,刀架部分 6尾座部分 7.电气部分 几百张图纸。CA6140车床溜板箱纵、横向机动进给操纵机构装配图
操纵机构装配图,,来取走吧。。。。ca6140车床结构图及功能介绍
CA6140型的机床主要由主轴箱、床鞍、刀架、尾座、进给箱、溜板箱、床身七部分组成。
1、主轴箱:主轴箱中中空的主轴,可以利用夹盘等夹具装夹工件,其主要的功用是支撑并传动主轴,使主轴带动工件按照设定的转速旋转。
2、床鞍:位于床身的中部,主要功用是可沿床身上的刀架轨道做纵向移动。
3、刀架:刀架位于床鞍上,其主要功用是装夹车刀,并使车刀做纵向、横向或斜向运动。
4、尾座:位于床身的尾座轨道上(可沿导轨调整位置),其主要的功用是用于后顶尖支撑工件,也可在尾座上安装钻头等加工刀具用于孔加工。
5、进给箱:位于床身的左前侧,即主轴箱的底部,其主要功用是改变被加工螺纹的螺距或机动进给的进给量。
6、溜板箱。位于刀架的底部,主要功用是可带动刀架运动,其上装有操作手柄及按钮,工人可以方在此操作机床。
7、床身:位于左床腿和右床腿上,主要功用是作为支撑件,以保持各部件的准确位置。

含义
机床数控改装分两部分进行:一是维修机械部分。更换或修理磨损零件,调试大型基础零件,增加新的功能装置,提高机床的精度和性能,另一方面是舍弃原有的一部分进给系统,用新的数控系统和相应的装置来替代。改造总费用由机械维修和增加的数控系统两部分组成。若机床的数控改造的总费用仅为同类型车床价格的50% ~60%时,该机床数控改造在经济上适宜。
c630-1型普通车床主轴箱图

1、图1所示为CA6140车床主轴箱箱体的零件简图。其加工工艺过程如表1、2所示。
2、制订箱体工艺过程的共同性原则 。

1)加工顺序为先面后孔 箱体类零件的加工顺序均为先加工面,以加工好的平面定位,再来加工孔。由于箱体孔的精度要求高,加工难度大,先以孔为粗基准加工平面,再以平面为精基准加工孔,这样不仅为孔的加工提供了稳定可靠的精基准,同时还可以使孔的加工余量较为均匀。由于箱体上的孔分布在箱体各平面上,先加工好平面,钻孔时,钻头不易引偏,扩孔或绞孔时,刀具也不易崩刃。
2)加工阶段粗、精分开 箱体的结构复杂,壁厚不均,刚性不好,而加工精度要求又高,故箱体重要加工表面都要划分粗、精加工两个阶段,这样可以避免粗加工造成的内应力、切削力、夹紧力和切削热对加工精度的影响,有利于保证箱体的加工精度。粗、精分开也可及时发现毛坯缺陷,避免更大的浪费;同时还能根据粗、精加工的不同要求来公道选择设备,有利于进步生产率。
3)工序间公道按排热处理 箱体零件的结构复杂,壁厚也不均匀,因此,在铸造时会产生较大的残余应力。为了消除残余应力,减少加工后的变形和保证精度的稳定,所以,在铸造之后必须安排人工时效处理。人工时效的工艺规范为:加热到500oC~550oC ,保温4h~6h ,冷却速度小于或即是30oC/h ,出炉温度小于或即是200oC 。
普通精度的箱体零件,一般在铸造之后安排 1次人工时效出理。对一些高精度或外形特别复杂的箱体零件,在粗加工之后还要安排1次人工时效处理,以消除粗加工所造成的残余应力。有些精度要求不高的箱体零件毛坯,有时不安排时效处理,而是利用粗、精加工工序间的停放和运输时间,使之得到自然时效。箱体零件人工时效的方法,除了加热保温法外,也可采用振动时效来达到消除残余应力的目的。
4)用箱体上的重要孔作粗基准 箱体类零件的粗基准一般都用它上面的重要孔作粗基准,这样不仅可以较好地保证重要孔及其它各轴孔的加工余量均匀,还能较好地保证各轴孔轴心线与箱体不加工表面的相互位置。
相关文章
- 详细阅读
-
类似书籍《用多媒体学AutoCAD》的详细阅读
没有人能支配天意,天是何意,也想窥测,嫌弃你的命太长了吗?这说明了什么?在明白了之后,我洪鲲咋办?因果就是天意。因果报应不是佛教的说辞,而是宇宙法则和自然规律,放之四海而皆准,丝毫
-
autocad2021版如何更新到原始状态详细阅读
如何把AUTOCAD所有系统变量恢复成初始默认状态ACADLSPASDOC 0 仅将 acad.lsp 加载到 AutoCAD 任务打开的第一个图形中; 1 将 acad.lsp 加载到每一个打开的图形中 ACADPREFIX
-
J-360A卧式车床是什么行业机械详细阅读
机械行业指的是哪些行业机械行业,只要是与机械有关的行业都可以说是机械行业,这个分为广义的机械行业与狭义的机械行业。机械的种类繁多,可以按几个不同方面分为各种类别,如:1.按
-
跪求2018破解版的autoCAD详细阅读
谁有CAD2018中文版的软件我有一份最新中文破解版的软件希望可以帮助你,安装此版本软件即可安装步骤1、由于AutoCAD 2018中文版文件过大,小编将文件保存在百度网盘,如果没有请下
-
数控车床z轴不稳定 自动变数5至7m详细阅读
数控车床X轴不稳定是什么原因1、X轴轴头上的螺母松动 2、丝杠螺母长时间在同一位置磨损,造成反向间隙过大,可以用百分表测一下,(参数里调整) 3、刀架前边,紧固丝杠螺母的4个螺丝杆
-
Cass91 for AutoCAD2006 命令不能详细阅读
为什么安装cass后不能使用一些命令,显示是未知命令的“编辑”中“图层控制”子菜单中“实体层→当前层”等好多菜单命令都是无效命令? 使用时出现 “未知命令“LAYCUR”。按 F
-
Autocad17viewbase命令提示invento详细阅读
CAD作图命令:VIEWBASS,出现Inventor Server 加载失败,要怎样解决?NVENTOR 是AUTODESK开发的设计三维模型的软件,但这是一个不成功的软件,所以很多人不知道它。你只安装了AUTOCAD,
-
打开AUTOCAD后出现net::err_connec详细阅读
错误net::ERR_CONNECTION_RESET)是什么意思?怎么解决?建议:在开始按照下面提供的说明进行操作之前,建议您检查PC上安装的所有第三方应用程序是否正在使用中。如果您发现其中一些
-
在AUTOCAD软件中,图形编辑命令包括详细阅读
在AutoCAD中,图形编辑命令都包括哪些?这就多了,移动、旋转、复制、偏移、镜像等等。autocad命令大全cad快捷键命令如下:一、常用功能键:F1: 获取帮助F2: 实现作图窗和文本窗口的
