数据库系统中的常见故障有哪些?新增archives 时的状况: 条件和假设:自上次镜像备份以来已经生成新的archive log(s); Archivelog Mode; 有同步的datafile(s) 和control file(s
指定视口要投影的那一侧如何输入
CAD在三维画了立体图,怎么把图放到二维视图里去?
CAD三维立体图转换为二维视图的步骤如下。
1、打开一张三维图纸,在选项卡为模型的状态下,可以看到左上角的视图控件。

2、打开视觉样式选项,然后在下拉界面中单击打开二维线框选项,新建一个布局,可以看到西南等轴测的二维图。

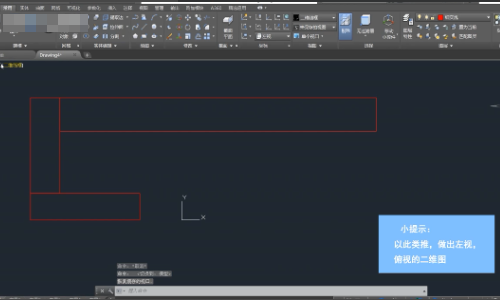
3、返回模型界面,打开左上角视图中的控件选项,单击打开视图控件之后,继续单击打开前视按钮。

4、新建布局,可看到前视的二维图,以此类推做出左视俯视的二维图,这样三维图就转成二维图纸了。

这样CAD三维立体图就可以转换为二维视图了。
autocad2016 怎么绘制二维图
操作步骤: 1、打开需要获取二维视图的三维实体模型的文件,并选择显示模式为“二维线框”,用Layer命令加载“Hidden”虚线模型; 2、进入图纸空间,单击绘图窗口下方的选项卡“布局1”,进入图纸空间; 3、建立俯视图视口: 用Solview命令建立多个浮动视口(建立俯视图视口); 向键入命令栏键入“solview”按【Enter】键; 在输入选项【UCS(U)/正交(O)/辅助(A)/截面(S)】:用鼠标选择“UCS(U)”或者键入“U”后按【Enter】键。 在输入选项【命令(N)/世界(W)/?/当前(C)】<当前>:按【Enter】键; 输入视图比例<1>:按【Enter】键; 指如何把三维转为二维视图并可打印出来
在打开 AutoCAD 2004 格式的文件。 正在重生成模型。 AutoCAD 菜单实用程序已加载。 命令: 无法启动实时助手应用程序。 *取消* 命令: 指定对角点: 命令: e ERASE 找到 2113 个 命令: bi*取消* 命令: -view 输入选项 [?/正交(O)/删除(D)/恢复(R)/保存(S)/UCS(U)/窗口(W)]: front 正在重生成模型。 命令: c CIRCLE 指定圆的圆心或 [三点(3P)/两点(2P)/相切、相切、半径(T)]: 指定圆的半径或 [直径(D)]: 命令: 指定对角点: 命令: *取消* 命令: ext EXTRUDE 当前线框密度cad怎么把立体图复制到二维图里
CAD三维模型转为二维模型 "1、设置视图:点击菜单栏的视图→三维视图→选择需要的视图 2、设置坐标轴:输入UCS命令→输入V进入视图模式 3、设置轮廓:点击菜单栏的扩展工具→编辑工具→三维转二维→选择三维模型 【实战操作】 1.将三维实体转成西南等轴测视图。先打开模型在视图里改成西南三维视图。 2.再输入UCS将坐标轴改成视图模式 3.在菜单栏里点击三维转二维,移走消隐线。"cad投影怎么用啊?
上面一帮深井冰答案。 CAD的投影是用于三维转二维的。 把你做好的三维图用三维旋转,放好角度。然后到布局里, 输入MSPACE, 再输入solprof,选中你的图纸,回车,输入Y回车连续三次。 回到模型空间.关闭第一第二两个图层,就得到一个二维图。相关文章
- 详细阅读
-
服装设计与三维软件结合的趋势如何详细阅读
国内开发三维设计软件的前景如何这个还是非常有前景的,国内现在虽然都是在使用国外的三维设计软件,但是这个也是未来大国竞争的武器,国家肯定会大力支持国产三维设计软件的,可以
-
华为儿童手表3怎么下载软件?详细阅读
怎样在华为儿童手表3s中下载软件?具体的操作步骤: 1、找到应用面,打开设置 2、连续点击型号7次,出现一个开发者选项 3、打开USB调试 4、连接一个电脑,下载一个手机管理器一类的软
-
电脑上之前下载单机游戏安装了很多详细阅读
Win10系统自带的哪些软件可以卸载Win10系统自带的软件全都可以卸载。方法如下:一、借助第三方应用将其卸载如腾讯旗下的电脑管家中的软件管理可以将其卸载,这也是最简单的一种
-
金千枝的珠宝管理软件有免费的吗,怎详细阅读
金千枝珠宝管理软件怎么样金千枝珠宝管理软件好。
1、因为金千枝珠宝管理软件融合了管理云ERP、营销云MKT、会员云CRM、运营云APP、中台云DTC这五大优秀系统。
2/金千枝珠宝 -
清华斯维尔计价软件中没有【2022】详细阅读
清华斯维尔清单计价信息价导入问题一,首先到斯维尔公司的网站下载你要的信息价 二,必须要在网站上下载的才可以导入到斯维尔的清单计价软件里去。 三,在新建工程界面下有个信息
-
这个图中的软件是什么啊?详细阅读
图中的软件是什么?“FL Studio”,常被人们称为“苹果机”,用来编辑音乐用的,例如加鼓点、军鼓、锣声等。这个图片里的是什么软件Illustrator或用CorelDRAW可以制作出这种效果。
-
MainTop 蒙泰排版软件详细阅读
蒙泰所有快捷键是那些?MainTop (蒙泰排版软件)快捷键建立新(New)文件 【duCtrl】+【N】打开(Open)编排文件[*.tpf] 【Ctrl】+【O】
保存文件[*.tpf、*.sty] 【Ctrl】+【S】 -
PS软件安装包下载详细阅读
哪里可以下载到免费的photoshop下载photoshop有很多广告,一般是下载了捆绑软件,在安装时取消广告软件勾选,即可,具体步骤如下。1、打开电脑浏览器,百度搜索【photoshop下载】找到
-
有没有加特效的软件详细阅读
手机上有哪些视频特效制作软件?手机上视频特效制作软件推荐:巧影、趣推、神剪手、美摄、小影。1、巧影这款软件超级实用,操作简单,艺术家或教育家们,也可在KineMaster所提供的手
