为什么有人说,现在教育最大的骗局是“孩子,只要你快乐就好”?这不是教育最大的骗局,而是社会上部分人对教育的曲解,至于原因可能有多种。很多人认为快乐教育就是让孩子玩,这种理解
该题的逻辑表达式怎么写
与非门、或非门、异或门、同或门的逻辑表达式和逻辑符号怎么写
与非门:逻辑表达式:Y=(A·B)'

或非门:全0出1,有1出0。逻辑表达式F=(A+B)'

异或门:输入相同为0,相异为1,(全0或全1才出0)。F=AθB= A' .B+A: B'。作用是判断输入端是否-致!逻辑表达式如下,


同或门:全0或全1才出1。F=AOB=A:B+ A',B'。作用也是判断输入端是否一致!

与门:逻辑乘有0出0, 全1出1。Y=AB。
或门:逻辑加有1 出1,全0出0。Y=A+B。
非门:“非”即否定, 也称反相器。0出1, 1出0。Y=非A。
扩展资料
逻辑运算,又称布尔运算。布尔用数学方法研究逻辑问题,成功地建立了逻辑演算。他用等式表示判断,把推理看作等式的变换。这种变换的有效性不依赖人们对符号的解释,只依赖于符号的组合规律 。这一逻辑理论人们常称它为布尔代数。
20世纪30年代,逻辑代数在电路系统上获得应用,随后,由于电子技术与计算机的发展,出现各种复杂的大系统,它们的变换规律也遵守布尔所揭示的规律。
参考资料来源百度百科-逻辑表达式
根据逻辑电路图写出逻辑表达式
第一个图的逻辑表达式为:A⊙B,第二个图的逻辑表达式为:A⊕B。
过程:
第一个逻辑电路图:F=(A非+B非)(A+B)非
=(A非A+A非B+B非A+B非B)非
=(A非B+B非A)非
=A⊕B非
=A⊙B
第二个逻辑电路图:F=[((AB非)非)((A非B)非)]非
=AB非+A非B=A⊕B。

扩展资料:
常用的门电路:
非门,利用内部结构,使输入的电平变成相反的电平,高电平(1)变低电平(0),低电平(0)变高电平(1)。
与门,利用内部结构,使输入两个高电平(1),输出高电平(1),不满足有两个高电平(1)则输出低电平(0)。
或门,利用内部结构,使输入至少一个输入高电平(1),输出高电平(1),不满足有两个低电(0)输出高电平(1)。
与非门,利用内部结构,使输入至多一个输入高电平(1),输出高电平(1),不满足有两个高电平(1)输出高电平(1)。
或非门,利用内部结构,使输入两个输入低电平(0),输出高电平(1),不满足有至少一个高电平(1)输出高电平(1)。
异或门,当输入端同时处于低电平(0)或高电平(1)时,输出端输出低电平(0),当输入端一个为高电平(1),另一个为低电平时(0),输出端输出高电平(1)。
同或门,当输入端同时输入低电平(0)或高电平(1)时,输出端输出高电平(1),当输入端一个为高电平(1),另一个为低电平时(0),输出端输出低电平(0)。
参考资料来源:百度百科-逻辑电路
诚恳求问此题如何画?而且逻辑式怎么写
按多数决,则有 F =ABC+ABD+ACD+BCD;
因为A有否决权,即需要每一项都有A;
所以
F =ABC+ABD+ACD+ABCD;
= A (BC+BD+CD)
= A*[ (BC)' * (BD)' * (CD)' ]'

数字电路由真值表如何写逻辑表达式?
数字电路真值表写逻辑表达式只要遵循以下步骤即可: 1、从真值表中分别找出输出为“1”时输入状态的“与”组合,其实质就是对应输出为"1"的“最小项”。输出有几个“1”就有几项“最小项” 2、将以上输所有的“最小项”“相或”,组成标准的“最小项”“与或”表达式。 3、运用卡诺图(或公式)化简以上最小项与或表达式。与非门、或非门、异或门、同或门的逻辑表达式和逻辑符号怎么写?
与非门逻辑表达式:Y=(A·B)'=A'+B'
逻辑符号:

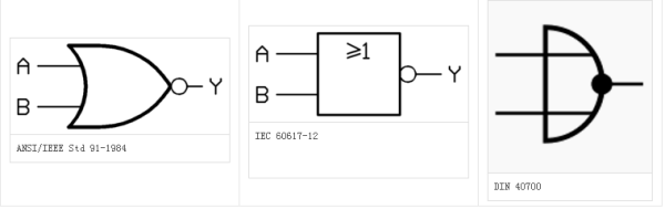
或非门有3种逻辑符号,包括:形状特征型符号(ANSI/IEEEStd 91-1984)、IEC矩形国标符号(IEC 60617-12)和DIN符号(DIN 40700),以二输入或门为例,逻辑符号如图所示:

异或门逻辑表达式:

常用逻辑符号如下图所示。对异或门的任何2个信号(输入或输出)同时取反,而不改变结果的逻辑功能。在“圈到圈”的设计中,我们选用最能表达要实现的逻辑功能的符号。

同或门逻辑表达式:(⊙为“同或”运算符)

逻辑门的2种符号:形状特征型符号(ANSI/IEEEStd 91-1984)、IEC矩形国标符号(IEC 60617-12)。

与非门(英语:NAND gate)是数字电路的一种基本逻辑电路。若当输入均为高电平(1),则输出为低电平(0);若输入中至少有一个为低电平(0),则输出为高电平(1)。与非门可以看作是与门和非门的叠加。
或非门(英语:NOR gate)是数字逻辑电路中的基本元件,实现逻辑或非功能。有多个输入端,1个输出端,多输入或非门可由2输入或非门和反相器构成。只有当两个输入A和B为低电平(逻辑0)时输出为高电平(逻辑1)。也可以理解为任意输入为高电平(逻辑1),输出为低电平(逻辑0)。
异或门 (英语:Exclusive-OR gate,简称XORgate,又称EOR gate、ExOR gate)是数字逻辑中实现 逻辑异或的逻辑门。有多个输入端、1个输出端,多输入异或门可由2输入异或门构成。若两个输入的电平相异,则输出为高电平1;若两个输入的电平相同,则输出为低电平0。亦即,如果两个输入不同,则异或门输出高电平。
同或门(英语:XNORgate或equivalencegate)也称为异或非门,是数字逻辑电路的基本单元,有2个输入端、1个输出端。当2个输入端中有且只有一个是低电平(逻辑0)时,输出为低电平。亦即当输入电平相同时,输出为高电平(逻辑1)。
相关文章
- 详细阅读
-
学生党在线求一个佳佳数据恢复的注详细阅读
在线求一个佳佳数据恢复的注册码?注册码都是需要购买后才有的,且都是唯一的,这个一般不会有人借用的,你这边用了,别人就用不成了,所以你还是最好自己买一个。 数据恢复有很多,你可
-
别人热爱生活的态度确实值得我学习详细阅读
怎么控制自己的负能量情绪呢?转移自己的注意力。我们不可能将自己产生的情绪重新变没,只能通过自己的转移,去想办法转移自己的注意力,让自己的注意力不要再那间糟糕的事情上,将自
-
学习Python 怎么读取文件老是出错详细阅读
用python打开文件总是出现IOError怎么回事?用python打开文件总是出现IOError的原因:
1.python ioerror的出现:打开一个不存在的文件,示例中有意输入了一个不存在的文件名,并试图 - 详细阅读
-
随机森林模型有没有一个具体公式,不详细阅读
python随机森林分类模型,测试集和训练集的样本数没有准确按照70%和30%分配?进行比例划分的时候 从 int 型 转化为了 float 型, float型总是会有微小的误差的,这个不是大问题。
-
mc转换桌学习的物品是共享的吗?急急详细阅读
我的世界手游联机时转化桌的钱是共享的吗?不是,每个人交换桌里面的金钱都是单独计算的,并不是同一个数据(但是共享物品什么的不关交换桌的事情)《我的世界》转换桌怎么用?1,首先进
-
广东未来科技平板电脑能学习用吗?详细阅读
平板电脑能不能当学习机用简单回答: 在当前普通平板电脑不能当成学习机用,但可以通过安装一些软件部分实现学习机的功能。之所以不能当学习机用,是生产学习机的厂家特意或无意
-
创建学生类,拥有姓名及成绩属性,拥有详细阅读
创建一个学生类(student),包含:学号,姓名,性别,Java成绩,sql 成绩,c语言成绩,html成绩,总分,平均分。学生类:
publicclassStudent
{
privateStringstuId;
privateStringname;
pri - 详细阅读
