有没有那种可以把自己的录音配上音乐的软件,要简单易操作的adobe audition就是很简单的了,有中文版的,在多轨编辑器里,一轨放入背景音乐,一轨放入录音文件,或者同步录音也可以,最好
那位大神给我个三菱plc解密软件,要有教程。邮箱445858650@qq.com
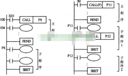
那位知道如何使用三菱FX系列PLC解密软件?具体方法,操作步骤?谢谢
首先你得有一个解密软件, 解密过程 :首先你的电脑和plc通讯上,同时打开你的解密软件,在软件里面应该有选择plc型号的,选择你要的型号,然后确定。三菱plc的解密软件
三菱PLC编程软件(GX developer 8)在三菱电机自动化官方网站有下载,密码百度一下就出来了,或者直接在那里申请,非常好用,还有仿真软件在迅雷可以找到。有哪位大神知道三菱plc破解软件?
不懂VB等高级语言的可以用串口调试器发一串命令,密码就出来了三菱PLC程序密码如何解除
三菱的程序加密可以在写入程序的时候加密,也可以在在线菜单栏里面选择登陆关键字进行密码设置,忘记密码或者解密只有用三菱对应的解密软件没有什么其他的办法!
购买专用的三菱编程电缆,USB口或者串口的,淘宝上有,然后下载三菱PLC编程软件这个官方网站提供下载的,新手不建议自己制作简易电缆线容易烧通讯口。

扩展资料:
PLC的类型:
1、小型PLC
一体式结构、I/O点数:256点 (384点)、
多用于单机控制:
如:FX1S、FX1N、FX2N、FX3U、FX3G整体化PLC,注:F1、F2、 FX1、FX2 、FX0N、FX0S均已停产。
中型系列PLC
模块化结构、 I/O点数:
用于较大规模控制
特点:L系列PLC体积小,功能强大; 如L02CPU,L26CPU等。
3、大型系列PLC
模块式结构、 I/O点数:4096点、运算速度快、网络功能强
满足大型控制系统要求
如: QnA系列PLC :Q3ACPU、Q4ACPU;Q系列PLC :Q00J 、Q00 Q001Q02HQ06HQ12HQ25HQ03UDQ04UD(E)HQ06UD (E) HQ13UD (E) HQ26UD (E) H
参考资料来源:百度百科 ——三菱PLC
三菱plc解密软件
如果是2N之类的,一点问题都没有,网上大把可以下载的,但如果是3U就麻烦了,要收费的相关文章
- 详细阅读
-
有什么软件一登陆就可以领流量的?详细阅读
哪个软件可以免费领流量?方法一:通过微信公众号获取流量第一类:发布免费流量信息类的公众号【推荐】;第二类:运营商官方的公众号;方法二:通过运营商的APP获取流量
第一:中国移动的AP -
我的手机内存空间满了,我买了一张内详细阅读
手机内存不够,我安装了一个内存卡但是不知道怎么把应用下载在内存卡上?使用vivo手机,如何将安装的软件移动到其他存储空间 X7及后续机器都不支持软件移至到SD卡,也没有“数据存
-
为什么信考软件注册的时候会出现与详细阅读
用友软件v8.12 出现“科目编码长度与分配原则不符”该怎么办用帐套主管登陆系统管理,帐套下点修改,直到出现科目编码,然后修改成何现有科目编码长度 如为灰色不可修改,进年度数
-
第三方施工监控中,计算机视觉是怎样详细阅读
计算机视觉在工业制造中有哪些应用?小蚁科技计算机视觉有什么优势?我国提出的“中国制造2025”的计划中,工业计算机视觉的应用是其中一个重要方面,而计算机视觉在工业制造中的应
-
201.131.3.0划分六子网,每子网计算详细阅读
c类网断201.31.3.0划分成六个子网,每个子网不超过20台计算机,写出子网掩码和地址如果平均划分子网的话,由于2的3次方等于8,8大于6,因此可借用3位作为子网位,剩下的5位作为主机位,2
-
360杀毒软件不能杀掉弹窗详细阅读
360杀毒软件自带弹窗广告该怎么办?分享电脑常用小技巧,电脑知识,电脑技巧,电脑常见问题解决方法等,今天分享的是,360安全卫士、鲁大师、金山毒霸等软件,去掉自带广告弹窗方法,感谢粉
-
问卷调查软件哪个好呢?求解答一下详细阅读
好用的问卷调查软件有哪些?1、问卷星
问卷星是国内最早也是目前最大的在线问卷调查、考试和投票平台,自2006年上线至今用户累计发布了超过4450万份问卷,累计回收超过30.97亿份 -
能不能不用软件制作PE启动盘?详细阅读
谁会从头制作PE启动盘,不要借助软件一键制作的!从头制作PE启动盘? 手工制作PE,极复杂,去"无忧启动论坛"学习 仅不要借助软件一键制作,也即想手工制作启动U盘(可换各种PE) 1、
-
有木有好用的猪场管理软件,求个。好详细阅读
我有一小型猪场,需要一个猪场管理软件,哪款软件好用?哪款比较好用我是开养猪场的 ,想找适合自家猪场的管理软件?推荐你使用市面上有手机猪场管理的软件么?我家猪场用的智草云猪场
