电脑主板哪个品牌好啊由于主板是连接cpu、显卡、内存等电脑核心配件的载体,它的质量好坏,影响了整台电脑性能的发挥,电脑主板的一二三线划分,是用户及资深玩家长期使用过程中,根
我一个六个喇叭的音箱主板坏了?自己不会修?请问可以在某宝上买主板改吗?
主板坏了在淘宝上买个可以吗,靠谱吗
某宝上的主板一般是不推荐的。全新的主板最少是三年质保。某宝上买主要是质保不能保证。过两三年店是不是还开都不好说。 建议在某东自营买,质量售后全是有保证的。电脑音箱坏了可以修吗
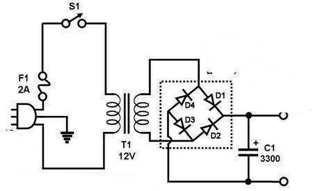
电脑音响一般都不大,建议你不用修了,若修下来,头比身子大。建议你利用原功放的机壳、电源、喇叭等元件,用TDA2030集成功放块重新组装,TDA2030很便宜,花不了几个钱,只要按照电路图焊接无误成功率很高,功率也不小,音质确实不错,不比你原来的差,尤其作为电脑桌面音响很是理想。其次以MP3、手机音频输出作为音源效果确实也不错。还能锻炼自己,提高自己的爱好的兴趣。下面是电路图:



这
音响没有声音,不响了怎么办,怎么自己修
电脑没声音可以按以下步骤来进行分析: 一、首先要确认硬件没问题。你已经说了喇叭没毛病,声卡也没问题,如果你已经在其他的机器上测试过确实是完好的话,那么可以继续往下看。 二、确认所有的连接线完全正确。然后将音箱电源打开,音量开关打开。 三、正确安装声卡的驱动程序,如果是板载声卡,就最好安装主板驱动程序盘上提供的驱动程序。 (实际上,电脑不出声,很多时候都是因为声卡驱动不正确。一般情况下,声卡驱动安装好之后,在右下角的任务 栏里会有一个小喇叭的图标。) 四、如果肯定了驱动程序是正确安装的,那么再来看一下电脑里的音量设置。 具体方法是:双击任务栏里的小喇叭的图标,在弹出的“音量控制”对话框中查看“音音响坏了
先检测一下声卡 一、声卡无声 如果声卡安装过程一切正常,设备都能正常识别,一般来说出现硬件故障的可能性就很小。 1.与音箱或者耳机是否正确连接。 2.音箱或者耳机是否性能完好。 3.音频连接线有无损坏。 4.Windows音量控制中的各项声音通道是否被屏蔽。 如果以上4条都很正常,依然没有声音,那么我们可以试着更换较新版本的驱动程序试试,并且记得安装主板或者声卡的最新补丁。 二、播放MIDI无声 某些声卡在播放MP3、玩游戏时非常正常,但就是无法播放MIDI文件。从原理来看,声卡本身并没有问题,应该属于设置问题。 可以到控制面板→多媒体→音频→MIDI音乐播放,选择合适的播放设备即可。当然也可主板上的音频接口接触不良了,怎么修?
没法修主板上的插孔、只能换。
可以网络上买一个USB声卡,价格很便宜,当然,如果对音频要求比较高,可以买一块大的声卡,直接插到主板上也是可以的,最简单的办法就是买一个USB声卡。
或者用小的蓝牙音箱,没有线方便,也可以让电脑桌子更整洁点,用蓝牙音箱也是没问题的。
音频接口接触不良的原因:
1、孔内为3触点的弹簧片结构【分别对应耳机插头的圆环和顶端】,它弹性减小了、无法矫正;
2、氧化了可以采取不断地插入插头和转动已经插入的插头、试图么擦掉氧化层,恢复良好接触。

扩展资料:
主板后面的音频接口有6个插孔
1、蓝色是音频输入端口度数,当计算机需要将音频与电视连接同步时使用。
2、黑色是后环绕扬声器接口,当使用四个以上声道时需要使用。
3、绿色是音频输出,如我们常用的耳机和双声道扬声器。
4、橙色是中置/低音炮内部喇叭接口,当使用六个以上频道时需要。
5、粉色是麦克风接口。
6、灰色是侧环绕扬声器接口,当使用8个以上声道时需要使用。
相关文章
- 详细阅读
- 详细阅读
-
方正保护卡安装提示未找到“方正软详细阅读
方正电脑开机后 硬盘保护卡显示没有找到硬件怎么回事?主板与硬盘数据线接口可能有问题,可以考虑把硬盘装在别的机器上测试下看看能不能被找到。 如果没问题就是 保护卡的设置
-
z390e主板上的typec开机状态能充iw详细阅读
华硕Z390F主板 开机后io背板上的灯熄灭 关机亮 请问怎么办?这个问题是你的主板设置造成的,不是故障,不影响你正常使用电脑,你可以重新设置一下主板电源,按照主板说明书进行操作就
-
H310主板装GTX1650 双风扇版本显卡详细阅读
H310M PRO-VDH主板,请问可以带gtx1650 4g显卡吗?只要CPU不是很差,是可以带gtx1650 4g显卡的 最少上个I3 8100F或 I3 9100F,有6核的I5 9400F之类的那更好 用双核的赛扬肯定带不动
-
H310主板装GTX1650 双风扇版本显卡详细阅读
H310M PRO-VDH主板,请问可以带gtx1650 4g显卡吗?只要CPU不是很差,是可以带gtx1650 4g显卡的 最少上个I3 8100F或 I3 9100F,有6核的I5 9400F之类的那更好 用双核的赛扬肯定带不动
-
华硕主板关机会自动重启一次,在关机详细阅读
华硕电脑关不了机,关机后自动重启是怎么回事关闭快速启动试试。控制面板---系统---高级系统设置---高级---启动和故障恢复设置---系统失败---取消购机自动重新启动---确定后
-
水质自动采样器DR-803K的主板有几详细阅读
混合供样水质自动采样器DR803k的技术原理是什么??DR803k水质自动采样器采用嵌入式控制技术,是一款功能完备的智能型采样器。内置独特的水样暂存装置,可提供无间断的混合水样,与在
-
用lpc2103制作一个四则运算器,要求详细阅读
怎样用C语言编写一个简单的可以进行加减乘除运算混合运算的计算器?用C语言编写一个简单的可以进行加减乘除运算混合运算的计算器的方法:1、打开visual C++ 6.0-文件-新建-文件
-
天猫精灵转换开关是不是还得配天猫详细阅读
一个天猫精灵Al,还需要配一个天猫精灵智能音响吗?不需要,完全多余天猫精灵怎么连接蓝牙音箱???手机和蓝牙音箱连接很简单,只需要做到以下几步: 1、把蓝牙音箱通电或者充好电,然后
