c语言怎么学,从什么地方开始学? 那么实际的学习我建议大家从以下四点入手,也就是说,只要你能按照这四点的内容去做,那么基本上就大功告成了
一、多看代码 在有一定基础以后一定
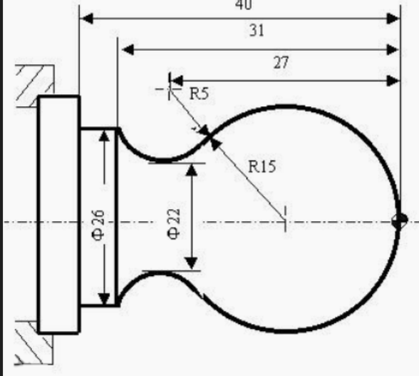
数控车床车幅板干成这样是哪的问题,刀在中心不高机夹刀切刀干的
数控车床怎样装刀是正确的
一、装刀方法:
1、车刀不能伸出刀架太长,应尽可能伸出的短些。因为车刀伸出过长,刀杆刚性相对减弱,切削时在切削力的作用下,容易产生振动,使车出的工件表面不光洁。一.般车刀伸出的长度不超过刀杆厚度的2倍。
2、车刀刀尖的高低应对准工件的中心。车刀安装得过高或过低都会引起车刀角度的变化而影响切削。根据经验,粗车外圆时,可将车刀装得比工件中心稍高-些;精车外圆时,可将车刀装得比工件中心稍低一些,这要根据工件直径的大小来决定,无论装高或装低,- -般不能超过工件直径的1%。
3、装车刀用的垫片要平整,尽可能地用厚垫片以减少片数,- -般只用2-3片。如垫刀片的片数太多或不平整,会使车刀产生振动,影响切削。并使各垫片在刀杆正下方,前端与刀座边缘齐。
4、车刀装上后,要紧固刀架螺钉,一.般要紧固两个螺钉。紧固时,应轮换逐个拧紧。同时要注意,一定要使用专用扳手,不允许再加套管等,以免使螺钉受力过大而损伤。
二、刀具选择:
1、数控刀具的类型、规格和精度等级应能够满足cnc车床加工要求。
2、精度高。为适应数控车床加工的高精度和自动换刀等要求,刀具必须具有较高的精度。
3、可靠性高。要保证数控加工中不会发生刀具意外损伤及潜在缺陷而影响到加工的顺利进行,要求刀具及与之组合的附件必须具有很好的可靠性及较强的适应性。
4、耐用度高。数控车床加工的刀具,不论在粗加工或精加工中,都应具有比普通机床加工所用刀具更高的耐用度,以尽量减少更换或修磨刀具及对刀的次数,从而提加工效率和保证加工质量。
5、断屑及排屑性能好。切屑不好容易使切屑缠绕在刀具和工件上,会损坏设备和材料,甚至会发生伤人事故,影响加工质量和机床的安全运行。

扩展资料
数控车床安装
1、起吊和运输
机床的起吊和就位,应使用制造厂提供的专用起吊工具,不允许采用其他方法进行。不需要专用起吊工具,应采用钢丝绳按照说明书规定部位起吊和就位。
2、基础及位置
机床应安装在牢固的基础上,位置应远离振源;避免阳光照射和热辐射;放置在干燥的地方,避免潮湿和气流的影响。机床附近若有振源,在基础四周必须设置防振沟。
3、机床的安装
机床放置于基础上,应在自由状态下找平,然后将地脚螺栓均匀地锁紧。对于普通机床,水平仪读数不超过0.04/1000mm,对于高精度的机床,水平仪不超过0.02/1000mm。
在测量安装精度时,应在恒定温度下进行,测量工具需经一段定温时间后再使用。机床安装时应竭力避免使机床产生强迫变形的安装方法。机床安装时不应随便拆下机床的某些部件,部件的拆卸可能导致机床内应力的重新分配,从而影响机床精度。
参考资料来源:百度百科-数控车床
数控车床可以分为哪几个主要组成部分? 各部分的主要功用是什么作用?
数控机床是数字控制机床的简称,是一种装有程序控制系统的自动化机床。该控制系统能够逻辑地处理具有控制编码或其他符号指令规定的程序,并将其译码,从而使机床动作并加工零件。 数控机床的特点 [编辑本段] 数控机床的操作和监控全部在这个数控单元中完成,它是数控机床的大脑。与普通机床相比,数控机床有如下特点: ●加工精度高,具有稳定的加工质量; ●可进行多坐标的联动,能加工形状复杂的零件; ●加工零件改变时,一般只需要更改数控程序,可节省生产准备时间; ●机床本身的精度高、刚性大,可选择有利的加工用量,生产率高(一般为普通机床的3~5倍); ●机床自动化程度高,可以减轻劳动强度; ●对操作人员的素质要求数控车床Z轴零点乱跑怎麼办,所有的刀都在动,不是多进去几个毫米就是多退出来几个毫米,程式没有问题的
这个问题主要出于如下几个地方:1,Z轴连接器松动。2,Z轴角接触轴承损坏。3,Z轴丝杆螺母损坏。看你说的情况每次都是几个毫米的差,最大的可能性就是Z轴伺服电机与丝杆连接的联轴器松动。数控车床车出的圆弧不圆是怎么回事?
数控车床车出的圆弧不圆是
1、机床本身精度有误差。
2、工件加工装夹爪间隙过大松动。
3、工件细或薄或伸出过长车加工受力产生径向跳动。
4、各拖板松动及刀具装夹偏高或夹紧度不够受力位移。
5、机床机脚螺丝松动床身轻微晃动。

举例说明车一内螺纹
并且做一定的产量之后要换通止规。外观品质尺寸也是要求相当严格,这个螺丝刀关键有几点:
第一就是结构,尾部的小尾盖能够轻松润滑转动但不能脱落,并且不能有卡的声音。
第二就是刀头的内六角由于是多刀头组合,内外六角也必须保持精度。
第三就是整体的机加工过程严格操作。第四务必保证整体的氧化颜色一致,因为尾盖与刀体是分开氧化。
学习数控车床的一些问题
相对来说数控车床应用比磨床普遍化,磨床用于精加工,是利用砂轮和磨床的床身相互运动来加工零件表面的余量、提高光面光洁度的;车床是用于粗和中等精度加工的,也可进行螺纹车削,应用很广泛的,如今数控技术已经成为机械行业最热门的领域,实际上,搞机械行业的技术工人都应通晓车、铣、磨等,它们都是相通的,所以你不必苦恼应该去学哪个,而是学好数控这门技术,以后在实践中多多操作不同的机床,熟悉机加工工艺。 这个主要看带你的人是什么样的性格了,基本上实干型的人是挺吃香的。相对于我来说,喜欢实干型的人,也会多教一些,不过我现在已经不做数控了,呵呵。 祝你好运!相关文章
- 详细阅读
-
辽宁省干部在线学习网:显示“系统繁详细阅读
2022辽宁省干部在线学习网登录不上2022辽宁省干部在线学习网登录不上先确定学信网账户是否已经开通,账号、密码、验证码是否正确。如果上面两个都没什么问题,还是登不上可以播
-
stm32要怎么学习?详细阅读
初学STM32的入门方法有哪些?我的一些体会:\x0d\x0a\x0d\x0a首先,关于STM32入门,这个可能需要的是指导教程和技术论文。说实话STM32并不难,因为你可以把它当做单片机来用,至少不会
- 详细阅读
-
怎么初步学习PS抠图P图详细阅读
如何开始自学photoshop自学photoshop可以先下载软件,之后查询相关教学视频。
想要学好PS其实不难,最主要是有没有决心,不妨先用60秒时间来测试下
→→点击测试我适不适合学设计 -
要是学习互联网未来的路会好走一点详细阅读
学互联网好就业吗?答案是肯定的:好找工作。 1:随着社会经济的发展,现在是一个信息化,万物互联的时代,各行各业的工作岗位,都离不开互联网方面的人才,未来的就业前景好; 2:互联网方面有
-
科大讯飞学习机有什么软件详细阅读
科大讯飞平板电脑有什么好用的软件吗?科大讯飞平板里的软件有:1、GoodNotes
GoodNotes是iPad手写笔记软件中值得推荐的一款,对手写笔的压感很细腻,所以笔迹处理得好看,还能自定义 -
学习通作业要求用公式编辑器做,编辑详细阅读
公式编辑器在word哪里在word文档中,打开插入项目栏。在功能区找到公式选项,在公式菜单中,打开公式编辑器选项。在公式编辑器窗口中,我们就可以输入公式。
工具/原料:ROG魔霸5、Win -
小度智能学习平板G16修屏费用详细阅读
小度智能屏那个线断了能修吗多少钱小度智能屏线断了不能修了,直接换一个新的配件即可,大概需要50左右。小度智能平板屏幕去哪维修官方售后点。小度智能学习平板,于2021年3月18
-
IT电脑信息技术需要哪些学习要求?详细阅读
IT电脑信息技术需要哪些学习要求?IT专业入行门槛低,而且如今的工资待遇越来越好,而且目前IT行业的就业市场是不饱和的,所以从业人员找工作还是相对来说很轻松的。现在的你选择IT
