DIY电脑主机的RGB什么时候开始兴起的?就描述,很久前就开始带了。10年前就有了。只不过那会DIY的人少,配高性能需求的电脑更少,基本办公机。显卡要是有个GTX650就不得了,可能整个
丝印46 H是什么芯片
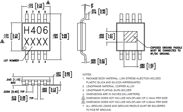
请问下面这个IC是什么型号?8Pin丝印H406
这是一个5-6GHz的宽带放大器。
主要用在HiperLAN和802.11a WLAN
特性:
Gain:17dB
Satursted Power:+29dBm
38% PAE
工作电压:+5.0V
引脚排列图如下:

详细电参数如下表所示:

极限参数:

外形图:

参考资料连接:
http://pdf1.alldatasheet.com/datasheet-pdf/view/81007/HITTITE/HMC406MS8G.html
FLASH芯片上面丝印的型号分别代表什么
如三星的nand flash: K 9 X X X X X X X X - X X X X X X X 1 2 3 4 5 6 7 8 9 10 11 12 13 14 15 16 17 18 1. Memory (K) 2. NAND Flash : 9 3. Small Classification (SLC : Single Level Cell, MLC : Multi Level Cell, SM : SmartMedia, S/B : Small Block) 1 : SLC 1 Chip XD Card 2 : SLC 2 Chip XD Card 4 : SLC 4 Chip丝印BBTH五个脚是什么芯片
是可调LDO稳压器。
集成电路英语:integratedcircuit,缩写作IC;或称微电路(microcircuit)、微芯片(microchip)、晶片/芯片(chip)在电子学中是一种将电路(主要包括半导体设备,也包括被动组件等)小型化的方式,并时常制造在半导体晶圆表面上。
电路制造在半导体芯片表面上的集成电路又称薄膜(thin-film)集成电路。另有一种厚膜(thick-film)集成电路(hybridintegratedcircuit)是由独立半导体设备和被动组件,集成到衬底或线路板所构成的小型化电路。
这个丝印是什么芯片?丝印是H MA?
一般来说,根据芯片丝印,去获取芯片型号,是硬件工程师的一项必备技能。现在也多了一些这方面的网站,例如什么“芯片反查网”之类的。本文仅供参考,关键在于思路的引导。





华秋商城(原“华强芯城”):中国500强-华强集团旗下电子元器件现货交易平台,与全球1000+品牌原厂、授权分销商建立了长期战略合作关系,自建占地5000平米的大型仓库,可当日发货的自营现货库存 SKU已突破3万+;国际原厂的合作库存 SKU 超过 2000 万+。
微机原理 芯片端口
根据地址线电平就可求出芯片的地址。 对于74LS138来说,它是3--8译码器,其控制端为G1、G2A、G2B,其中G1为高电平,即为1,G2A、G2B为低电平,即为0,所以A7=0,A6=1。 芯片8253接74LS138的Y0输出端,所以74LS138的输入端CBA的编码就为000,即A5=0、A4=0、A3=0,A2和A1直接芯片地址线,可为任意值,图中没有A0地址线,一般认为0,所以芯片8253的端口地址为40H,42H,44H,46H。同理芯片8255的端口地址为70H,72H,74H,76H相关文章
- 详细阅读
-
【求救!】有木有人用过IRS2092SP这详细阅读
目前最好的D类数字功放芯片有哪些呢?目前最好的D类数字功放芯片有SC3120 ,CS8591等。SC3120电路是一款高耐压、高速的MOSFET栅极驱动器,专为超大输出功率的D类音频功率放大器
-
有没有能适配飞腾龙芯这些国产芯片详细阅读
有国产软件可以替代VMware的吗?无论采用哪种技术路线、哪种方案和产品对现有 VMware 环境进行替换,都不能 100% 保证在功能特性和使用体验方面的完全一致。因此,最终的替换决策
- 详细阅读
-
windows11硬件识别错误,这是bug?详细阅读
Windows11出现了严重Bug,具体是什么Bug?任务栏有右键闪避的情况,无法选中右键相应的窗口。微软公司在今年6月推出全新的windows11,目前仍然处于测试阶段。虽然微软保密工作做得
-
用1K*8的芯片构成4K*8的 存储器,并详细阅读
若用一k×8位的芯片组成四k×8位的存储器应选择什么译码器?用1K×8位的芯片组成4K×8位的存储器,需要4片1K×8的芯片,译码器有4个输出端即可实现选片,所以可选择2线-4线译码器,74
-
GA-880G-UD3H (rev. 1.x)芯片组驱详细阅读
技嘉880g-ud3h可以装win10系统吗观看主板是无法判断,不过一般电脑都可以安装win10,因为它运行时所需要的硬件资源是比较低,比win7和win8要求低。技嘉GA-880G-UD3H用哪个版本的
-
CDK开发环境内找不到W806芯片怎么详细阅读
wt61p806芯片故障wt61p806芯片故障解决方法是。
一般来说,电脑故障包括硬件损坏和软件程序错误两大类,前者属于硬故障,后者属于软故障。硬故障可分为器件故障、机械故障和人为 -
为何懂电脑硬件的人,少有使用AMD的详细阅读
为什么懂电脑的人只买intel,不买性价比高的AMD?在桌面级电脑处理器行业,在激烈的竞争之下,目前仅剩下两个公司,那就是intel和AMD。这两家公司的处理器产品各有特色,但是更多人的更
-
2sd882L是什么芯片详细阅读
三极管C3205可以用什么型号的三极管的代替c3205可以用c2655,d400,5609,c2500,c2060替换.一般电子市场都有得买直流电机驱动芯片的选择一、用的最多的一个H桥驱动芯片:L928N这
