三科变频器的作用是什么?控制电机速度,把市电也就是交流电整流滤波成直流电,然后通过开关管的通断,转化为频率可调的交流电,从而达到控制电机速度的效果。三科变频器的重载变频器
epsivo变频器2.2KW的,接线端DI2,我要设置成反转,请问是那个参数
sew变频器那个参数是设置正反转的
DI01—CW/STOP(正转) 3. DI02—CCW/STOP(反转在变频器面板上点击FWD\REV键就能改正反转转换。但设定后就只能一个方向运行,如换一个方向就在按一下FWD\REV键即可 SEW变频器参数设置 2. 变频器参数的设定方法:MOVIDRIVE系列变频器的参数分为十个功能组,有几百个参数.其中“0__”为只读参数.其余几组根据控制需要需设定相关参数.参数设定 3. 操作面板参数级转换,同时按下启动调试指向下求助abb变频器调整正反转怎么设置
只需在DI2数字输入2 可编程即可;默认2=正向/反向。
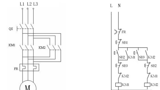
控制正转、反转的继电器的触点分别接在二个多功能端子上,把变频器参数设定控制命为为端子控制,修改多功能端子对应的参数功能为:正转、反转。
(需与接线相对应,变频器都有正转、反转端子,接上正转、反转的继电器的触点就可),变频器所控制的电机,要旋转还需0---10V的模拟电压。(由上位机PLC,或CNC给出,或用电位器接DC10V电压给出)。

扩展资料
1、工作原理
通过将380V交流电压整流滤波成为平滑的510V直流电压,再通过逆变器件将510V直流电压变成频率与电压均可调的交流电压,电压调节范围在0V--380之间;频率可调范围在0HZ--600HZ之间。以达到控制电动机无极调速的目的。
2、工作环境的影响
在变频器实际应用中,由于国内客户除少数有专用机房外,大多为了降低成本,将变频器直接安装于工业现场。工作现场一般有灰尘大、温度高、湿度大的问题,还有如铝行业中有金属粉尘、腐蚀性气体等等。因此必须根据现场情况做出相应的对策。
(1)变频器应该安装在控制柜内部。
(2)变频器最好安装在控制柜内的中部;变频器要垂直安装,正上方和正下方要避免安装可能阻挡排风、进风的大元件。
(3)变频器上、下部边缘距离控制柜顶部、底部、或者隔板、或者必须安装的大元件等的最小间距,应该大于300 mm。
(4)如果特殊用户在使用中需要取掉键盘,则变频器面板的键盘孔,一定要用胶带严格密封或者采用假面板替换,防止粉尘大量进入变频器内部。
(5)在多粉尘场所,特别是多金属粉尘、絮状物的场所使用变频器时,总体要求控制柜整体密封,专门设计进风口、出风口进行通风;控制柜顶部应该有防护网和防护顶盖出风口;控制柜底部应该有底板和进风口、进线孔,并且安装防尘网。
电网质量对变频器的影响
在冲击负载如电焊机、电弧炉、轧钢机等场合,电压经常出现闪变;在一个车间中,有多台变频器等容性整流负载在工作时,其产生的谐波对于电网质量有很严重的污染,对设备本身也有相当的破坏作用,轻则不能够连续正常运行,重则造成设备输入回路的损坏。可以采取下列的措施。
(1)在冲击负载如电焊机、电弧炉、轧钢机等场合建议用户增加无功静补装置,提高电网功率因数和质量。
(2) 在变频器比较集中的车间,建议采用集中整流,直流共母线供电方式。建议用户采用12脉冲整流模式。优点是谐波小、节能,特别适用于频繁起动、制动,电动机处于既电动运行与发电运行的场合。
(3)变频器输入侧加装无源LC滤波器,减小输入谐波,提高功率因数,可靠性高,效果好。
(4)变频器输入侧加装有源PFC 装置,效果最好,但成本较高。
参考资料:百度百科-abb变频器
变频器正反转如何控制的
1、正转控制
按下按钮SB4继电器KA1线圈得电,KA1的1个常闭触点断开,3个常开触点闭合KA1的常闭触点断开使KA2线圈无法得电。
KA1的3个常开触点闭合分别锁定KA1线圈得电、短接按钮SB1和接通STF、SD端子STF、SD端子接通,相当于STF端子输入正转控制信号,变频器U、V、W端子输出正转电源电压,驱动电动机正向运转。
调节端子10、2、5外接电位器RP,变频器输出电源频率会发生改变,电动机转速也随之变化。
2、反转控制
按下按钮SB6继电器KA2线圈得电,KA2的1个常闭触点断开,3个常开触点闭合KA2的常闭触点断开使KA1线圈无法得电。
KA2的3个常开触点闭合分别锁定KA2线圈得电、短接按钮SB1和接通STR、SD端子,STR、SD端子接通,相当于STR端子输入反转控制信号,变频器U、V、W端子输出反转电源电压,驱动电动机反向运转。

扩展资料:
变频器控制电路组成
(1)运算电路:将外部的速度、转矩等指令同检测电路的电流、电压信号进行比较运算,决定逆变器的输出电压、频率。
(2)电压、电流检测电路:与主回路电位隔离检测电压、电流等。
(3)驱动电路:驱动主电路器件的电路。它与控制电路隔离使主电路器件导通、关断。
(4)速度检测电路:以装在异步电动机轴机上的速度检测器(tg、plg等)的信号为速度信号,送入运算回路,根据指令和运算可使电动机按指令速度运转。
(5)保护电路:检测主电路的电压、电流等,当发生过载或过电压等异常时,为了防止逆变器和异步电动机损坏。
参考资料:百度百科-变频器
变频器用电位器怎样控制电机正反转,要设置哪些主要参数
电位器不能控制正反转,只能调频率快慢。 正反转需要在外部接一个开关,三线的,一个公共端,一个接正转端子,一个接反转端子。参数主要设置允许正反转,启动信号由外部端子给定,频率给定通道由外部电位器给定,具体看看说明书都可以搞定的。变频器的正反转怎么接
变频器正反转接线是一样的,变频器上有正反转控制,只要按按钮就行了。面板和接线上都有正反转控制。

拓展资料
变频器(Variable-frequencyDrive,VFD)是应用变频技术与微电子技术,通过改变电机工作电源频率方式来控制交流电动机的电力控制设备。
变频器主要由整流(交流变直流)、滤波、逆变(直流变交流)、制动单元、驱动单元、检测单元微处理单元等组成。变频器靠内部IGBT的开断来调整输出电源的电压和频率,根据电机的实际需要来提供其所需要的电源电压,进而达到节能、调速的目的,另外,变频器还有很多的保护功能,如过流、过压、过载保护等等。随着工业自动化程度的不断提高,变频器也得到了非常广泛的应用。
变频器节能主要表现在风机、水泵的应用上。为了保证生产的可靠性,各种生产机械在设计配用动力驱动时,都留有一定的富余量。当电机不能在满负荷下运行时,除达到动力驱动要求外,多余的力矩增加了有功功率的消耗,造成电能的浪费。
风机、泵类等设备传统的调速方法是通过调节入口或出口的挡板、阀门开度来调节给风量和给水量,其输入功率大,且大量的能源消耗在挡板、阀门的截流过程中。当使用变频调速时,如果流量要求减小,通过降低泵或风机的转速即可满足要求。
相关文章
- 详细阅读
-
您好,我是做IGBT模块的销售新人不太详细阅读
新手,请教一个变频器 IGBT 模块的问题。。。两个VCC都是作为PC923的电源,驱动IGBT的信号是通过芯片给的。U的输出不会影响VCC,具体值条件不相信没办法求解。IGBT逆变是通过按顺
-
我家电脑每天晚上10点25准点掉线详细阅读
我的电脑一到晚上十点左右就会断网怎么回事?1,有可能是路由器设置了定时重启功能 2,也可能是电脑中了类似于时光病毒的木马 3,装个电脑管家给电脑杀个毒,无毒的话就恢复路由器出
